EasyManua.ls Logo

Siemens Simatic S7-300 CPU 315-2-PN/DP - Overview: Grounding; Table 4-10 Connecting the Load Voltage Reference Potential

Siemens Simatic S7-300 CPU 315-2-PN/DP
272 pages
To Next Page IconTo Next Page
To Next Page IconTo Next Page
To Previous Page IconTo Previous Page
To Previous Page IconTo Previous Page
Loading...
Configuring
4.9 Electrical assembly, protective measures and grounding
S7-300, CPU 31xC and CPU 31x: Installation
4-24 Operating Instructions, Edition 08/2004, A5E00105492-05
4.9.6 Overview: Grounding
CPU 31xC
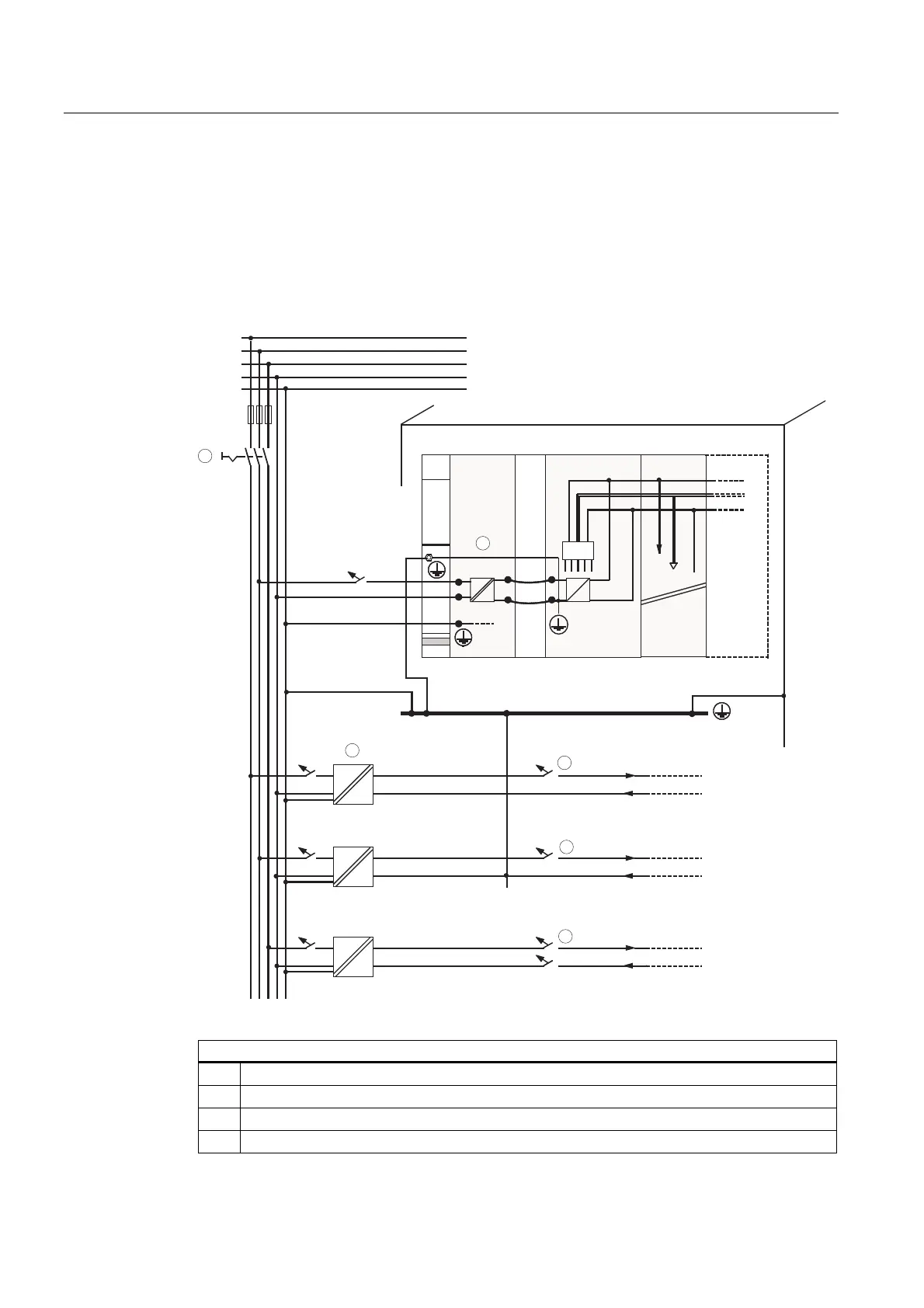
The figure below shows you the complete assembly of an S7-300 with CPU 31xC with a
power supply from TN-S mains. Apart from powering the CPU, the PS 307 also supplies the
load current for the 24 VDC modules. Note: The layout of the power connections does not
correspond with their physical arrangement; it was merely selected to give you a clear
overview.
Cabinet
Profile rail
PS
CPU
SM
L1
N
L+
M
µP
AC
AC
AC
AC
DC
DC
L1
L2
L3
N
PE
1
Low-voltage distribution
e.g. TN-S system (3 x 400 V)
Common grounding line in the cabinet
Load circuit
24 to 230 V AC for AC modules
Load circuit
5 to 60 V DC non-isolated DC modules
Load circuit
5 to 60 V DC for isolated DC modules
Signal modules
1
3
2
2
2
4
4
Table 4-10 Connecting the load voltage reference potential
The figure illustrates the following
(1)
The main switch
(2)
The short-circuit / overload protection
(3)
The load current supply (galvanic isolation)
(4)
This connection is made automatically for the CPU 31xC

Table of Contents

Related product manuals