EasyManua.ls Logo

SigTEL Compact - Re-Install the Base Pcbs

SigTEL Compact
36 pages
Print Icon
To Next Page IconTo Next Page
To Next Page IconTo Next Page
To Previous Page IconTo Previous Page
To Previous Page IconTo Previous Page
Loading...
SigTEL Compact Installation and Configuration Manual
SigTEL Approved Document No. DAU0000091 Rev 5 Page 14 of 36
Emergency Voice
Communication System
7.5
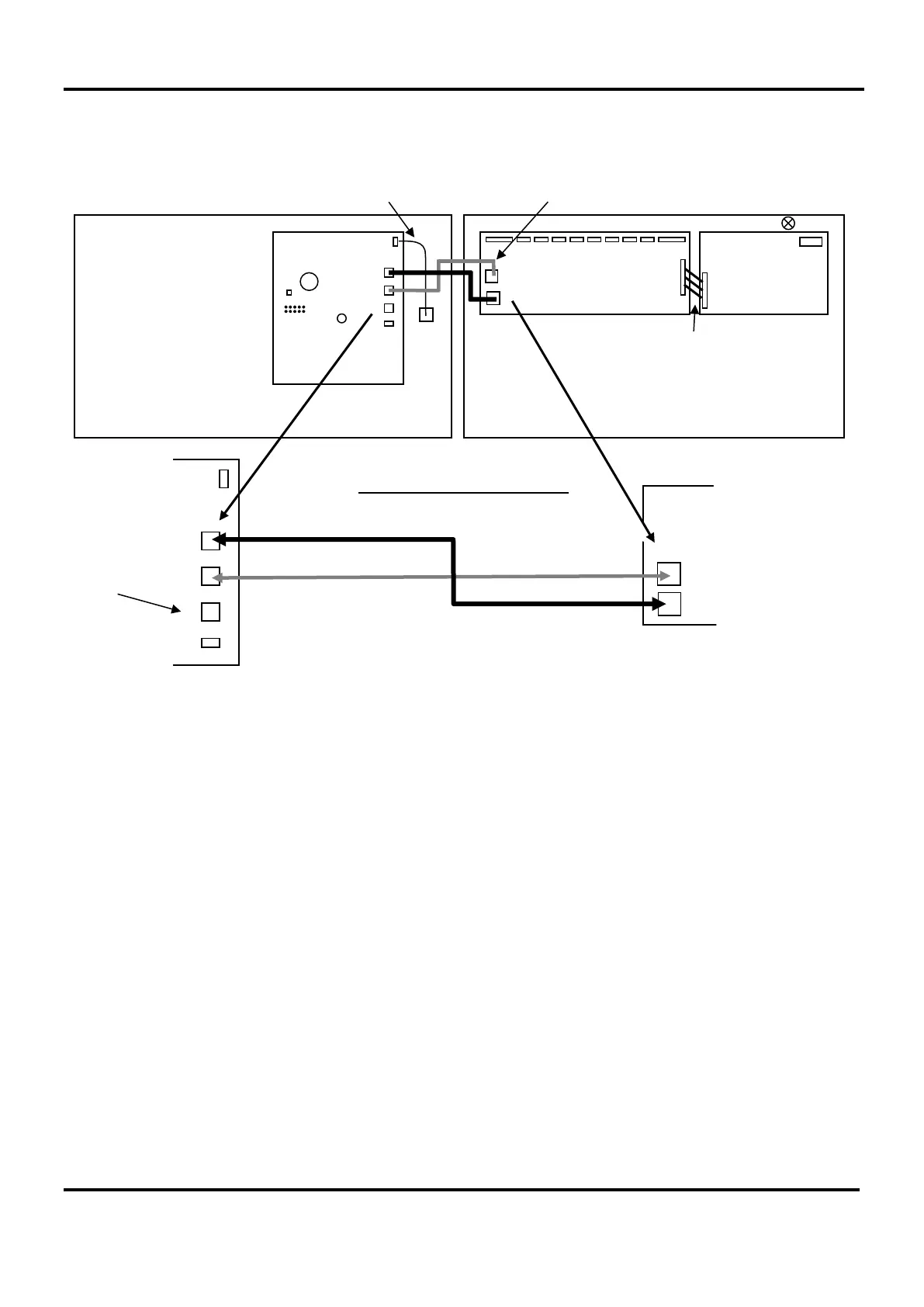
Re-install the base PCBs
Re-install the base PCBs and refit the lid. Ensure the fixing screws and all interconnection cables are refitted
correctly, as shown below.
Cat 5 cables (supplied)
Engineer Mode
Reset
C
B
G
Conn 2
Conn 1
+ -
C
Power Supply lead
CAUTION: If re-connecting the
Power Supply lead, check that
the pins are not mis-aligned!
MCU internal connections
C
B
CAUTION: Double check all looms
are plugged into the correct ports!
C
B
G
Master Exchange PCB
MCU Lid MCU Back Box
G connects to
ECU722
(see Section 8).
Control PCB
Control
PCB
Master Exchange PCB
Power
Supply PCB
B
To Operator handset

Table of Contents