EasyManua.ls Logo

SMA SI 5048 - Battery Lead Resistance

SMA SI 5048
212 pages
To Next Page IconTo Next Page
To Next Page IconTo Next Page
To Previous Page IconTo Previous Page
To Previous Page IconTo Previous Page
Loading...
SMA Solar Technology AG Battery management
Technical Description SI5048-TEN093630 101
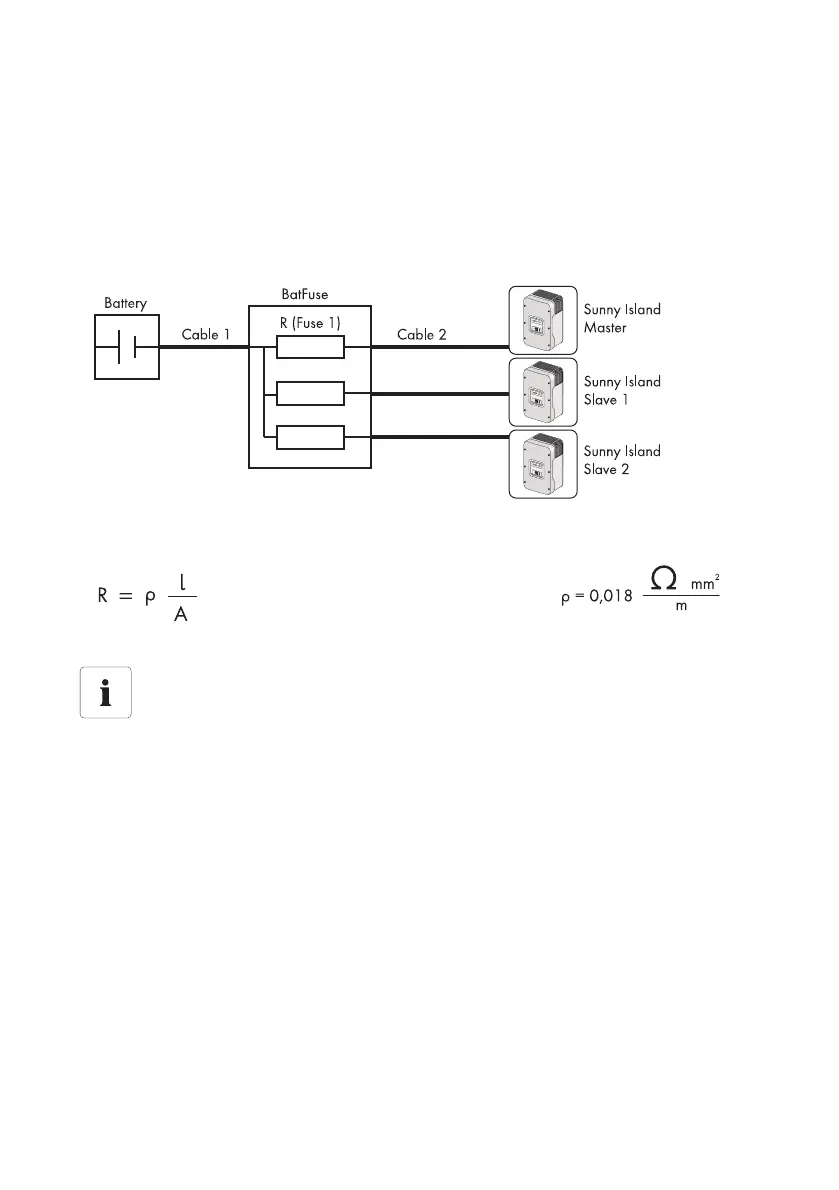
13.7 Battery Lead Resistance
In menu "221# Battery Property" you can specify the battery lead resistance (BatWirRes). The
resistance is the ohmic resistance of the battery up to the input of the Sunny Island master. The default
value of the parameter "221.06 BatWirRes" is 0 m .
The resistance is made up of the resistance of cable 1 + fuse + resistance of cable 2:
R = R (cable 1) + R (fuse 1) + R (cable 2).
The following applies:
ρ = specific resistance for copper
L = length of cable in m
A = cross section of the cable in mm
2
BatFuse
R (resistance 1) in the BatFuse is about 1 m .

Table of Contents

Related product manuals