EasyManua.ls Logo

SMA SI 5048 - Battery Current Sensor

SMA SI 5048
212 pages
Print Icon
To Next Page IconTo Next Page
To Next Page IconTo Next Page
To Previous Page IconTo Previous Page
To Previous Page IconTo Previous Page
Loading...
Electrical Connection SMA Solar Technology AG
40 SI5048-TEN093630 Technical Description
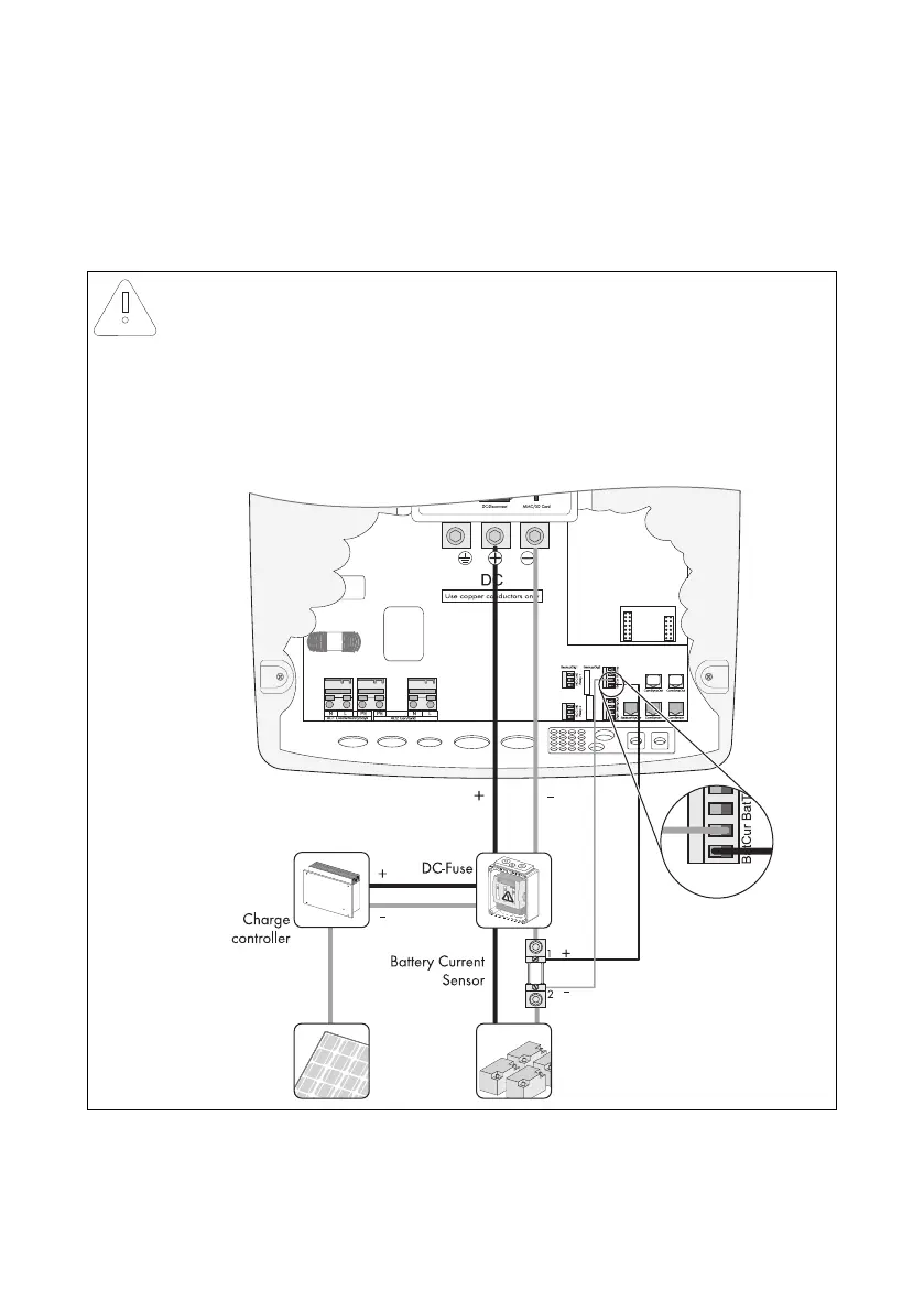
6.4.2 Battery Current Sensor
In addition to the internal measurement, the Sunny Island provides the possibility to measure the
battery current via a shunt. You need this function if you intend to operate additional DC generators
and DC loads in your off-grid system. Only one battery current sensor connected to the respective
master is required for a cluster.
NOTICE!
Damage to the battery due to the connection of additional DC generators or DC
loads to the off-grid system.
In this operating situation, the internal current measurement of the Sunny Island works
imprecisely; the charge state of the battery is not determined exactly.
Install an external battery current sensor (shunt).
Example:

Table of Contents

Related product manuals