EasyManua.ls Logo

Sony CDP-M400CS - Schematic Diagram - MAIN Section (2;2)

Sony CDP-M400CS
70 pages
Print Icon
To Next Page IconTo Next Page
To Next Page IconTo Next Page
To Previous Page IconTo Previous Page
To Previous Page IconTo Previous Page
Loading...
3636
CDP-M400CS
CDP-M400CS
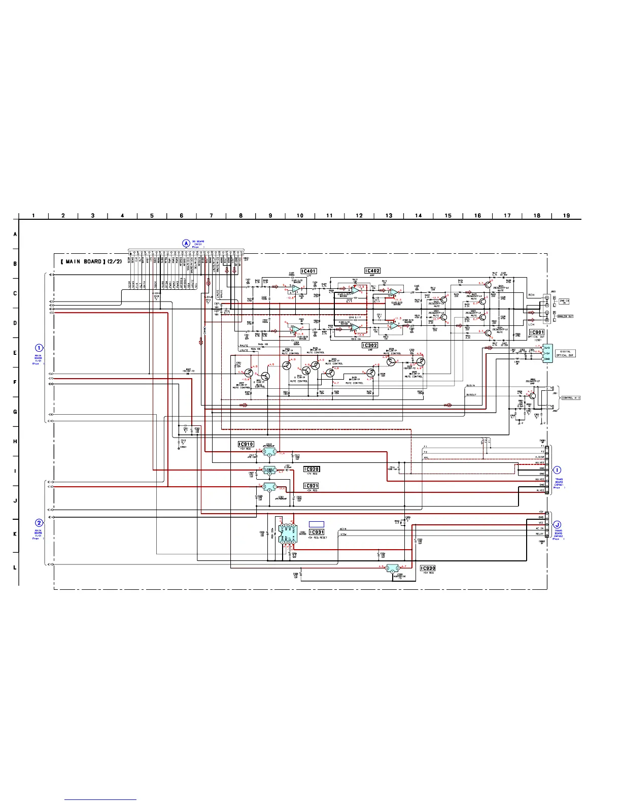
6-6. SCHEMATIC DIAGRAM — MAIN SECTION (2/2) —
• See page 45 for IC Block Diagrams.
No mark:STOP
33
35
35
43
43
IC B/D
A
A
GP1FA550TZ

Table of Contents

Related product manuals