EasyManua.ls Logo

Sony CDP-M400CS - Mechanism Section 3 (CDM62-K1 BD46 A)

Sony CDP-M400CS
70 pages
Print Icon
To Next Page IconTo Next Page
To Next Page IconTo Next Page
To Previous Page IconTo Previous Page
To Previous Page IconTo Previous Page
Loading...
57
CDP-M400CS
304
305
303
302
301
308
309
307
311
314
307
312
313
310
302
303
306
#6
#1
#6
MECHANISM SECTION 4
(CDM62-K1BD46A)
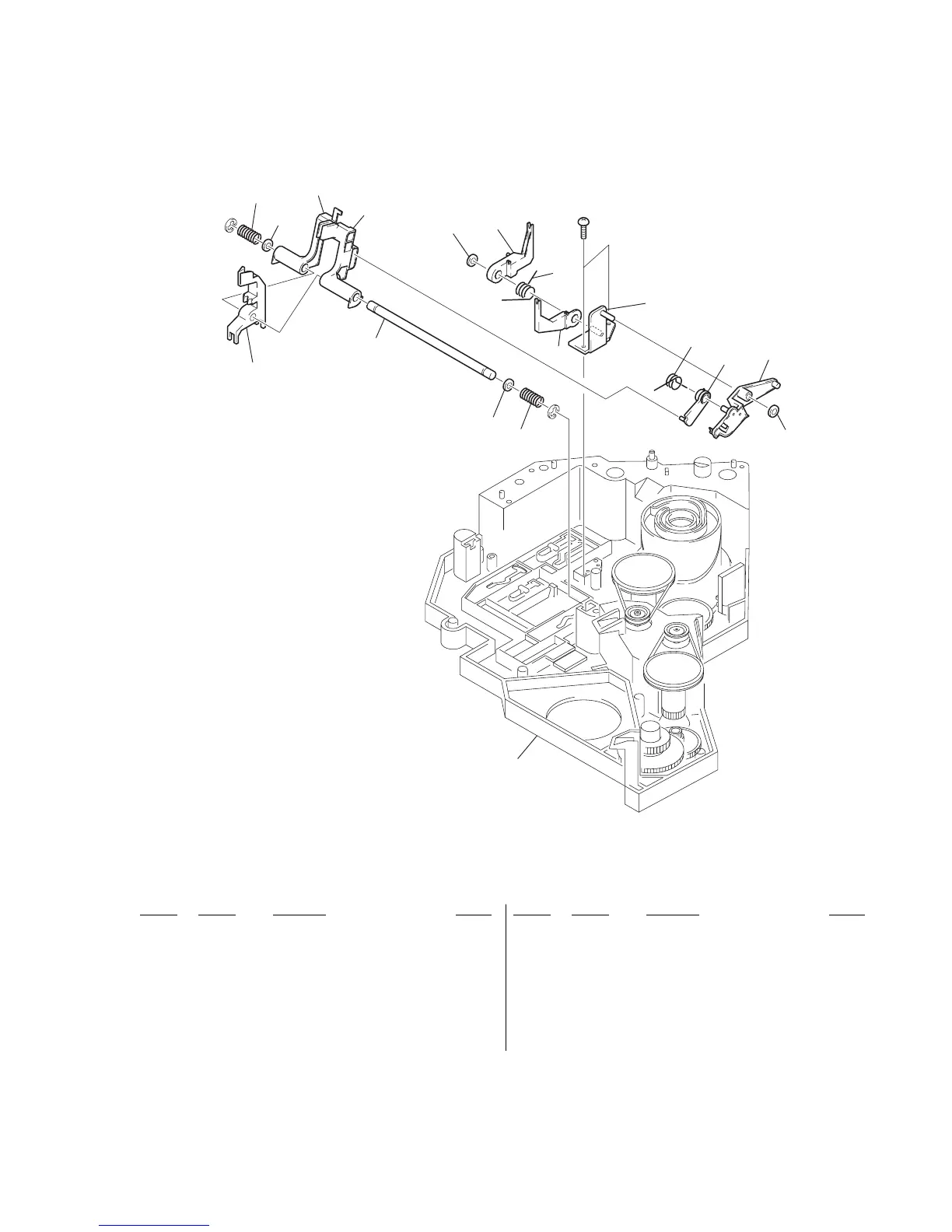
7-7. MECHANISM SECTION 3 (CDM62-K1BD46A)
Ref. No. Part No. Description Remark Ref. No. Part No. Description Remark
301 X-4952-499-1 LEVER (LOCK 400) ASSY
302 4-216-067-01 SPRING (CLAMP), COMPRESSION
303 3-701-441-21 WASHER
304 X-4952-501-1 HOLDER (DISC L400) ASSY
305 X-4952-502-1 HOLDER (DISC R400) ASSY
306 4-225-868-01 SHAFT (CLAMP 400)
307 3-325-697-21 WASHER
308 4-216-076-11 HOLDER (R)
309 4-216-077-01 SPRING (HOLDER FR), TORSION
310 4-225-871-03 HOLDER (F400)
311 X-4950-900-1 BRACKET (LEVER) ASSY
312 4-216-080-01 SPRING (LIMITTER), TORSION
313 4-216-079-02 LIMITTER (LEVER)
314 4-216-078-01 LEVER (LOADING)
#1 7-685-646-79 SCREW +BVTP 3X8 TYPE2 IT-3
#6 7-624-106-04 STOP RING 3.0, TYPE -E

Table of Contents

Related product manuals