EasyManua.ls Logo

Sony CDP-M400CS - Mechanism Section 2 (CDM62-K1 BD46 A)

Sony CDP-M400CS
70 pages
Print Icon
To Next Page IconTo Next Page
To Next Page IconTo Next Page
To Previous Page IconTo Previous Page
To Previous Page IconTo Previous Page
Loading...
56
CDP-M400CS
254
252
251
253
255
256
257
258
259
260
259
260
not supplied
OPTICAL PICK-UP SECTION
(BU-K1BD46A)
MECHANISM SECTION 3
(CDM62-K1BD46A)
not supplied
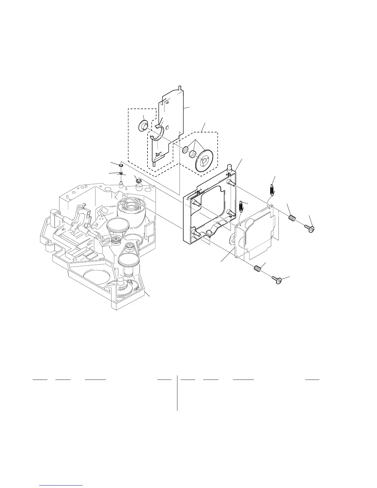
7-6. MECHANISM SECTION 2 (CDM62-K1BD46A)
251 4-216-081-01 SPRING (MG), TORSION
252 3-701-441-21 WASHER
253 3-701-446-21 WASHER, 8
254 4-216-082-11 HOLDER (MAGNET), TORSION
255 A-4672-768-A MAGNET ASSY
Ref. No. Part No. Description Remark Ref. No. Part No. Description Remark
256 X-4950-901-5 HOLDER ASSY, BU
257 4-216-086-01 SPRING (F-2), TENSION
258 4-216-085-01 SPRING (F-1), TENSION
259 4-957-577-01 SCREW PTP WH (2.6X8) (DIA. 10)
260 4-992-054-11 RUBBER, VIBRATION PROOF

Table of Contents

Related product manuals