EasyManua.ls Logo

Sony DXC-327BK - Sample Video System Configuration

Sony DXC-327BK
80 pages
Print Icon
To Next Page IconTo Next Page
To Next Page IconTo Next Page
To Previous Page IconTo Previous Page
To Previous Page IconTo Previous Page
Loading...
75
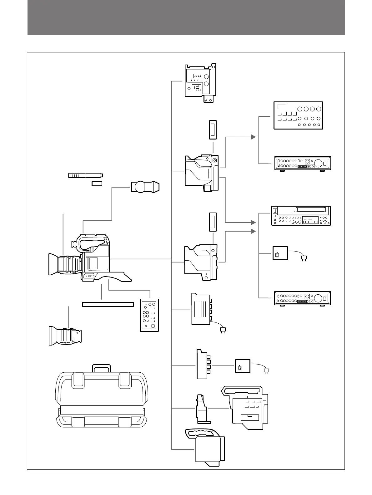
Sample Video System Configuration
LO-23
lens remote
control unit
VCL-714BX
zoom lens
LC-421 carrying case
CA-537/537P
camera adaptor
NP-1B
battery pack
PVV-1/1P/1A/1AP/3/3P
video cassette recorder
RM-M7G
camera
remote
control unit
(Combined use with a dockable VTR)
CAC-12
microphone
holder
ECM-672
microphone
DXF-601/601CE
viewfinder
Optional lens
VCT-U14
tripod attachment
NP-1B
battery pack
CA-327/327P
camera adaptor
CA-325B
camera
adaptor
CA-511
camera
adaptor
BVW-35/35P/50/50P
portable video
cassette recorder
EVV-9000/9000P
video cassette recorder
(Use for RGB format signal output)
CCU-M7/M7P/M5/M5P
camera control unit
CCU-M5/M5P
camera control unit
CMA-8A/8ACE
camera adaptor
SVO-5800/5800P
S-VHS format VTR
RGB format
signal
CA-325A/325AP
camera adaptor
CMA-8A/8ACE
camera adaptor
BVV-5/5PS
video cassette recorder

Table of Contents

Other manuals for Sony DXC-327BK

Related product manuals