EasyManua.ls Logo

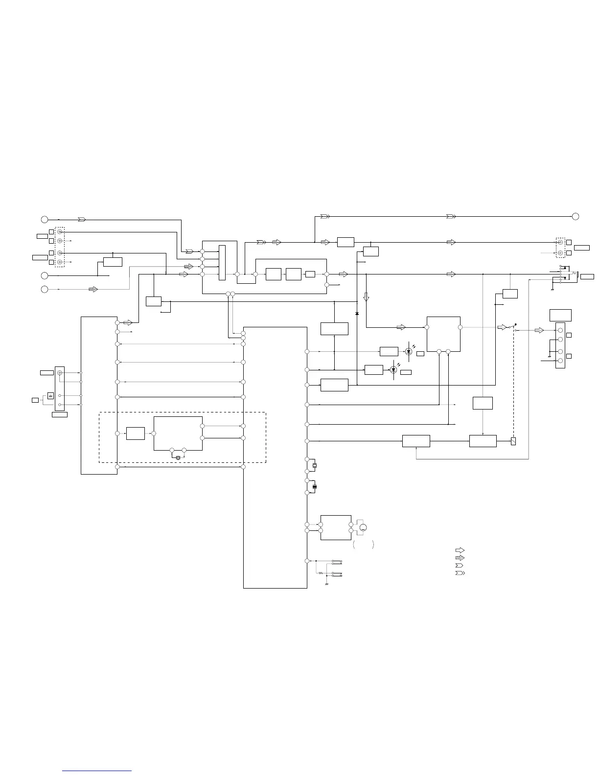
Sony HCD-CP2 - Main Section Block Diagram

Sony HCD-CP2
64 pages
Print Icon
To Next Page IconTo Next Page
To Next Page IconTo Next Page
To Previous Page IconTo Previous Page
To Previous Page IconTo Previous Page
Loading...
2121
HCD-CP2
7-3. BLOCK DIAGRAM – MAIN Section –
05
C
(Page 20)
SIGNAL PATH
: RECORD
R-CH : Same as L-CH
: TAPE PLAY
: CD PLAY
: TUNER (FM/AM)
S901
(DISC TRAY CLOSE DET)
S902
(DISC TRAY OPEN DET)
INPUT1TRAY-OPEN
OUT1
TX
TEX
VIDEO
D304
SYSTEM CONTROLLER
IC802 (3/4)
DISC TRAY OPEN/CLOSE
MOTOR DRIVE
IC309
X803
4.332MHz
X800
32.768kHz
RDS DECODER
IC803
TU-DATA
TU-CE
TU-COUNT
CD-L
VIDEO-L
MD-L
IN-L
R-CH
PJ303 (1/2)
REC-L
B
(Page 20)
PB-L
SDA
SCL
34
35
XTAL1
EXTAL1
X801
4.19MHz
32
65
TRAY-SW
45
5 2
INPUT2TRAY-CLOSE
OUT2
66 6 10
31
60
MD
56
AU MUTE
74
SPEAK RELAY
5
AMP-STBY
2
AMP-MUTE
6
130
STBY
MUTE
9 10
15
2
20
SCK
70
SDA
71
23
TU-CLK
21
RDS-CLK
61
RDS-DATA
24
TU-TUNED
19
22
14
TU-L
13
11
TAPE-L
MO-L
16
12
E
(Page 22)
TUNER ON
A
(Page 19)
CD-LCH
L
MD IN
R
L
R
L
R
L
R
R-CH
R-CH
6
LOUT
5
ROUT
R-CH
R-CH
R-CH
R-CH
R-CH
R-CH
R-CH
INPUT SELECT SWITCH,
TONE CONTROL,
ELECTRICAL VOLUME
IC301
IN+
3
OUT
14
POWER AMP
IC101
L-CH
3
10
R-CH
TUNER PACK
R-CH
VIDEO IN
MUTING
Q102, 103
LINE AMP
IC302
MUTING
CONTROL SWITCH
Q317, 318
LED DRIVE
Q815
LED DRIVE
Q869
MUTING
CONTROL SWITCH
Q303, 304
MUTING
Q106
MUTING
Q101
VOLUME
CONTROL
CIRCUIT
TONE
CONTROL
CIRCUIT
ATT
BAND-PASS
FILTER
Q830
R-CH
PJ303 (2/2)
LINE OUT
J301
PHONES
SJ301
SPEAKER
IMPEDANCE
USE 6-16
D821
VIDEO
DI
9
CK
11
CE
(AEP, UK, North European)
8
DO
4
2
16
13 14
4
FM-DET
RDATA
RCLK
XI XO
MUX
5
TUNED
ANTENNA
FM ANT
ANT GND
ANT GND
AM ANT
FM 75
AM
+
+
M
M901
DISC TRAY
OPEN/CLOSE
INPUT SELECT SWITCH
D812
MD
SPEAKER ON/OFF
SWITCH
Q335, 337
SPEAKER PROTECT
RELAY DRIVE
Q333, 336
OVER LOAD
DETECT
Q331, 332
MUTING
Q120
R-CH
RY101

Related product manuals