EasyManua.ls Logo

Sony HCD-CP2 - Audio Board; Main Board

Sony HCD-CP2
64 pages
Print Icon
To Next Page IconTo Next Page
To Next Page IconTo Next Page
To Previous Page IconTo Previous Page
To Previous Page IconTo Previous Page
Loading...
42
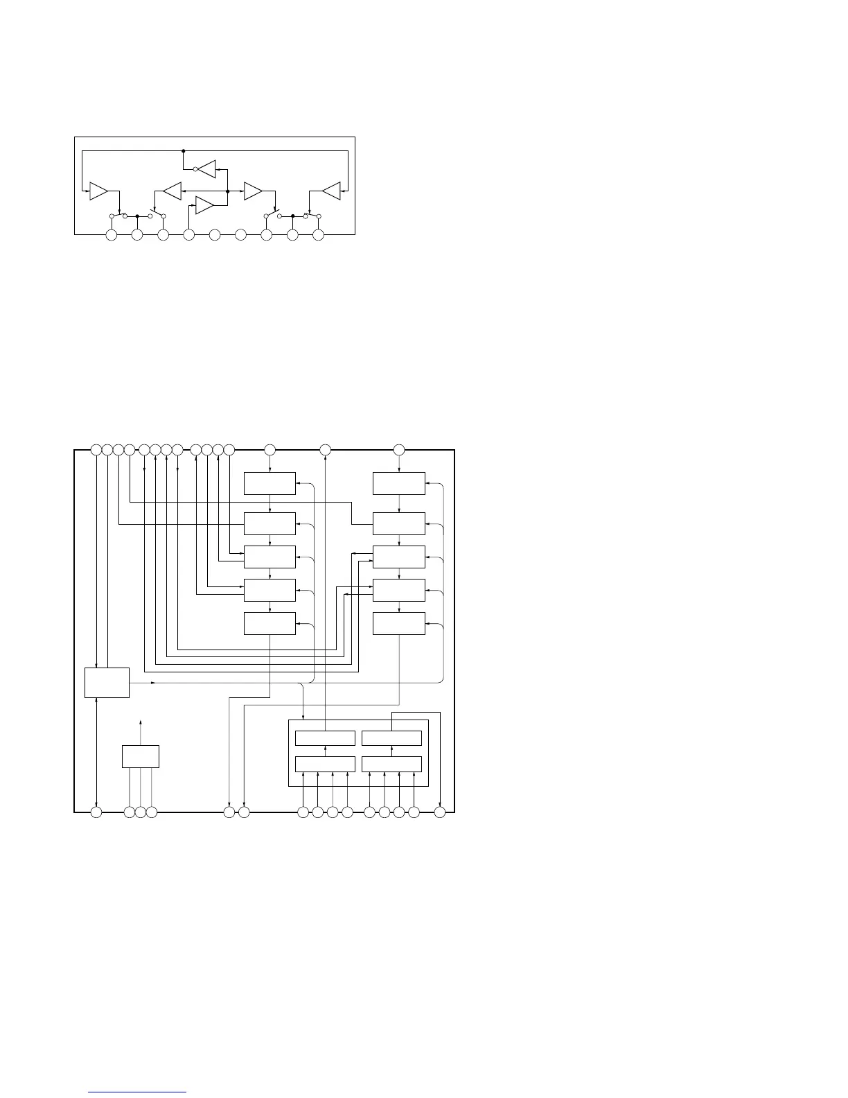
– AUDIO Board –
IC602 µPC1330HA
1
2
3
4
5
6
7 8 9
INVERTER
COMPARATER
SW R1 GND SW P1
CONT
GND
VCC
SW P2 GND
SW R2
– MAIN Board –
IC301 TDA7439
VREF
VOLUME
TREBLE
MIDDLE
BASS
SPEAKER
ATTENUATOR
MULTIPLEXER
GAIN AMP
IIC BUS
DECODER &
LATCH
SUPPLY
SDA
CREF
VS
AGND
ROUT
LOUT
SCL
DIG GND
TREBLE (R)
TREBLE (L)
MIN (L)
MOUT (L)
BOUT (L)
BIN (L)
BOUT (R)
BIN (R)
MOUT (R)
MIN (R)
INR
1 2 3 4 5 6
R-IN4
R-IN3
7 8
R-IN2
R-IN1
9 10
MULTIPLEXER
GAIN AMP
L-IN1
L-IN2
11 12
L-IN3
L-IN4
13 14
MUX OUT (L)
15
18
VOLUME
TREBLE
MIDDLE
BASS
SPEAKER
ATTENUATOR
INL
MUX OUT (R)
161727282930 22 21 20 1926 25 24 23

Related product manuals