EasyManua.ls Logo

Sony HCD-CPX11 - TUNER;TAPE DECK Section

Sony HCD-CPX11
78 pages
Print Icon
To Next Page IconTo Next Page
To Next Page IconTo Next Page
To Previous Page IconTo Previous Page
To Previous Page IconTo Previous Page
Loading...
2929
HCD-CPX11
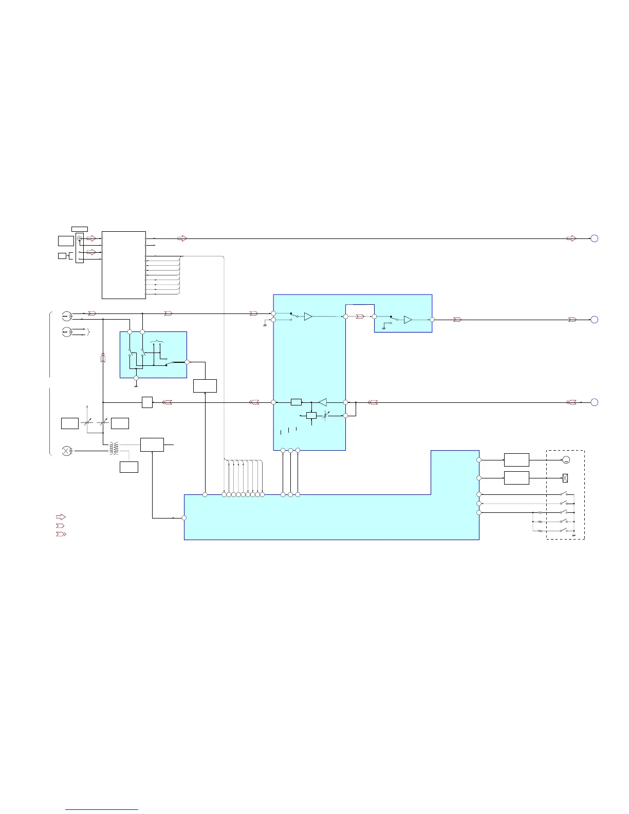
TUNER/TAPE DECK SECTION —
REC BIAS
(R)
RV603
REC BIAS
(L)
RV653
R-CH
8
7 9
4
FM 75
COAXIAL
FM ANT
ANT GND
AM ANT
ANT GND
ST DIN
ST CLK
ST CE
ST MUTE
TUNED
STEREO
L-CH
R-CH
ST DOUT
TUNER UNIT
AM
R-CH
48
ST DATA IN
49
ST DATA OUT
47
ST CLK
50
ST CE
53
ST MUTE
DI
DO
CLK
CE
MUTING
51
ST TUNED
52
ST STEREO
RDS DATA
RDS CLK
TUNED
STEREO
54
RDS DATA
18
RDS CLK
L-CH
R-CH
ERASE
R-CH
HRPE901
(REC/PB/ERASE)
REC/PB SWITCHING
IC602
R-CH
BIAS OSC
T601
BIAS
TRAP
REC BIAS
SWITCH
Q639 – 641
A+9V
BIAS OSC
Q642, 643
39
37
AIN (R)
BIN (R)
15
14
3 4
EQOUT (R)
5
PB OUT (R)
TAI (R)
MUTE
REC/PB EQ AMP, ALC
IC601
8
REC-
OUT (R)
REC-IN (R)
ALC (R)
10
R-CH
R-CH
C
MAIN
Section
MAIN
Section
MAIN
Section
PB
L-CH
B
TUNER
L-CH
D
REC
L-CH
68 TC BIAS-ON
SYSTEM CONTROLLER
IC300 (2/4)
• Signal Path
• R-ch is omitted due to same as L-ch.
: TUNER (FM/AM)
: TAPE PLAY
: REC
DO
CE
MUTING
TUNED
STEREO
RAS DATA
RAS DATA
RDS INT
RDS INT
DI
CLK
MUTE ON/OFF
REC MUTE ON/OFF
66 65
TC REC/MUTE
TC LINE MUTE
EQ
ALC
67
TC PB/REC
7
ANTENNA
61
TC ALC
11
ALC ON/OFF
SWITCHING
Q680, 681
70
CAPSTAN/REEL
MOTOR DRIVE
Q692, 694
71
90
69
91
TRIGGER
PLUNGER DRIVE
Q691, 693
MM
(TAPE DECK BLOCK)
(CAPSTAN/REEL)
TC CAPM-CONT
TC TRG
TC END SW
TC PLAY SW
TC HALF/REC/SW

Table of Contents

Related product manuals