EasyManua.ls Logo

Sony HCD-CPX11 - MAIN Section

Sony HCD-CPX11
78 pages
Print Icon
To Next Page IconTo Next Page
To Next Page IconTo Next Page
To Previous Page IconTo Previous Page
To Previous Page IconTo Previous Page
Loading...
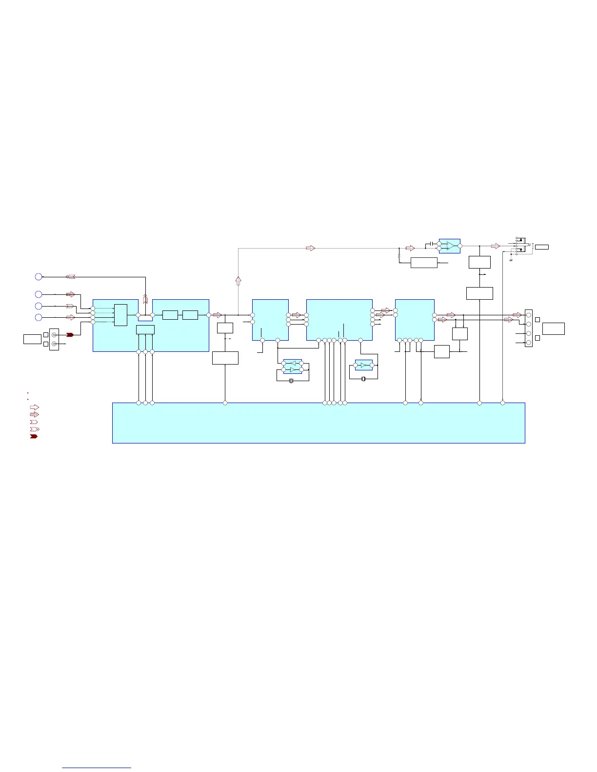
3030
HCD-CPX11
— MAIN SECTION —
RIPPLE FILTER
Q180, 181
HEADPHONE
MUTING
Q183
: TAPE PLAY
: REC
: CD PLAY
: TUNER (FM/AM)
75 55 57
100
HP DET
B
TUNER
L-CH
C
PB
L-CH
A
CD
L-CH
MAIN
Section
D
REC
L-CH
TUNER/TAPE DECK
Section
TUNER/TAPE DECK
Section
TUNER/TAPE DECK
Section
MUTING
Q151
J860
L
R
SPEAKER
IMPEDANCE
USE 4
R-CH
R-CH
J801
HEADPHONE AMP
IC102
R-CH
PD
+3.3v
A+28v
R-CH
PHONES
R-CH
J101
L
R
MD (VIDEO)
IN
EQ DATA
EQ CLK
EQ CE
59
LINE MUTE
MUTING
CONTROL SWITCH
Q121, 122
R-CH
TUNER +9V,
TC A+9V
58
HP MUTE
MUTING
CONTROL SWITCH
Q184, 185
Signal Path
: MD (VIDEO) IN
R-ch is omitted due to same as L-ch.
R-CH
X601
12.288MHz
18
DATA
17
BCK
16
LRCK
2
OUTL1
4
OUTL2
41
OUTR1
39
OUTR2
21
XFSIIN
DIGITAL AUDIO
SIGNAL PROCESSOR
IC600
1
LIN
2
RIN
12
DOUT
11
BCK
10
LRCK
7
PDWN
15
SCKI
42
SC DT
11
SCDT
43
SC SHIFT
12
SCSHIFT
44
SC LATCH
13
SCLATCH
45
NSP MUTE
14
NSPMUTE
46
INIT
15
INIT
A/D CONVERTER
IC603
CLOCK
BUFFER
IC604
CLOCK
BUFFER
IC610
INPUT SELECT SWITCH,
ELECTRICAL VOLUME,
TONE CONTROL
IC101
INPUT
SELECT
SWITCH
CD LCH
TC LCH
MD LCH
TUNER LCH
11
12
14
13
LCH
IN
LCH
SELO
LCH
OUT
30
1
EQ DATA
EQ CLK
2
EQ CE
CPU
INTERFACE
9
10 5
VOLUME
CONTROL
TONE
CONTROL
X602
49.152MHz
36
XFSOIN
6
INA
16
INB
9
OUTA
19
OUTB
POWER AMP
IC650
R-CH
R-CH
R-CH
41
ENA
7
ENA
VBBB
1711
ENB
40
DIAG
8
DIAGA
18
DIAGB
PROTECT
SWITCH
Q696
PROTECT
DETECT
Q691, 692
SYSTEM CONTROLLER
IC300(3/4)
7
6
1
2
6
5
7
2 4

Table of Contents

Related product manuals