EasyManua.ls Logo

Sony HCD-CPX11 - Schematic Diagram - PANEL Section

Sony HCD-CPX11
78 pages
Print Icon
To Next Page IconTo Next Page
To Next Page IconTo Next Page
To Previous Page IconTo Previous Page
To Previous Page IconTo Previous Page
Loading...
4343
HCD-CPX11
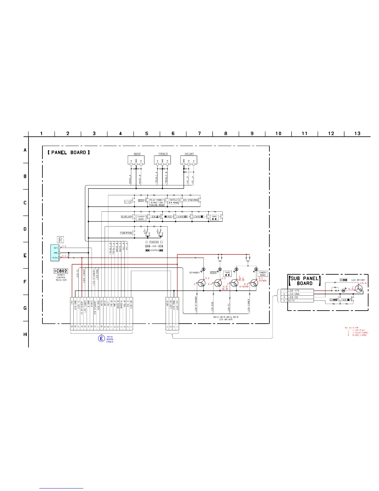
6-13. SCHEMATIC DIAGRAM — PANEL SECTION —
S801
S802
S803
S804
S805
S806
S809
S810
S811 S812 S813 S814
S815
R801 R802
R803 R804
R805
R806
R807 R808 R809 R810 R811
R812
Q813
Q812
Q816
Q818
D813
D818 D816
D812
R823
R821 R822 R828
R826
R813 R814
R815
R816
RV803
R825
C817
RV805 RV807
S808S807
IC802
CN801 CN802
S816 S817
R870 R871
R874
Q870
R876
R875
D870
NO803
C806C805 C807 C808
C804
C803
1k 2.2k
2.2k 4.7k
1k
2.2k
1k 2.2k 2.2k 4.7k 1 0k
22k
DTC114EKA
DTC114EKA
DTC114EKA
DTC114EKA
SEL5220S
SEL5921A SEL5921A
SEL5921A
470
470 470
470
470
100 100
100
100
VOL ENCODER
47
47
10V
ENCODER ENCODER
NJL24H400A
19P 4P
2.2k 4.7k
470
DTC114EKA
100
470
SEL5921A
4P
0.10.1 0.1 0.1
0.1
0.1
(Page 37)

Table of Contents

Related product manuals