EasyManua.ls Logo

Sony HCD-GN1300D - Schematic Diagram - DRIVER, MOTOR, SENSOR, SW Boards

Sony HCD-GN1300D
104 pages
Print Icon
To Next Page IconTo Next Page
To Next Page IconTo Next Page
To Previous Page IconTo Previous Page
To Previous Page IconTo Previous Page
Loading...
HCD-GN1300D
HCD-GN1300D
6464
1 2 3 4 5 6 7 8 9 10 11 14 1512 13
A
B
C
D
E
F
G
H
I
J
MAIN
BOARD
(3/5)
CN132
(Page 51)
3
0
0
9
9
0.1
0.1
0
0.2
0.2
9
9
0.1
0.1
3.3
0.1
R713
22k
R732
10k
R731
100
M+ 9V
GND
GND
LM-R
LM-F
TM-R
TM-F
E-1 (ROTARY ENCODER)
E-2 (ROTARY ENCODER)
E-3 (ROTARY ENCODER)
TBL ADDRESS SENS
D+ 3.3V
OUT (OPEN) SW
C731
10
50V
R733
1k
R734
12k
R736
390
R723
4.7k
R722
4.7k
R721
4.7k
C737
0.1
C736
0.1
C735
0.1
C741
0.01
CN702
5P
CN701
13P
W
0.1
32
1.2
3
2
2
54
3
2
5 4
3
2
4
3
2
4
3
2
2
2
2
2
5678910111213 4
3
M
M
C752
0.1
CN705
CN704
C751
0.01
R702
100
VREF
OUT2
RNF
OUT1
VM
VCC
FIN
GND
RIN
CN721
CN751
IC701
BA6956AN
LD MOTOR DRIVER
IC712
BA6956AN
TBL MOTOR DRIVER
Q731
DTC114ESA-TP
TBL ADDRESS
SENSE SWITCH
CN703
3P
TABLE ADDRESS SENSOR
IC731
RPI-579N1
CN731
SENS IN
SENS OUT
DGND
SENS IN
TM-1
TM-2
LM-2
LM-1
SENS OUT
DGND
E-3
E-2
E-1
GND
CN741
5P
2P
2P 2P
2P
4P 4P
CN742
R712
4.7k
R711
1k
R713
22k
D701
MTZJ-T-77-5.1A
D711
MTZJ-T-77-3.6B
M751
(LOADING)
M741
(TABLE)
CN711
S711
ROTARY ENCODER
DISC TRAY
ADDRESS DETECT
( )
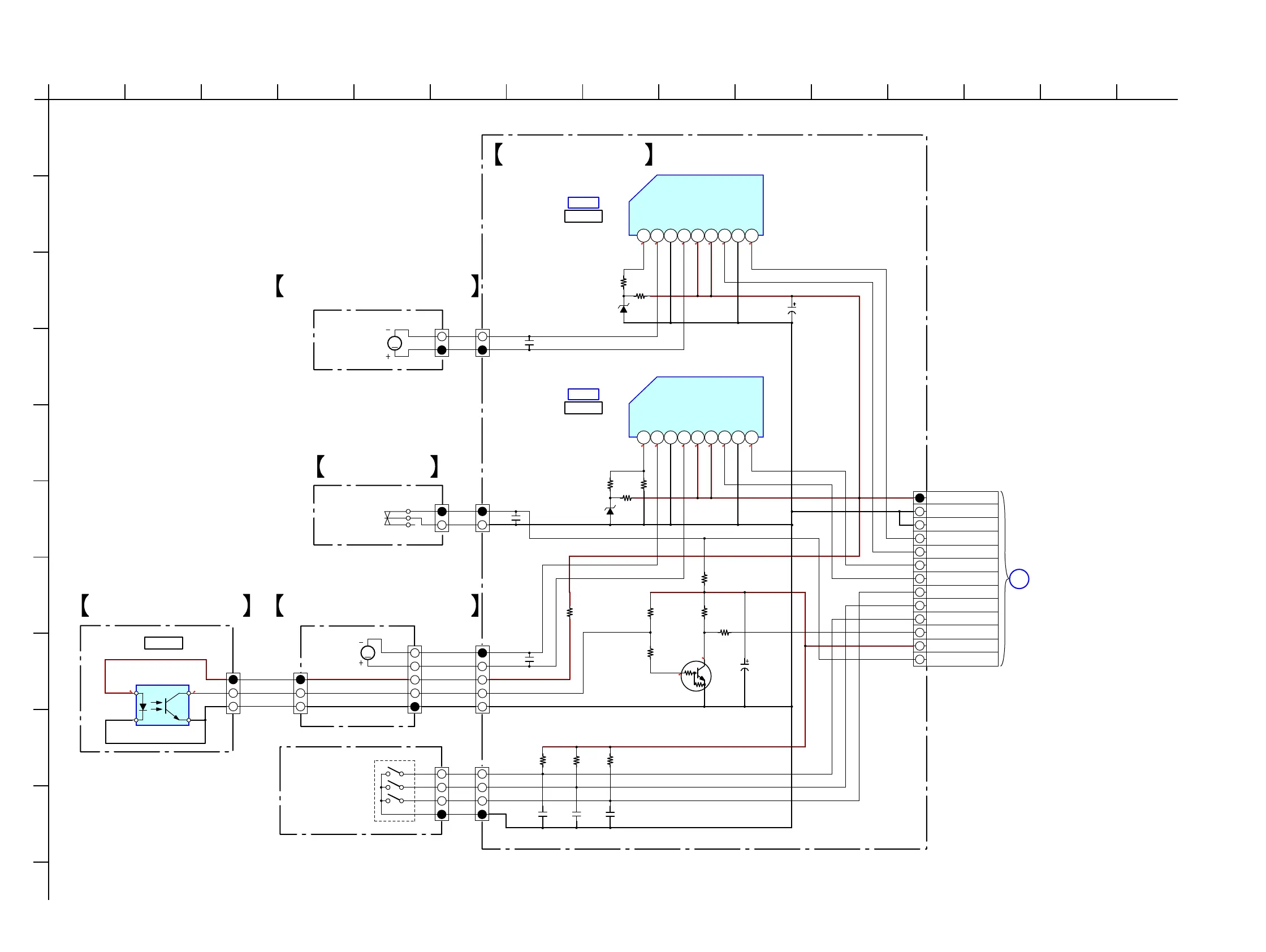
MOTOR (LD) BOARD
DRIVER BOARD
MOTOR (TB) BOARD
SW BOARD
SENSOR BOARD
IC701
IC B/D
IC712
IC B/D
IC731
S711
OPEN/CLOSE
DETECT
( )
R701
470
C715
100 16V
1 2 3 4 5 6 7 8 9
VREF
OUT2
RNF
OUT1
VM
VCC
FIN
GND
RIN
1 2 3 4 5 6 7 8 9
R751
4.7k
6-38. SCHEMATIC DIAGRAM – DRIVER BOARD –
• See page 25 for Block Diagrams. • See page 32 for Waveforms. • See page 67 for IC Block Diagrams.

Table of Contents

Related product manuals