EasyManua.ls Logo

Sony HCD-GN1300D - Schematic Diagram - VIDEO Board

Sony HCD-GN1300D
104 pages
Print Icon
To Next Page IconTo Next Page
To Next Page IconTo Next Page
To Previous Page IconTo Previous Page
To Previous Page IconTo Previous Page
Loading...
HCD-GN1300D
HCD-GN1300D
6161
1 2 3 4 5 6 7 8 9 10 11 14 1512 13
A
B
C
D
E
F
G
H
I
J
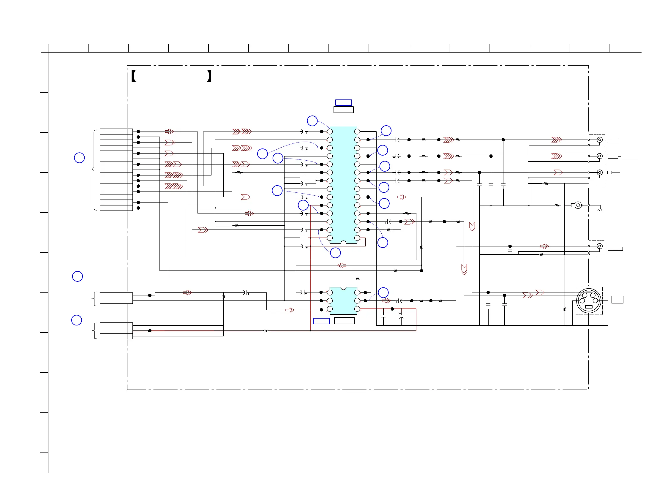
6-34. SCHEMATIC DIAGRAM – VIDEO BOARD – • See page 25 for Block Diagrams. • See page 32 for Waveforms. • See page 67 for IC Block Diagrams.
VIDEO BOARD
28
27
26
25
24
23
22
7
6
5
4
3
2
1
21
20
16
17
18
19
13
12
11
10
8
9
1514
MM1758AFBE
VIDEO AMP,
75 OHM DRIVER
IC1700
VCC1
C IN
MUTE1
CVBS IN
YC MIX
Y IN
GND1
BIAS
I/P
CY IN
CLP
CB IN
MUTE2
CR IN GND2
CR OUT
GND2
CB OUT
GND2
CY OUT
Y OUT
GND2
CVBS OUT
S2
S1
C OUT
S-DC OUT
VCC2
1
2
34
5
6
MM1508XNRE
VIDEO SELECTOR
IC1701
SW
OUT
VCCIN2
GND
IN1
50V
1
C1700
50V
1
C1701
50V
1
C1702
50V
1
C1705
50V
1
C1706
50V
1
C1707
0.1C1703
0.1
C1708
50V22C1704
100
R1700
100
R1719
100
R1714
10kR1701
10k
R1720
50V
0.1
C1716
6.3V
1000
C1712
6.3V
1000
C1713
6.3V
1000
C1714
6.3V
1000
C1715
75
R1702
75
R1704
75
R1706
75
R1708
0
R1709
0
R1711
0
R1716
75
R1710
75
R1715
75
R1713
50V
1
C1711
50V
1
C1710
0.01
C1718
16V
100
C1719
6.3V
1000
C1717
22p
50V 50V 50V
50V
50V 50V
C1721
22p
C1722
22p
C1723
3
4
1
2
GND
J1702
22p
C1725
22p
C1726
22p
C1727
1
2
3
4
5
6
7
8
9
10
11
12
13
14
15
15P
CN1700
VIDEO_MUTE
VIDEO_SW
RGBSEL
DSEL/DISCXEXT
Cr/R
WIDE
Cb/B
D-GND
Y/G
D-GND
Y
D-GND
C
D-GND
V
1
2
3
NO1702
3P
GND
5V
GND
1
2
NO1701
2P
VIDEO-SIGNAL
VIDEO GND
10V
100
C1709
75
R1712
TP1700
TP1701
TP1702
TP1703
TP1704
TP1705
TP1706
TP1707
TP1708
TP1710
TP1711
TP1712
TP1713
TP1755
TP1754
TP1753
TP1752
TP1751
TP1714
TP1715
TP1716
TP1717
TP1718
TP1719
TP1720
TP1721
TP1722 TP1723
TP1724
TP1725
TP1742
TP1727
TP1731
TP1733
TP1735
TP1737
TP1732
TP1734
TP1736
TP1738
TP1739
TP1740
TP1741
TP1746 TP1747
TP1743
TP1744
TP1749 TP1748
TP1745
TP1726
TP1728
TP1729
TP1730
TP1750
10uH
L1700
J1700
3P
J1701
1P
1
2
3
75
R1721
0
R1717
0
R1718
0
R1722
0
R1723
0
R1703
0
R1705
0
R1707
S-VIDEO
OUT
VIDEO OUT
COMPONENT
VIDEO OUT
1.3
1.3
5
1.3
2.4
2.4
2.4
0
0
0
4.9
4.9
2.4
3.3
1.5
4.9
1.7
2.4
3.5
1.5
2.4
3.3
2.4
2.1
2.1
2
PR / CR
PB / CB
Y
DMB 18
BOARD
(1/5)
CN301
(Page 35)
CONNECTOR
BOARD
CN1601
(Page 66)
MAIN BOARD
(3/5)
CN133
(Page 51)
V
0
0
E
(CHASSIS)
ET1700
IC1700
IC B/D
IC1701
IC B/D
T
Q
F
6
5
4
3
2
1
13
12
11
10
9
8
7

Table of Contents

Related product manuals