EasyManua.ls Logo

Sony HCD-GNV99D - Schematic Diagram - DMB10 Board (4;4)

Sony HCD-GNV99D
102 pages
Print Icon
To Next Page IconTo Next Page
To Next Page IconTo Next Page
To Previous Page IconTo Previous Page
To Previous Page IconTo Previous Page
Loading...
4141
HCD-GNV99D/GNV111D
HCD-GNV99D/GNV111D
1
DMB10
BOARD
(Page 39)
(2/4)
11
DMB10
BOARD
(Page 39)
(2/4)
13
15
DMB10
BOARD
(Page 38) (Page 39) (Page 40)
(2/4)(1/4) (3/4)
DMB10
BOARD
(Page 38) (Page 39) (Page 40)
(2/4)(1/4) (3/4)
8
DMB10
BOARD
(Page 39)
(2/4)
9
DMB10
BOARD
(Page 39)
(2/4)
6
D
5
DMB10 BOARD (2/4)
(Page 39)
DMB10 BOARD (2/4)
(Page 39)
DMB10 BOARD (2/4)
(Page 39)
14
DMB10
BOARD
(Page 39)
(2/4)
12
MAIN
BOARD
(Page 49)
(5/5)
4.3
1.4
2.1
2.1
0.3
4.9
1.4
2.9
2.9
1.7
9
9
4.3
1.4
1.1
0
3.3
3.3
3.3
3
9
4.3
4.3
4.8
3.5
1.4
1.4
1.4
1.4
3.3
3.3
2.2
1.4
1.4
1.4
1.4
4.4
4.2
3.3
5.3
JL205
C217
C218
C220
CN201
R247
R246
R204
R207
C203
R205
R210
C208
R216
R213
R206
R209
C206
R215
R212
R208
C205
R214
R220
C233
C209
R221
R223
R225
C211
R226
C214
C212
R230
R231
R232
R234
C215
R233
C219
C224
C221
C222
R219
R224
C210
R2504
C213
IC201
47
16V
10
16V
10
16V
6P
1k
4.7k
1.2k
2.7k
0.01
10k
47k
0.01
12k
6.8k
10k
33k
220p
12k
10k
33k
220p
15k
10k
0.0047
0.033
56k
100k
100k
0.033
56k
0.001
0.01
82k
15k
18k
10k
0.01
33k
0.01
0.01
0.1
0.1
27k
10k
0.01
0.01
FAN8036L
4.7k
C402
C403
FL402
FB401
FB402
FL401
FB403
FB404
FB405
FB406
FL403
CN401
47
16V
47
6.3V
0UH
EMI
0UH
0UH
0UH
0UH
0UH
0UH
0UH
5P
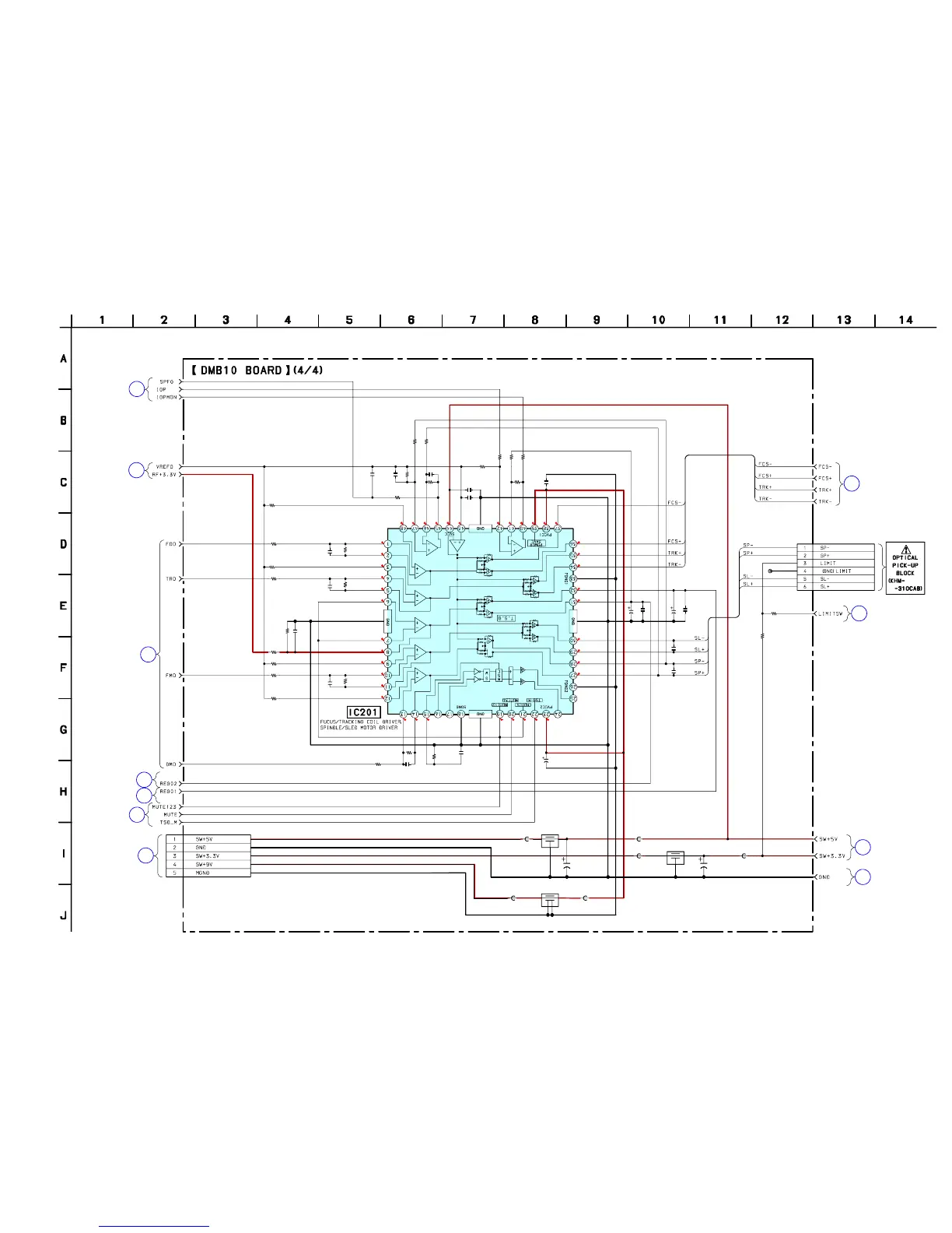
7-12. SCHEMATIC DIAGRAM – DMB10 BOARD (4/4) –

Table of Contents

Related product manuals