EasyManua.ls Logo

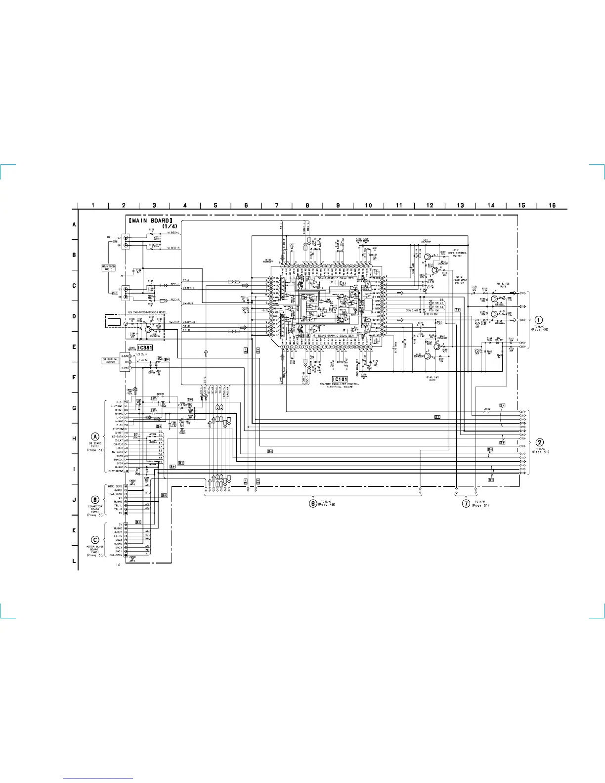
Sony HCD-GRX30 - 7-12. Schematic Diagram - Main Section (1;4)

Sony HCD-GRX30
68 pages
Print Icon
To Next Page IconTo Next Page
To Next Page IconTo Next Page
To Previous Page IconTo Previous Page
To Previous Page IconTo Previous Page
Loading...
HCD-GRX30/GRX30J/R550/RXD5
7-12. SCHEMATIC DIAGRAM — MAIN SECTION (1/4) —
— 45 — — 46 —
J191
SUPER
WOOFER
MICROPROC.
INTERFACE

Related product manuals