EasyManua.ls Logo

Sony HCD-GRX30 - 8-7. Tape Mechanism Deck Section 1

Sony HCD-GRX30
68 pages
Print Icon
To Next Page IconTo Next Page
To Next Page IconTo Next Page
To Previous Page IconTo Previous Page
To Previous Page IconTo Previous Page
Loading...
— 76 —
401
402
402
403
403
404
404
405
405
411
413
406
406
407
408
408
407
HRPE101
HP101
409
410
412
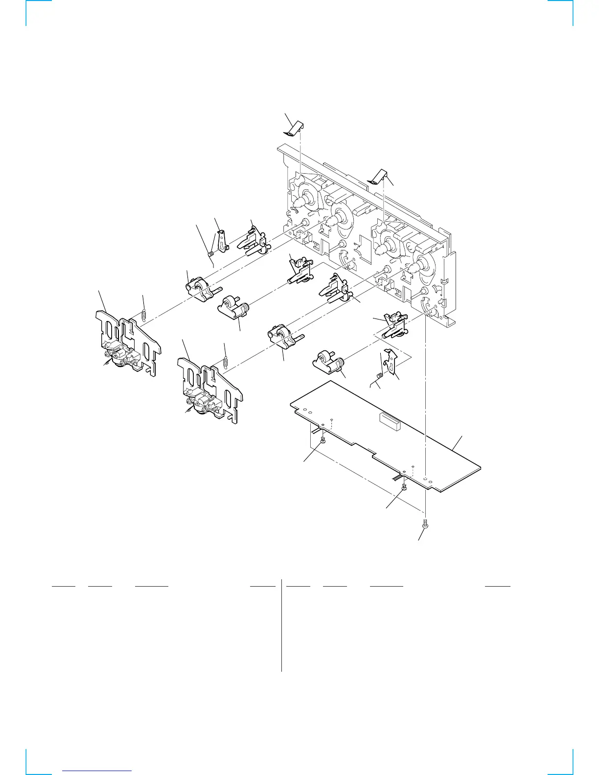
401 3-376-464-11 SCREW(+PTT 2.6 × 6),GROUND POINT
402 3-911-116-42 RIVET, PUSH
403 3-016-574-11 SPRING (HEAD), TENSION
404 X-3374-156-4 PINCH LEVER (REV) ASSY
405 X-3374-155-4 PINCH LEVER (FWD) ASSY
406 3-016-564-01 BASE (PINCH LEVER FWD)
407 3-016-565-01 BASE (PINCH LEVER REV)
408 3-026-892-01 SPRING (CASSETTE), LEAF
* 409 A-2007-731-A AUDIO BOARD, COMPLETE
410 3-016-572-01 LEVER (EJECT PREVENTION L)
411 3-016-573-01 LEVER (EJECT PREVENTION R)
412 3-032-809-02 SPRING (L), TORSION
413 3-032-810-02 SPRING (R), TORSION
HP101 A-2056-681-C DECK (A) ASSY, HEAD
HRPE101A-2056-682-C DECK (B) ASSY, HEAD
Ref. No. Part No. Description Remarks Ref. No. Part No. Description Remarks
8-7. TAPE MECHANISM DECK SECTION-1
(TCM-230AWR2)

Related product manuals