EasyManua.ls Logo

Sony HCD-LV80 - Schematic Diagram - Deck Section

Sony HCD-LV80
92 pages
Print Icon
To Next Page IconTo Next Page
To Next Page IconTo Next Page
To Previous Page IconTo Previous Page
To Previous Page IconTo Previous Page
Loading...
HCD-LV80
30
30
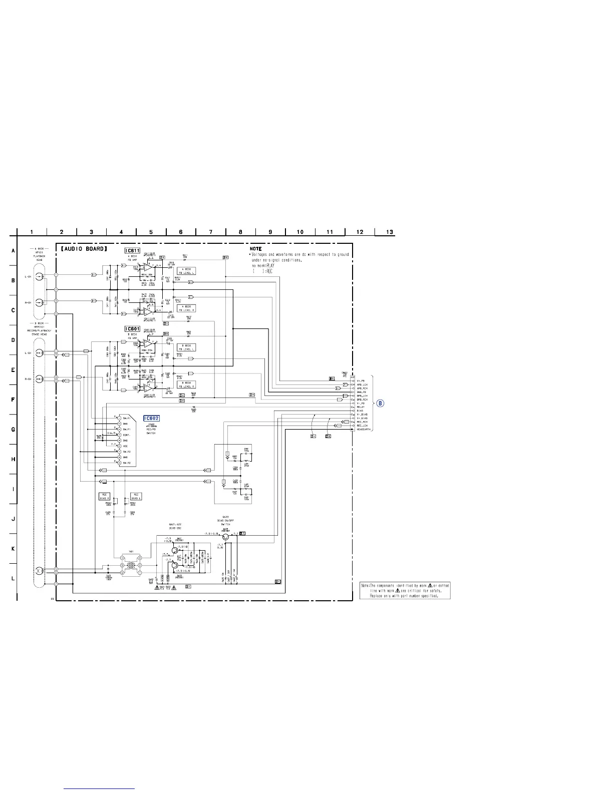
7-5. SCHEMATIC DIAGRAM DECK SECTION
See page 54 for IC Block Diagrams.
(Page 38)

Table of Contents

Related product manuals