EasyManua.ls Logo

Sony HCD-SX7 - Page 2

Sony HCD-SX7
86 pages
Print Icon
To Next Page IconTo Next Page
To Next Page IconTo Next Page
To Previous Page IconTo Previous Page
To Previous Page IconTo Previous Page
Loading...
HCD-SX7/SX7B
2
NOTES ON CHIP COMPONENT REPLACEMENT
Never reuse a disconnected chip component.
Notice that the minus side of a tantalum capacitor may be dam-
aged by heat.
FLEXIBLE CIRCUIT BOARD REPAIRING
Keep the temperature of soldering iron around 270 °C during
repairing.
Do not touch the soldering iron on the same conductor of the
circuit board (within 3 times).
Be careful not to apply force on the conductor when soldering
or unsoldering.
SAFETY CHECK-OUT
After correcting the original service problem, perform the follow-
ing safety check before releasing the set to the customer:
Check the antenna terminals, metal trim, “metallized” knobs,
screws, and all other exposed metal parts for AC leakage.
Check leakage as described below.
LEAKAGE TEST
The AC leakage from any exposed metal part to earth ground and
from all exposed metal parts to any exposed metal part having a
return to chassis, must not exceed 0.5 mA (500 microamperes.).
Leakage current can be measured by any one of three methods.
1. A commercial leakage tester, such as the Simpson 229 or RCA
WT-540A. Follow the manufacturers’ instructions to use these
instruments.
2. A battery-operated AC milliammeter. The Data Precision 245
digital multimeter is suitable for this job.
3. Measuring the voltage drop across a resistor by means of a
VOM or battery-operated AC voltmeter. The “limit” indication
is 0.75 V, so analog meters must have an accurate low-voltage
scale. The Simpson 250 and Sanwa SH-63Trd are examples
of a passive VOM that is suitable. Nearly all battery operated
digital multimeters that have a 2 V AC range are suitable. (See
Fig. A)
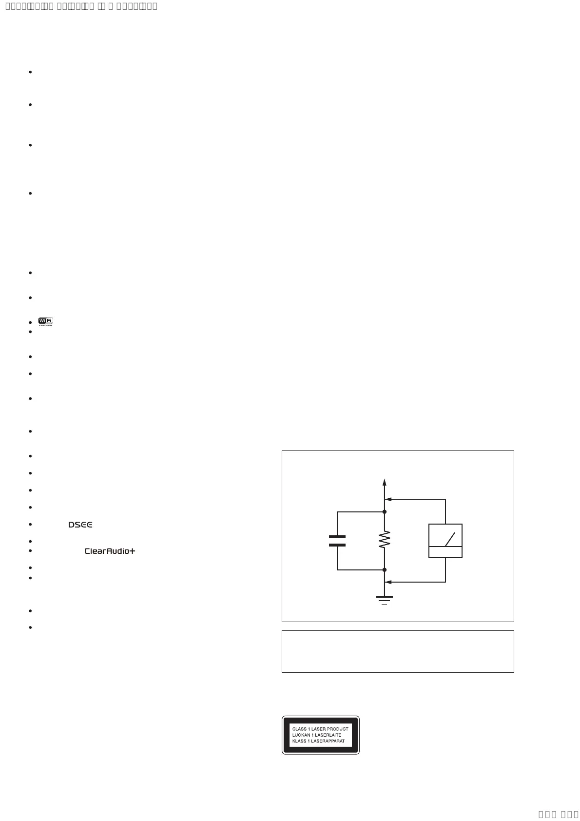
1.5 kΩ0.15 μF
AC
voltmeter
(0.75 V)
To Exposed Metal
Parts on Set
Earth Ground
Fig. A. Using an AC voltmeter to check AC leakage.
CAUTION
Use of controls or adjustments or performance of procedures
other than those speci ed herein may result in hazardous radia-
tion exposure.
Trademarks, etc.
Windows, the Windows logo, and Windows
Media are either registered trademarks or
trademarks of Microsoft Corporation in the
United States and/or other countries.
This product is protected by certain intellectual
property rights of Microsoft Corporation. Use or
distribution of such technology outside of this
product is prohibited without a license from
Microsoft or an authorized Microsoft subsidiary.
Apple, the Apple logo, AirPlay, iPad, iPhone,
iPod, iPod classic, iPod nano, iPod touch, iTunes,
Mac and OS X are trademarks of Apple Inc.,
registered in the U.S. and other countries. iPad
Air and iPad mini are trademarks of Apple Inc.
App Store is a service mark of Apple Inc.
“Made for iPod,” “Made for iPhone,” and “Made
for iPad” mean that an electronic accessory has
been designed to connect specically to iPod,
iPhone or iPad, respectively, and has been
certied by the developer to meet Apple
performance standards. Apple is not responsible
for the operation of this device or its compliance
with safety and regulatory standards. Please
note that the use of this accessory with iPod,
iPhone or iPad may aect wireless performance.
Wi-Fi®, Wi-Fi Protected Access® and Wi-Fi
Alliance® are registered marks of the Wi-Fi
Alliance®.
Wi-Fi CERTIFIED™, WPA™, WPA2™ and Wi-Fi
Protected Setup™ are marks of the Wi-Fi
Alliance®.
” is a mark of the Wi-Fi Alliance.
DLNA™, the DLNA Logo and DLNA CERTIFIED™
are trademarks, service marks, or certication
marks of the Digital Living Network Alliance.
“WALKMAN” and “WALKMAN” logo are
registered trademarks of Sony Corporation.
MPEG Layer-3 audio coding technology and
patents licensed from Fraunhofer IIS and
Thomson.
The BLUETOOTH® word mark and logos are
registered trademarks owned by BLUETOOTH
SIG, Inc. and any use of such marks by Sony
Corporation is under license.
The N-Mark is a trademark or registered
trademark of NFC Forum, Inc. in the United
States and in other countries.
Android and Google Play are trademarks of
Google Inc.
Google Cast™ and the Google Cast Badge are
trademarks of Google Inc.
“Xperia” and “Xperia Tablet” are trademarks of
Sony Mobile Communications AB.
LDAC™ and LDAC logo are trademarks of Sony
Corporation.
“DSEE” and are trademarks of Sony
Corporation.
“S-Master” is a trademark of Sony Corporation.
ClearAudio+ and are
trademarks of Sony Corporation.
AOSS is a trademark of BUFFALO INC.
This product incorporates Spotify software
which is subject to 3rd party licenses found here:
https://developer.spotify.com/esdk-third-party-
licenses/
Spotify and Spotify logos are trademarks of the
Spotify Group.
The system names and product names indicated
in this manual are generally the trademarks or
registered trademarks of the manufacturer.
™ and ® marks are omitted in this manual.
CAUTION
T
he use of optical instruments with this product
will increase eye hazard.
T
his appliance is classied as a CLASS 1 LASER
product. This marking is located on the rear
exterior.
SYSSET
2020/02/2722:53:44(GMT+09:00)

Table of Contents

Related product manuals