EasyManua.ls Logo

Sony RMT-D128A - Audio Block Diagram

Sony RMT-D128A
115 pages
Print Icon
To Next Page IconTo Next Page
To Next Page IconTo Next Page
To Previous Page IconTo Previous Page
To Previous Page IconTo Previous Page
Loading...
DVP-NS400D
3-11 3-12
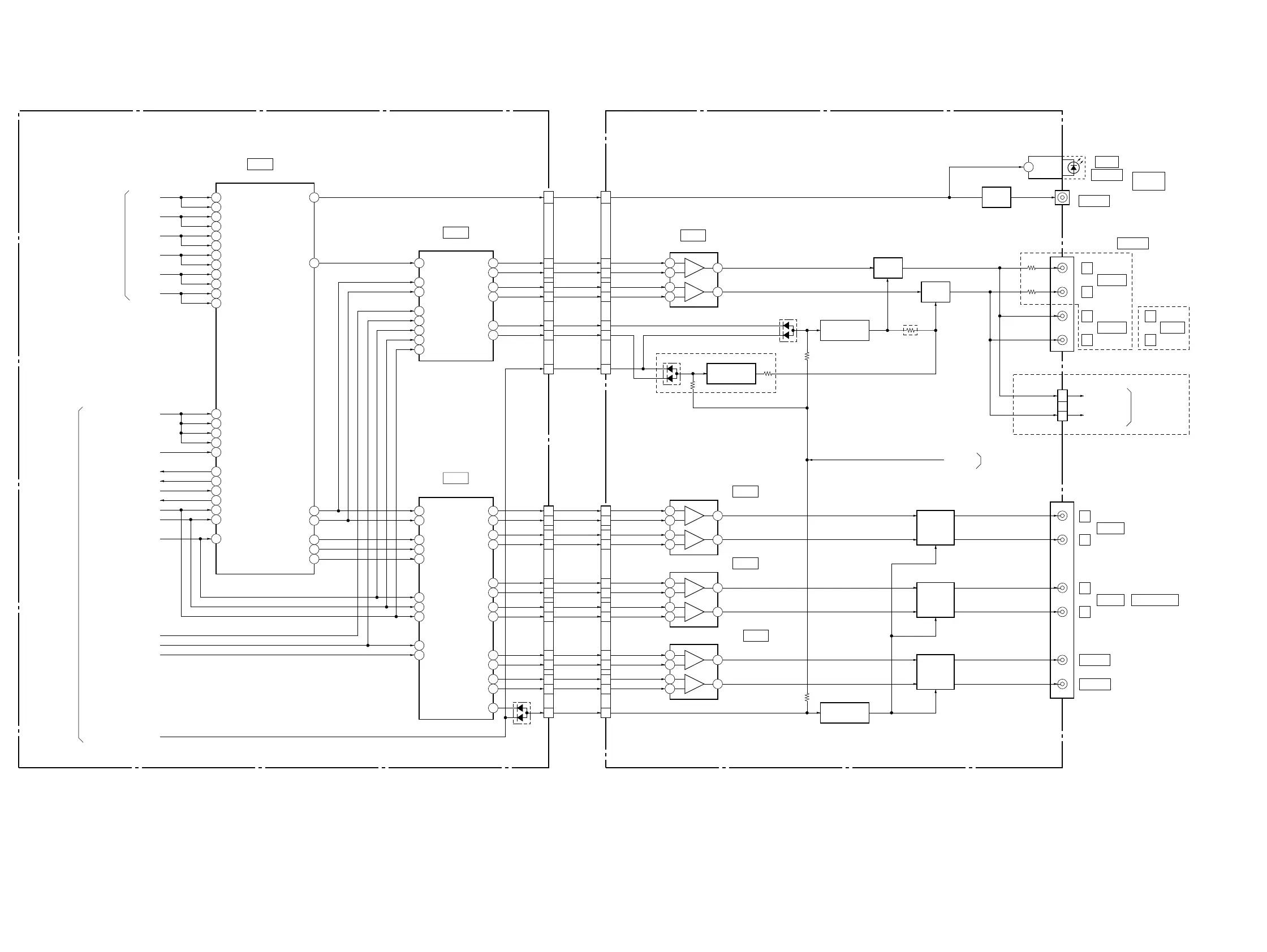
3-6. AUDIO BLOCK DIAGRAM
3
2
5
6
12
6
11
10
9
IC202
AUDIO AMP
5
9
2
IC803
AUDIO D/A CONVERTER
IC802
AUDIO D/A CONVERTER
9
CN203 (2/2)
SDTI1
SDTI
BICK
LRCK
AOUTL+
AOUTL
AOUTR+
AOUTR
16
15
DZFL
DZFR
26
25
24
23
LOUT1+
LOUT1
ROUT1+
ROUT1
22
21
20
19
LOUT2+
LOUT2
ROUT2+
ROUT2
18
17
16
15
LOUT3+
LOUT3
ROUT3+
ROUT3
DZF
J302
SYSTEM
CONTROL
(SEE PAGE 3-8)
SIGNAL PROCESSOR
(SEE PAGE 3-6)
VIDEO
(SEE PAGE 3-9)
INTERFACE
CONTROL
(SEE PAGE 3-13)
ALT+
05
J101 (2/2)
3
BICK2
LRCK4
MCLK1
CSN6
PDN5
CCLK7
CDTI8
7 SDTI2
8 SDTI3
3 PDN
11 CCLK
12 CDTI
10 CSN
4 MCLK
17
CN801 (3/3)
CN301
CN802
11
ALT
15
5
ART+
21
3
ART
23
4
LMUTE
22
6
RMUTE
20
2
MAMUTE
24
9
LOUT1+
7
11
LOUT1
5
5
ROUT1+
11
3
ROUT1
13
14
LOUT2+
2
12
LOUT2
4
15
ROUT2+
1
13
ROUT2
3
4
LOUT3+
12
2
LOUT3
14
8
ROUT3+
8
10
ROUT3
6
1
MA 6CH MUTE
15
MB-98 BOARD (4/4)
(SEE PAGE 4-25 to 4-28)
AI-23 BOARD (2/3)
(SEE PAGE 4-33 to 4-36)
US, CND, E,
MX, AR, BR
US, CND, E, MX,
AR, BR
AEP, UK
AEP, UK
AEP, UK
5.1CH OUTPUT
10
IC203
OPTICAL
DIGITAL
OUT
COAXIAL
SPDIF
J201
16
CN102 (2/2)
ERAUDIOL
A MUTE
ERAUDIOR
2
5
CDDOUT
1
D IN
Abbreviation
AR : Argentina
BR : Brazilian
CND : Canadian
MX : Mexican
45
48
10
IC701
AUDIO DSP
DSP1DII
DSP2DO
DSP2CH12O
49DSP2CH34O
50DSP2CH56O
51DSP2CH78O
43DSP2BCKO
42DSP2LRCKO
32 DSP2DII
ACH12
160 DSP1CH12I
56 DSP2CH12I
ACH34
159 DSP1CH34I
57 DSP2CH34I
ACH56
158 DSP1CH56I
58 DSP2CH56I
LRCK
161 DSP1LRCKI
55 DSP2LRCKI
BCK
147 DSP1BCKI
512FS39
149 DSP1ACKI
X39CS/XVESCS
118 SH CSNI
X39IT/TSENSU/OTASUKE
107 CMD ACKNO
CMDREQ/TSENSD/CLPBSY
108 CMD REQNO
SI1
119 SH SOO
SO1
117 SH SII
SC1
115 SH CLKI
RESET IN
27M39
22 SCLKI
69
XRST
6
512FS2CH
XDACS
512FS6CH
MAMUTE
DSP2BCKI
34 DSP2DIACKI
67 DSP2ACKI
8 DSP1DIACKI
D801
D202
Q201
BUFFER
Q207
MUTE
Q206
MUTE
1
7
+
+
5
6
3
2
IC302
5.1CH FRONT
AUDIO AMP
7
1
+
+
5
6
3
2
IC303
5.1CH REAR
AUDIO AMP
7
1
+
+
5
6
3
2
IC304
5.1CH CENTER/WOOFER
AUDIO AMP
7
1
+
+
D203
Q202, 204, 205
MUTE DRIVE
Q302 304
MUTE DRIVE
Q208 210
MUTE DRIVE
Q305, 306
MUTE
Q307, 308
MUTE
Q309, 310
MUTE
L
FRONT
R
REAR
L
R
CENTER
WOOFER
L
R
AUDIO 1
LINE OUT
AUDIO 2
L
R
AUDIO
R
L

Table of Contents

Related product manuals