EasyManua.ls Logo

Sony RMT-D128A - Page 71

Sony RMT-D128A
115 pages
Print Icon
To Next Page IconTo Next Page
To Next Page IconTo Next Page
To Previous Page IconTo Previous Page
To Previous Page IconTo Previous Page
Loading...
DVP-NS400D
NO MARK: E-E MODE
B+
B+
B+
B+
B+
B+
B+
B+
B
B+
B+
B
B+
B+
3.4
3.5
4.2
3.5
4.1
3.5
5.1
5.8
5
2.1
3.6
11.111.1
10.3
2.1
2.8
2.1
2.1
2.8
0.6
0.1
3.2
4.813.6
3.7
5.8
3.7
2.5
0.1
165.5
5.8
5.8
0
1
2
3
4
5
6
7
8
9
10
11
12
13
P-DET
P-CONT
EVER11V
M_GND
M_GND
SW+11V
SW+11V
SW+3.3V
D_GND
D_GND
EVER+3.3V
+5V
EVER+11V
CN920
13P
C947
0.1u
50V
C944
0.1u
50V
C954
0.1u
50V
C943
0.1u
50V
R925
47
D931
IN4001
Q929
2SC1740SLN-TP-RS
LED DRIVE
D930
IN4001
R926
1k
Q928
DTA114GSTP
LED DRIVE
D929
SPR-325MVW
(ON/STANDBY)
R927
15k
R937
Q930
DTC114ESA-TP
POWER CONTROL
R949
22k
+
C929
100u
25V
PS922
1A
Q927
2SC4040-TL2-R
B+ SWITCH
D925
MTZJ-4.3A
D933
IN4001
D932
IN4001
Q924
2SC4040-TL2-R
B+ SWITCH
+
C941
470u
25V
R938
150
R940
220
Q925
2SC4040-TL2-R
B+ SWITCH
R934
150
R948
1k
+
C936
47u
25V
C926
0.1u
50V
+
C930
10u
50V
D927
IN4001
D926
IN4001
D928
IN4001
+
C924
470u
25V
PS923
1.25A
L923
11.3uH
+
C927
1000u
16V
L922
11.3uH
+
C925
100u
25V
Q922
DTC114ESA-TP
B+ SWITCH
R932
100k
+
C934
10u
50V
R933
6.8k
R935
33
Q923
2SB733-4
B+ SWITCH
R931
390 1W
R930
10k
+
C940
470u
25V
L921
11.3uH
+
C921
470u
25V
R936
6.8k
L924
11.3uH
+
C931
100u
25V
T910
D923
UF4003
D922
UF5402G
D921
UF4003
D920
UF202G
PC910
PC123FY2
3
2
1
K
A
REF
IC920
TL431A
R928
6.8k
R924
11.5k
C920
0.1u
50V
C922
4700p
R923
11k
R921
1k
D911
IN4001
PC911
PC123FY2
R947
220
+
C914
10u
50V
C916
0.01u
400V
L
F
X
C
D
S
R911
6.8
C913
47u
25V
++
C912
0.1u
50V
IC910
TOP-244Y
C917
4700P
R917
22k
C911
0.01u
400V
D913
P6KE200A
D910
UF4007
C910
150u
200V
++
C901
2200p
250V
D902
IN4007
D901
IN4007
SW911
D903
IN4007
D904
IN4007
C903
330p
250V
C902
330p
250V
R900
1M
1/2W
LF900
23mH
C900
0.1u
250V
F900
2A/125V
ET902
ET901
R922
100
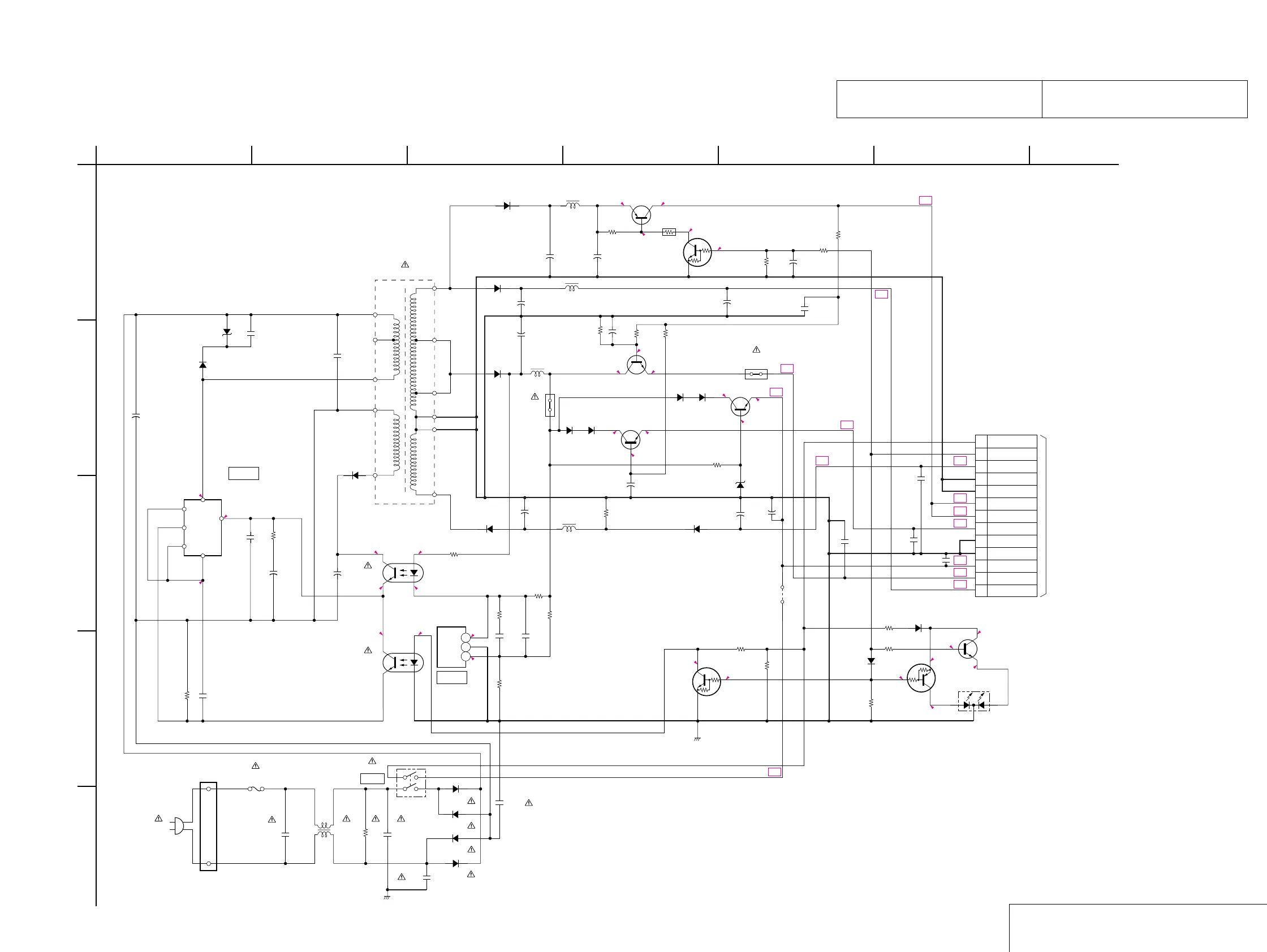
AI-23 BOARD(4/4)
(SEE PAGE 4-37)
IC920
SHUNT REG
IC910
DC CONTROL
TOP-244U BOARD
1
B
C
D
E
2 3 4 5 6 7
05
A
POWER
CN101 2P
1
2
AC IN
4-57 4-58 E
TOP-244U (SWITCHING REGULATOR) SCHEMATIC DIAGRAM
Ref. No.: TOP-244U board; 6,000 series
– US, CND –
The components identified by mark 0 or dotted
line with mark 0 are critical for safety.
Replace only with part number specified.
Les composants identifiés par une marque 0 sont
critiques pour la sécurité. Ne les remplacer que
par une pièce portant le numéro spécifié.
SWITCHING REGULATOR
TOP-244U

Table of Contents

Related product manuals