EasyManua.ls Logo

Sony SA-NT5 - Display and IR Section Schematics; Display Board Schematic; SIRCS and Repeater Board Schematics

Sony SA-NT5
74 pages
Print Icon
To Next Page IconTo Next Page
To Next Page IconTo Next Page
To Previous Page IconTo Previous Page
To Previous Page IconTo Previous Page
Loading...
HT-NT5
HT-NT5
5757
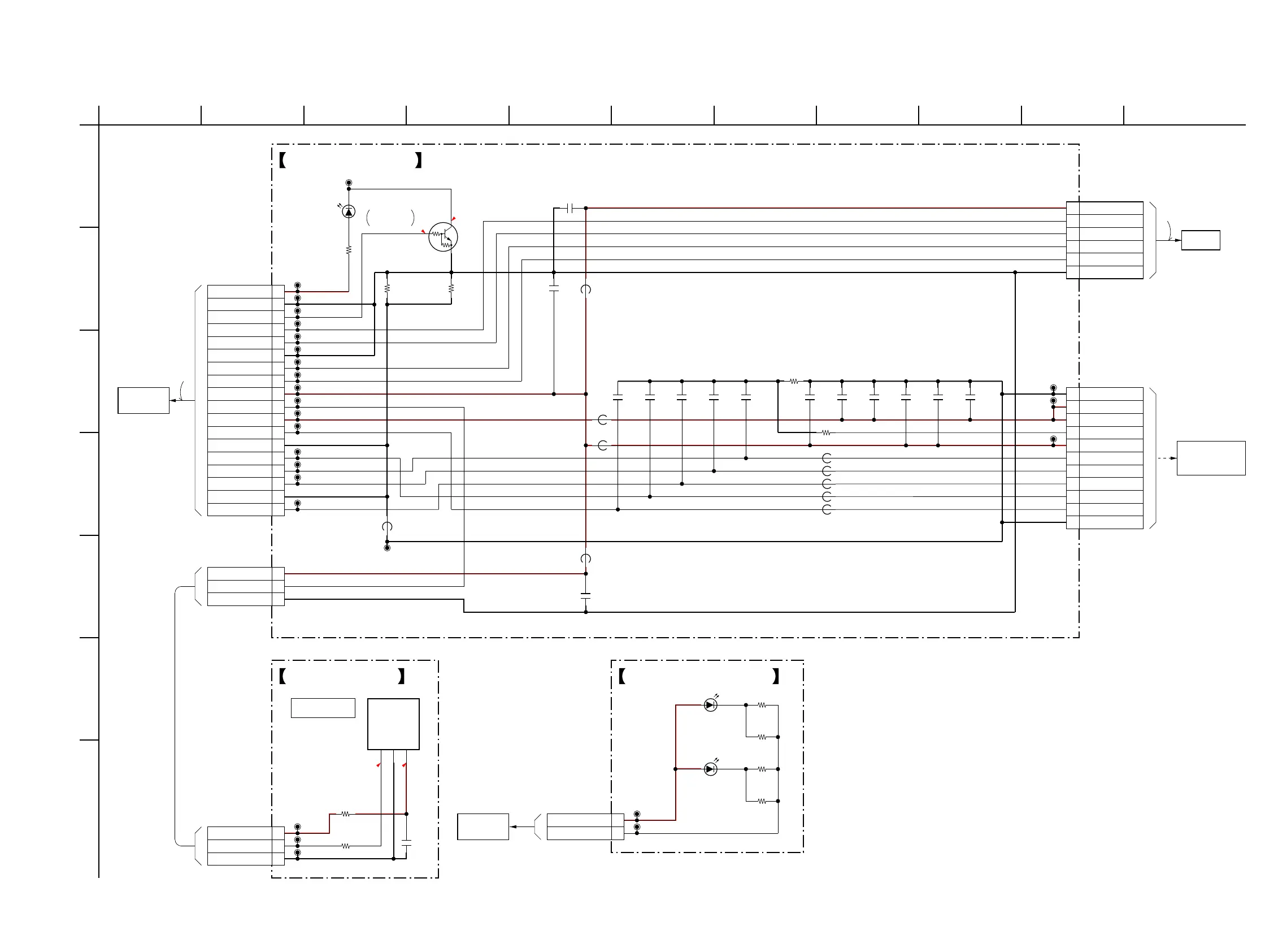
5-19. SCHEMATIC DIAGRAM - DISPLAY/IR Section -
4.4
0
2.3
3.2
JL1301
CN1302
11P
1 O-LED_IXS
2
O-LED_CLK
3
O-LED_DOUT
4
O-LED_DC
5
O-LED_CSB
6
O-LED_RESET
7
UNSW3.3V
8
O-LED_IREF
9
VCC12V
10
VCC12V
11
O-LED_GND
0.1
C1303
10
C1305
0.1
C1304
JL1307
JL1310
JL1308
6P
CN1301
1
2
3
4
5
6
3P
CN1304
1E3.3V
2SIRCS
3DGND
CN1303
18P
LED_5V
1
LED_GND
2
LED_BT
3
TS_INT
4
TS_SCL
5
TS_GND 6
TS_SDA
7
TS_PCONT
8
UNSW3.3V
9
SIRCS
10
OLED_12V
11
OLED_CLK
12
OLED_GND
13
OLED_DAT
14
15
OLED_RST
16
OLED_CS
17
OLED_GND
18
OLED_A0(DS)
CL1316
CL1317
CL1315
CL1309
CL1310
CL1311
CL1313
CL1314
CL1312
CL1306
CL1307
CL1308
CL1305
CL1303
CL1304
CL1301
0
R1311
0
R1310
10
C1311
R1303
120 LTC023JUBFS8TL
Q1301
CL-194S-HB8SP-SD-T
D1301
FB1305
CL1302
FB1301
0.1
C1312
FB1304
0.1
C1313
FB1302
C1306
100p
R1313
0
FB1303
39kR1309
R1305
R1306
R1307
R1308
R1304
DISPLAY BOARD
FFC2
(6/6)
BOARD
MB-1509
LED DRIVE
CN1901
FFC4
>01S
TOUCH
BOARD
E3.3V
INT
SCL
SDA
PCONT_TS
DGND
ORGANIC EL
INDICATOR ELEMENT
OLED1
1
C
D
6
E
2
B
3
A
45 78
C1307
100p
C1308
100p
C1309
100p
C1310
0.1
10
C1314
0.022
C1315
0.022
C1316
BLUETOOTH
INDICATOR
11109
3P
CN891
1E3.3V
2
3DGND
JL892
JL891
JL893
PNA4823M01S0
IC891
VO
1
GND
2
VCC
3
47
R891
47
R892
10
C891
IC891
REMOTE CONTROL
SIRCS BOARD
RECEIVER
SIRCS
2P
CN1100
UNSW3.3V 1
IR_REP2 2
SIM-013ST
D1100
SIM-013ST
D1101
150
R1102
150
R1101
150
R1103
150
R1100
CL1100
CL1101
REPEATER BOARD
BOARD
MB-1509
(5/6)
(IR TRANSMITTER)
(IR TRANSMITTER)
F
G
(Page 55)

Table of Contents

Related product manuals