EasyManua.ls Logo

Sony STR-DA5300ES - Schematic Diagram - S-VIDEO Board

Sony STR-DA5300ES
260 pages
Print Icon
To Next Page IconTo Next Page
To Next Page IconTo Next Page
To Previous Page IconTo Previous Page
To Previous Page IconTo Previous Page
Loading...
STR-DA5300ES
109109
STR-DA5300ES
(Page 111)
(Page 105)
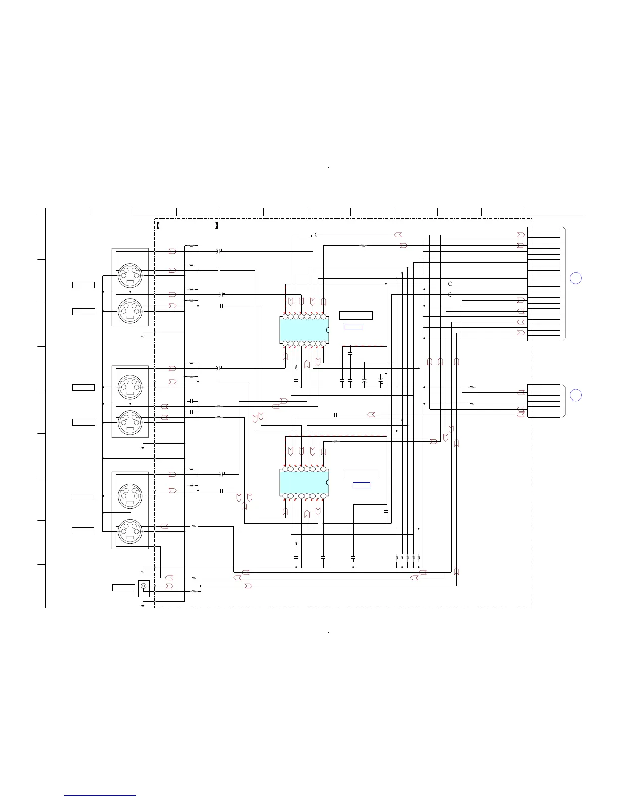
6-77. SCHEMATIC DIAGRAM – S-VIDEO Board –
• See page 127 for IC Block Diagrams.
IC B/D
IC B/D
AZ
CN724
BOARD
VIDEO3
CA
(2/4)
BOARD
A-VIDEO
CN6509
-4.90
0
0
0
0
4.2
0
0
4.8
0
0
0
0
4.9
0
0
0
4.2
4.9
0
0
0
4.8
0
-4.9
0
0
0
0
1
3
4
5
6
7
7P
CN6904
V-GND
VIDEO3-V
VIDEO3-SCD
V-GND
VIDEO3-Y
VIDEO3-C
3
4
1
2
7
6
9
8
J6901
J6902
J6903
3
4
1
2
7
6
9
8
NJM2595M-TE2
IC6902
M.OUT
SW5
TV
SW3
LD
SW4
V3
VEE
V2.IN
SW2
V2.OUT
GND
V1.IN
SW1
V1.OUT
VCC
J6904
0
R6912
1
2
3
4
5
6
7
8
9
10
11
12
13
14
15
16
17
18
19
20
21
21P
CN6903
NC
MONITOR-C/IN
GND
MONITOR-Y/IN
GND
VSEL1
VSEL2
VSEL3
VSEL4
VSEL5
-5V
GND
+5V
VIDEO3-V
GND
UPCON-Y/IN
GND
UPCON-C/IN
GND
CAMERA IN
GND
0
R6911
75
R6909
75
R6904
75
R6903
75
R6908
75
R6902
75R6907
75
R6901
75
R6906
0.1
C6907
50V
10
C6906
0.1
C6909
50V
10
C6908
50V
10
C6910
0.1
C6911
0.1
C6913
50V
10
C6912
75
R6910
2200p
C6917
2200p
C6918
2200p
C6919
2200p
C6920
0.1
C6921
0.1
C6922
25V
47
C6924
25V
47
C6923
100k
R6922
100k
R6923
100k
R6924
100k
R6925
100k
R6926
50V
10
C6916
75
R6915
75
R6916
0.1
C6915
R6927
0
R6928
0
47p
C6902
47pC6904
FB6901
FB6902
75
R6929
75
R6930
75
R6931
75
R6932
47p
C6925
47p
C6926
3
4
1
2
7
6
9
8
161514131211109
87654321
161514131211109
87654321
NJM2595M-TE2
IC6901
M.OUT
SW5
TV
SW3
LD
SW4
V3
VEEV2.IN
SW2
V2.OUT
GND
V1.IN
SW1
V1.OUT
VCC
S-VIDEO BOARD
IC6902
INPUT SELECT
IC6901
INPUT SELECT
A
1012
H
B
11
C
78
I
F
9643
G
D
5
E
12
SAT/CATV
S VIDEO IN
S VIDEO IN
DVD/BD
S VIDEO OUT
VIDEO 1
S VIDEO IN
VIDEO 2
S VIDEO OUT
S VIDEO IN
VIDEO 1
MONITOR
EXT
VIDEO IN
(CHASSIS)
(CHASSIS)
(CHASSIS)
(CHASSIS)

Table of Contents

Other manuals for Sony STR-DA5300ES

Related product manuals