EasyManua.ls Logo

Sony STR-DA5300ES - 6-12. BLOCK DIAGRAM - POWER SUPPLY Section -

Sony STR-DA5300ES
260 pages
Print Icon
To Next Page IconTo Next Page
To Next Page IconTo Next Page
To Previous Page IconTo Previous Page
To Previous Page IconTo Previous Page
Loading...
STR-DA5300ES
4444
STR-DA5300ES
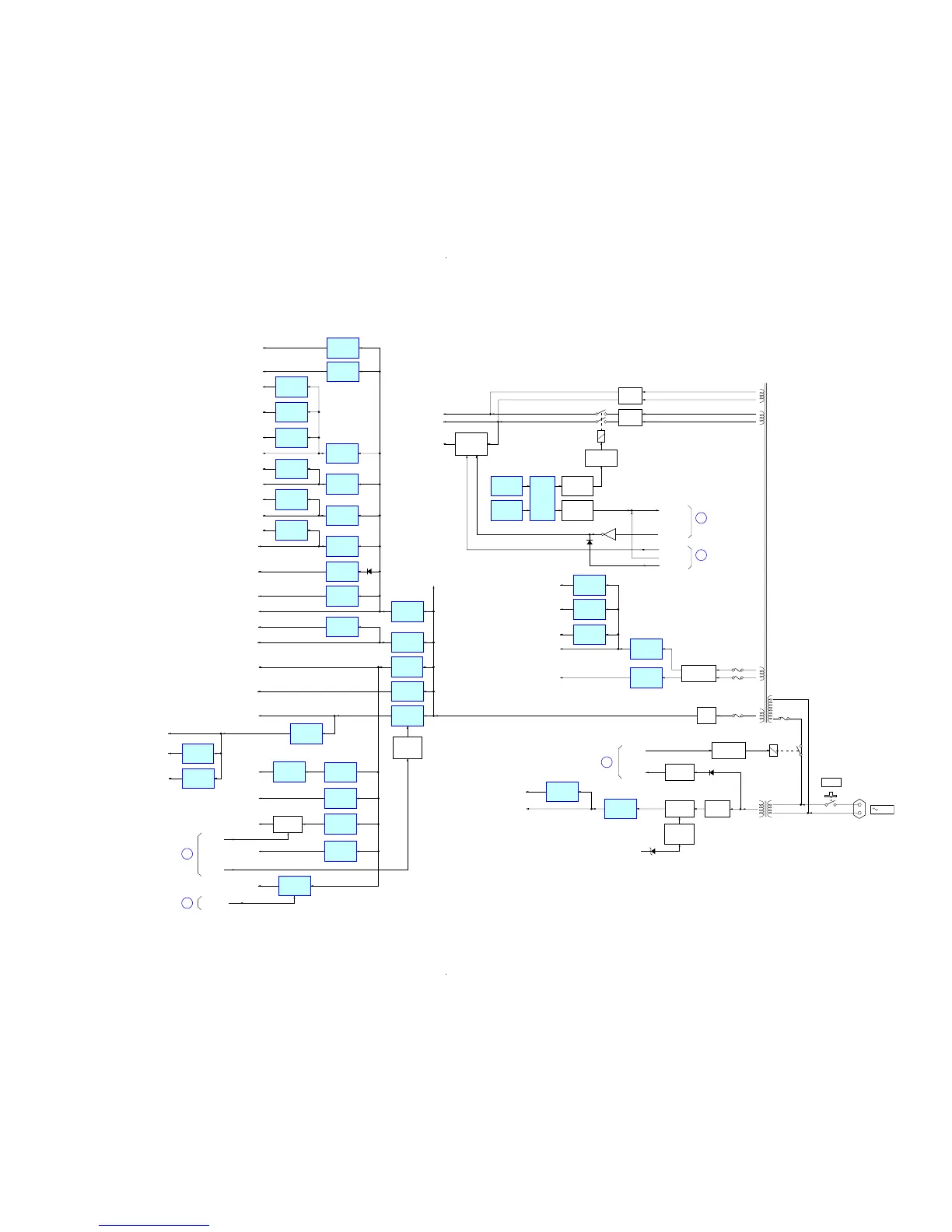
6-12. BLOCK DIAGRAM – POWER SUPPLY Section –
F1405
RECT
D1401
+6V
REGULATOR
IC1404
T001
MAIN POWER
TRANSFORMER
T002
SUB POWER
TRANSFORMER
STB +5V
D +12V
D +6V
STOP
POWER
SWITCHING
Q53, 55
TX_5VPWR
53
XM POW
28
4
50
RY01
D56, 57
RELAY DRIVE
Q52
POW-RY
AC IN
J01
D3511,
D3512
D61
RECT
D52 – 55
25
B+ SWITCH
Q54
B+ SWITCH
Q3903, 3904
+5V
REGULATOR
IC51
D +12V
+9V
REGULATOR
IC654
+12V
REGULATOR
IC1405
+3.3V
REGULATOR
IC3517
RY +24V
TUNER +9V
XM -5V
-5V
REGULATOR
IC1401
STB +3.3V
+3.3V
REGULATOR
IC2008
AC DETECT
Q51
F001
F1404
RECT
D1405 -1408
–7V
REGULATOR
IC2491
A –15V
F1403
RECT
D1401
RECT
D1411
+15V
REGULATOR
IC2490
A +15V
DSP2 +1.2V
+1.2V
REGULATOR
IC5201
A +5V
HDMI TX/RX +3.3V
+5V
REGULATOR
IC1236
AMP B+
AMP B–
TEMPERETURE
SENSOR
IC1905
Q1914
D1907
4/8_RY
4/8
PROTECTOR
PROTECT
LIMITTER
TEMPERETURE
SENSOR
IC1903
LIMITTER
DETECT
Q1910, 1911
LIMITTER
DETECT
Q1912, 1913
MIC +3.3V
+3.3V
REGULATOR
IC702
LIMITTER +5V
+5V
REGULATOR
IC1904
DSP1 +1.2V
+1.2V
REGULATOR
IC5001
DSP +2.5V
+2.5V
REGULATOR
IC2494
LIMITTER
IC1902
RELAY DRIVE
Q1401
PRE DRIVE B–
LIMITTER
DETECT
Q1901 – 1903
RY1402
SW1 (2/2)
POWER
+1.25V
REGULATOR
IC3853
IC3850 +1.25V
+2.5V
REGULATOR
IC3852
IC3850 A +2.5V
+2.5V
REGULATOR
IC3851
IC3850 D +2.5V
+3.3V
REGULATOR
IC3605
HDMI SYS +3.3V
HDMI TX/RX +1.8V
IC3601 (CORE) +1.8V
+4V
REGULATOR
IC1403
DSP +3.3V
+3.3V
REGULATOR
IC1402
D +4V
+3.3V
REGULATOR
IC3616
IC3601 (LVDS) +3.3V
+3.3V
REGULATOR
IC2215
D +3.3V
+5V
REGULATOR
IC3516
TX +5V
+2.5V
REGULATOR
IC3612
IC3601 (DDR) +2.5V
+3.3V
REGULATOR
IC3614
IC3601 (IO) +3.3V
+3.3V
REGULATOR
IC3902
XM +3.3V
+5V
REGULATOR
IC6517
+5V
REGULATOR
IC3906
VIDEO +5V
XM VCC
(+5V)
+5.5V
REGULATOR
IC3905
+1.8V
REGULATOR
IC3608
IC3601 (ADC) +1.8V
+3.3V
REGULATOR
IC3607
IC3601 (ADC) +3.3V
+2.5V
REGULATOR
IC3855
IC3519 VDD +2.5V
D_POW
+5V
REGULATOR
IC6513
DM +5V
+1.8V
REGULATOR
IC3514
+1.8V
REGULATOR
IC3617
REGULATOR
CONTROL
Q1409
(Page 35)
(Page 37)
(Page 35)
(Page 40)
(Page 33)

Table of Contents

Other manuals for Sony STR-DA5300ES

Related product manuals