EasyManua.ls Logo

Sony STR-DA5300ES - Block Diagram - POWER AMP Section

Sony STR-DA5300ES
260 pages
Print Icon
To Next Page IconTo Next Page
To Next Page IconTo Next Page
To Previous Page IconTo Previous Page
To Previous Page IconTo Previous Page
Loading...
STR-DA5300ES
4040
STR-DA5300ES
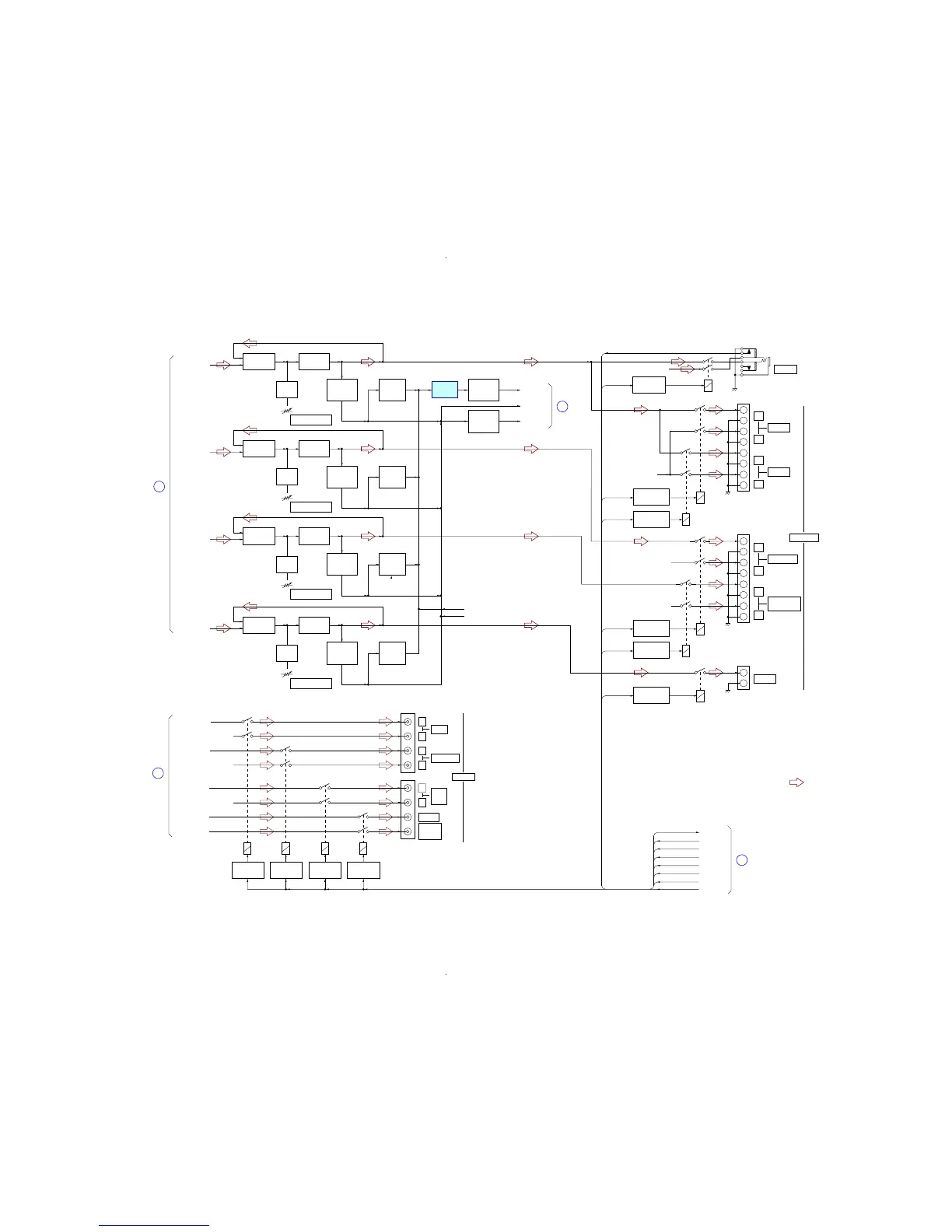
6-8. BLOCK DIAGRAM – POWER AMP Section –
(Page 39)
• SIGNAL PATH
• R-CH is omitted due to same as L-CH.
: AUDIO (ANALOG)
50
5
SBL PREOUT
C PREOUT
W PREOUT
L PREOUT
FRONT-L
LIMITTER
PROTECT
SL
SBL
C
SL PREOUT
46
45
PRE DRIVE
Q1501 – 1505
BOOSTER
Q1507, 1508
4/8
BIAS
Q1521
CURRENT
DETECT
Q1522, 1523
CURRENT
DETECT
Q1524
LIMITTER
IC1901
LIMITTER
DETECT
Q1907, 1908
LEVEL
DETECT
Q1904 – 1906
BIAS ALIGNMENT
BIAS ALIGNMENT
BIAS ALIGNMENT
BIAS ALIGNMENT
RV1501
HP SW
RELAY DRIVE
Q1402
HP-RY
RY1401
PHONES
J702
R-CH
RELAY DRIVE
Q4001
SP-A
RELAY DRIVE
Q4002
SP-B
RY4001
RY4002
R-CH
L
FRONT A
R
L
R
TM4002
+
+
+
+
FRONT B
SPEAKERS
PRE DRIVE
Q1701 – 1705
BOOSTER
Q1707, 1708
BIAS
Q1721
CURRENT
DETECT
Q1722, 1723
CURRENT
DETECT
Q1724
RV1701
RELAY DRIVE
Q4102
REAR-RY
RELAY DRIVE
Q4101
SB-RY
RY4102
RY4101
R-CH
R-CH
L
SURROUND
R
L
R
TM4101
+
+
+
+
SURROUND
BACK (ZONE 2)
PRE DRIVE
Q1801 – 1805
BOOSTER
Q1807, 1808
BIAS
Q1821
CURRENT
DETECT
Q1822, 1823
CURRENT
DETECT
Q1824
RV1801
R-CH
R-CH
PRE DRIVE
Q1601 – 1605
BOOSTER
Q1607, 1608
BIAS
Q1871
CURRENT
DETECT
Q1872, 1873
CURRENT
DETECT
Q1874
RV1851
RELAY DRIVE
Q4003
RELAY DRIVE
Q1104
C-RY
PREOUT-RY
PREOUT-RY
HP SW
HP-RY
SP-A
SP-B
REAR-RY
SB-RY
C-RY
PREOUT-RY
HPSW
HP-RY
SP-A-RY
SP-B-RY
REAR-RY
SB-RY
C-RY
RY4003
CENTER
TM4001
+
PRE OUT
J1101
SUR
BACK
FRONT
L
R
L
R
SURROUND
L
R
J1102
CENTER
SUB
WOOFER
R-CH
R-CH
R-CH
RY1104
RELAY DRIVE
Q1103
RY1103
RELAY DRIVE
Q1102
RY1102
RELAY DRIVE
Q1101
RY1101
(Page 39)
(Page 33)
(Page 44)

Table of Contents

Other manuals for Sony STR-DA5300ES

Related product manuals