EasyManua.ls Logo

Sony STR-DA5300ES - Page 128

Sony STR-DA5300ES
260 pages
Print Icon
To Next Page IconTo Next Page
To Next Page IconTo Next Page
To Previous Page IconTo Previous Page
To Previous Page IconTo Previous Page
Loading...
128
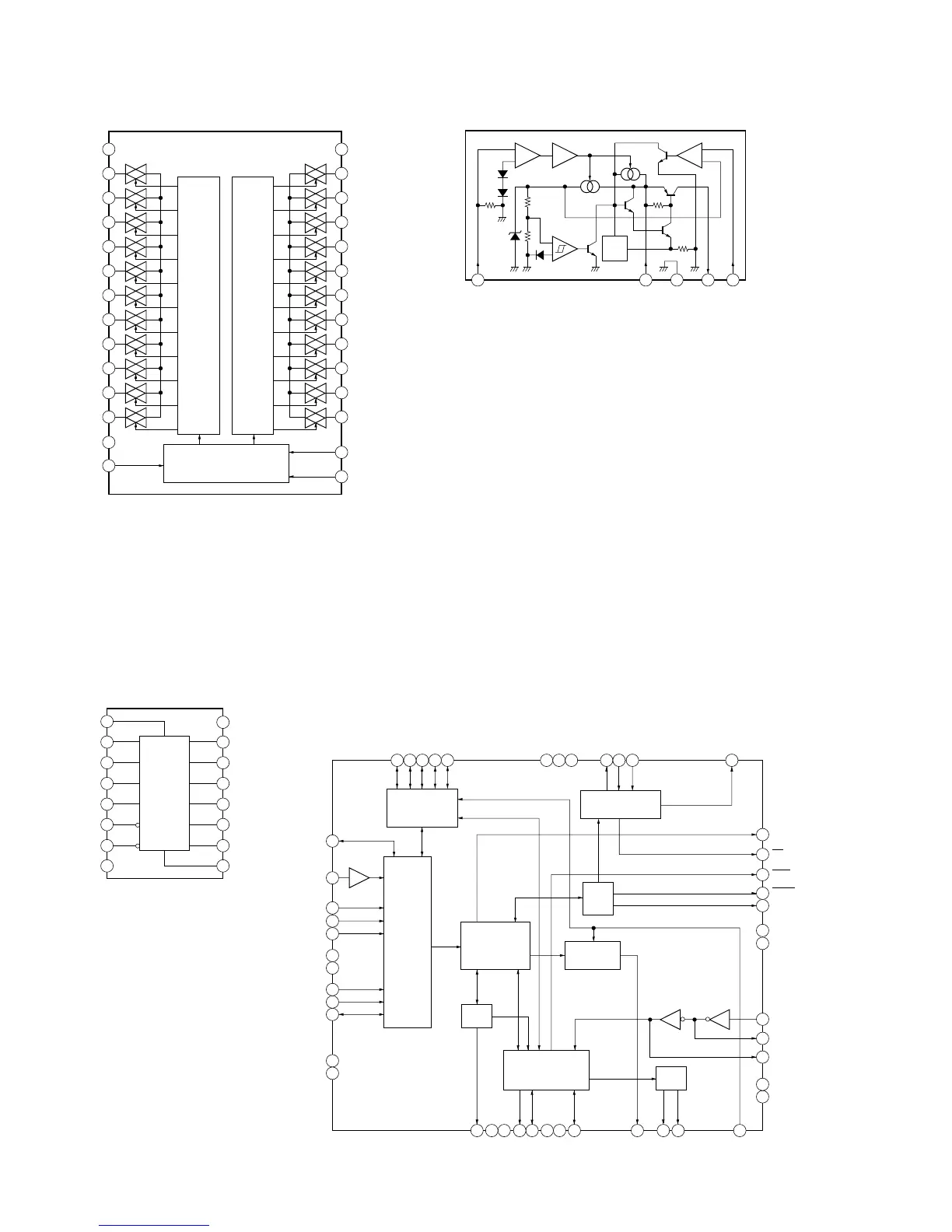
STR-DA5300ES
IC2390 TC9273CFG-012 (EL) IC2494 SI-3011ZD-TL
1
2
3
4
5
6
7
8
9
10
11
12
13
14
28
27
26
25
24
23
22
21
20
19
18
17
16
15
VSS
S1
S2
S3
S4
S5
S6
S7
S8
S9
S10
S11
S1
S2
S3
S4
S5
S6
S7
S8
S9
S10
S11
GND
CK
VDD
STB
DATA
10BIT
LATCH
CIRCUIT
(R-CH)
10BIT
LATCH
CIRCUIT
(L-CH)
LEVEL SHIFT & SHIFT REGISTER
1
VC
2
VIN
3
GND
4
VOUT
5
ADJ
OCP
+
+
+
IC2208 LC89057W-VF4A-E
– DIGITAL Board –
IC2207 TC74HC151AF (EL)
1
2
3
4
5
6
7
8
16
15
14
13
12
11
10
9
D3D2
D1
D0
Y
W
SC
D4
D5
D6
D7
A
B
D3
D2
D1
D0
Y
XY
OE
GND
V
CC
D4
D5
D6
D7
A
B
C
38 37
36
23 24
1
2
3
4
5
44
8
9
10
46
17 222120
30
35
25
26
27
28
29
32
33
34
16
45
13 14 15
47
4041
48
DI
39
CE
DO
RERR
SLRCK
SDIN
RXOUT
RX0
RX1
RX2
RX3
6DGND
7DVDD
11DVDD
12DGND
TMCK/PIO
RX4
RX5/V1
RX6/U1
TLRCK/PIO2
RBCK
18
DGND
19
DVDD
SBCK
RDATA
RLRCK
DVDD
31 DGND
INT
DGND
DVDD
XMCK
XOUT
XIN
EMPHA/UO
AUDIO/VO
CKST
RMCK
TBCK/PIO1
LPF
AVDD
AGND
TDATA/PIO3
CL
XMODE
42
DGND
43
DVDD
TXO/PIOEN
MICROCONTROLLER
INTERFACE
DATA
SELECTOR
CLOCK
SELECTOR
INPUT
SELECTOR
DATA
DEMODULATOR
&
LOCK DETECT
MODULATOR
&
PARALLEL PORT
PLL
1/N
C bit,
U bit

Table of Contents

Other manuals for Sony STR-DA5300ES

Related product manuals