EasyManua.ls Logo

Sony STR-DA5500ES - Schematic Diagram - DSP Board (2;4)

Sony STR-DA5500ES
232 pages
Print Icon
To Next Page IconTo Next Page
To Next Page IconTo Next Page
To Previous Page IconTo Previous Page
To Previous Page IconTo Previous Page
Loading...
DSP
(1/4)
16
BOARD
DSP
(3/4)
18
BOARD
DSP
(4/4)
20
BOARD
D-AUDIO
(2/3)
D
BOARD
CN2206
BOARD
DSP
11
(1/4)
DSP
17
(4/4)
BOARD
DSP
BOARD
19
(3/4)
IC B/D
IC B/D
3.33.3
3.3
3.3
3.3
3.3
3.3
3.3
3.3
0
3.3
3.3
3.3
3.3
3.3
3.3
3.3
3.3
3.3
3.3
3.3
3.3
3.3
3.3
3.3
3.3
3.3
3.3
3.3
3.3
3.3
3.3
0
3.3
3.3
3.3
3.33.3
3.33.3
3.33.3
3.33.3
3.33.3
3.33.3
3.33.3
0
3.3
3.3
3.3
3.3
3.3
3.3
3.3
0
3.3
3.3
3.3
3.3
3.3
3.3
3.3
3.3
3.3
10
C5095
10
C5091
0.1
C5088
0.1
C5098
0.1
C5097
0.1
C5094
0.1
C5093
0.1
C5092
0.1
C5090
2.5V
3.3V
SO2_B
SO2_A
SO2_D
SO2_C
DSP2_LRCK
SO2_E
DSP2_BCK
0.1
C5096
12
3
5
7
9
11
13
15
17
19
21
23
25
27
29
31
33
35
37
39
41
43
45
47
4
6
8
10
12
14
16
18
20
22
24
26
28
30
32
34
36
38
40
42
44
46
48
50 49
50P
CN5001
D-END-FLAG
DUCOM_CLK
DM_DATA
MD_BUSY
RX
DIR_NONAU
DUCOM_RESET
GND
MCK
GND
SI_E
SI_C
SI_A
GND
DSP_BCK
GND
SO_E
SO_C
SO_A
GND
GND
PWR_INT
PWR_INT
PWR_INT
PWR_INT
PWR_EXT
DM_INT
GND
BCK
GND
LRCK
SI_D
SI_B
I2C_SCL
I2C_SDA
GND
DSP_LRCK
SO_D
SO_B
GND
GND
PWR_EXT
MODE(MD2)
MD_INT
MD_DATA
DM_BUSY
TX
DIR_RERR
PWR_EXT
PWR_EXT
DRST_TRG
MD_BUSY
RX
DUCOM_RESET
MODE_MD2
MD_INT
MD_DATA
DM_BUSY
TX
DM_INT
44
38
39
40
41
42
43
7
6
5
4
3
2
1
37
36
35
34
33
32
8
9
10
11
28
29
30
31
17
16
15
14
13
12
27
26
25
24
2322
21
20
19
18
IS61WV5128BLL-10TLI
IC5007
NC
NC
A0
A1
A2
A3
A4
CE
I/O0
I/O1
VDD
GND
I/O2
I/O3
WE
A5
A6
A7
A8
A9
NC
NC
NC
NC
NC
A10
A11
A12
A13
A14
I/O4
I/O5
VDD
GND
I/O6
I/O7
OE
A15
A16
A17
A18
NC
NC
NC
5
4
3
2
1
TC7SHU04FU(T5RSOJF)
IC5012
NC
GND
VCC
0.01
C5089
1k
R5068
10
C5053
22
R5098
20
19
18
17
16
15
14
13
12
1110
9
8
7
6
5
4
3
2
1
SN74LVC573APWR
IC5009
OE
D0
D1
D2
D3
D4
D5
D6
D7
GND LE
O7
O6
O5
O4
O3
O2
O1
O0
VCC
20
19
18
17
16
15
14
13
12
11
10
9
8
7
6
5
4
3
2
1
SN74LVC573APWR
IC5010
OE
D0
D1
D2
D3
D4
D5
D6
D7
GND LE
O7
O6
O5
O4
O3
O2
O1
O0
VCC
22
R5097
33
RB5010
33
RB5011
33
RB5012
33
RB5013
47
RB5006
47
RB5007
47
RB5008
0
R5186
0
R5076
0
R5077
0
R5078
FB5003
FB5006
FB5004
48
436
5
46
4
3
2
1
47
45
44
42
41
37
38
39
40
12
10
11
9
8
7
36
31
32
33
34
35
18
17
16
15
14
13
30
29
28
27
26
2524
23
22
21
20
19
S29AL008D70TFI010-09ESX101
IC5006
A15
A14
A13
A12
A11
A10
A9
A8
A19
NC
WE#
RESET#
NC
NC
RY/BY#
A18
A17
A7
A6
A5
A4
A3
A2
A1
A0
CE#
VSS
OE#
DQ0
DQ8
DQ1
DQ9
DQ2
DQ10
DQ3
DQ11
VCC
DQ4
DQ12
DQ5
DQ13
DQ6
DQ14
DQ7
DQ15/A-1
VSS
BYTE#
A16
1k
R5003
1M
R5004
470p
C5100
RDATA0
MA2J1110GLS0
D5001
GND
GND
3.3V
DSP1_ALE
DSP1_ALE
DSP1_A9
DSP1_A10
DSP1_A11
DSP1_A16
DSP1_A17
DSP1_A18
DSP1_A19
DSP1_D0
DSP1_D1
DSP1_D2
DSP1_D3
DSP1_D4
DSP1_D5
DSP1_D6
DSP1_D7
DSP1_A0
DSP1_A1
DSP1_A2
DSP1_A3
DSP1_A4
DSP1_A5
DSP1_A6
DSP1_A15
DSP1_A14
DSP1_A13
DSP1_A12
DSP1_A11
DSP1_D7
DSP1_D6
DSP1_D5
DSP1_D4
DSP1_A18
DSP1_A17
DSP1_A16
DSP1_A15
DSP1_A14
DSP1_A13
DSP1_A12
DSP1_A11
DSP1_A10
DSP1_D0
DSP1_D1
DSP1_D2
DSP1_D3
DSP1_WE
DSP1_A0
DSP1_A1
DSP1_A2
DSP1_A3
DSP1_A4
DSP1_A5
DSP1_A6
DSP1_A7
SI_C
SI_E
SI_B
SI_D
DM_INT
TX
DM_BUSY
MD_DATA
I2C_SDA
I2C_SCL
MD_INT
MODE_MD2
MODE_MD2
MD_INT
MD_DATA
DM_BUSY
TX
DM_INT
I2C_SCL
I2C_SDA
I2C_SCL
I2C_SDA
DSP1_D1
DSP1_D2
DSP1_D3
DSP1_D7
DSP1_D6
DSP1_D5
DSP1_A2
DSP1_A3
DSP1_A4
DSP1_A5
DSP1_A6
DSP1_A7
DSP1_A20
DSP1_WE
DSP1_A18
DSP1_A8
DSP1_A9
DSP1_A19
DSP1_A8
DSP1_A12
DSP1_A13
DSP1_A14
DSP1_A15
DSP1_A1
DSP1_A8
DSP1_A9
DSP1_A10
DSP1_A20
DSP1_D4
DSP1_D0
DSP1_A0
DSP1_OE
DSP1_OE
MCK1
LRCK
BCK
DSP1_A17
DSP1_A16
SI_A
0
R5096
0
R5187
0
R5188
0
R5189
0
R5181
0
R5182
0
R5381
0
R5382
0
R5383
0
R5387
0
R5388
0
R5389
3
2
4
GND
5
7
6
1
9
8
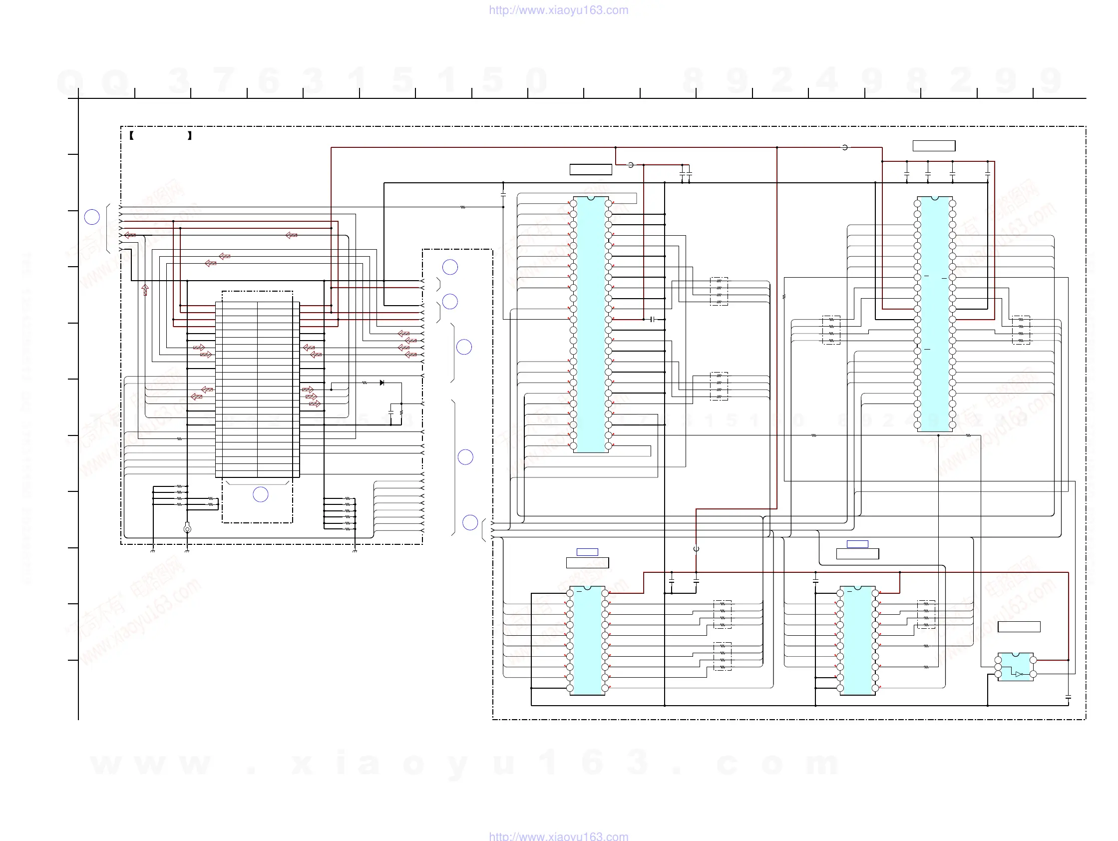
(2/4)DSP BOARD
IC5007
S-RAM
IC5006
FLASH MEMORY
IC5009
ADDRESS LATCH
IC5010
ADDRESS LATCH
IC5012
INVERTER
A
1012
J
H
B
1311
C
78
I
14
F
96
K
4 1815 163
G
D
5 17
E
12
E
ET5001
(CHASSIS)(CHASSIS) (CHASSIS)
w
w
w
.
x
i
a
o
y
u
1
6
3
.
c
o
m
Q
Q
3
7
6
3
1
5
1
5
0
9
9
2
8
9
4
2
9
8
T
E
L
1
3
9
4
2
2
9
6
5
1
3
9
9
2
8
9
4
2
9
8
0
5
1
5
1
3
6
7
3
Q
Q
TEL 13942296513 QQ 376315150 892498299
TEL 13942296513 QQ 376315150 892498299
http://www.xiaoyu163.com
http://www.xiaoyu163.com

Table of Contents

Other manuals for Sony STR-DA5500ES

Related product manuals