EasyManua.ls Logo

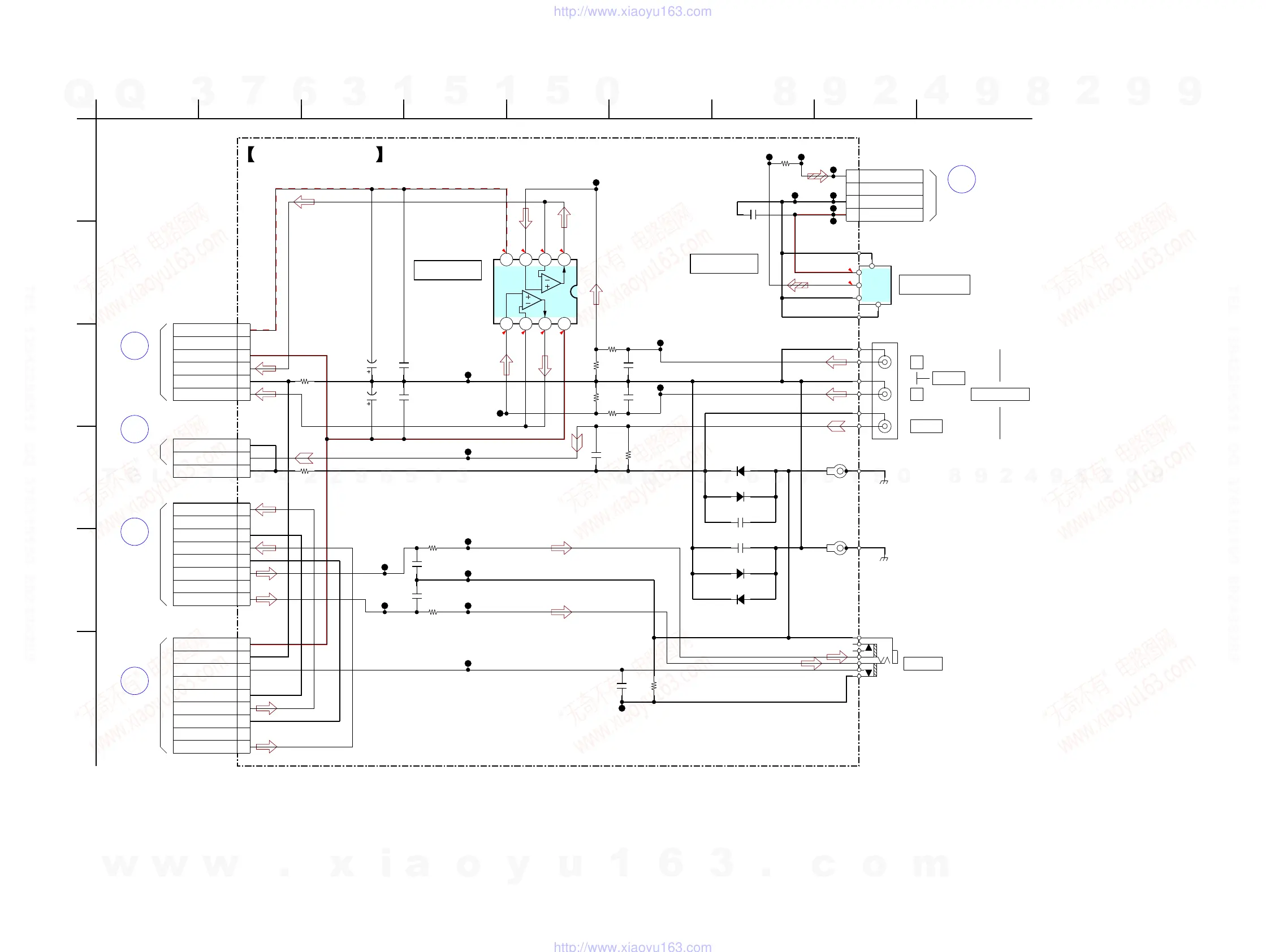
Sony STR-DA5500ES - Schematic Diagram - VIDEO2 Board

Sony STR-DA5500ES
232 pages
Print Icon
To Next Page IconTo Next Page
To Next Page IconTo Next Page
To Previous Page IconTo Previous Page
To Previous Page IconTo Previous Page
Loading...
BW
BOARD
CN704
DISPLAY
(1/2)
BOARD
CN708
DISPLAY
(1/2)
BV
BOARD
CN607
A-AUDIO
(2/4)
V
BOARD
CN607
A-AUDIO
(2/4)
U
CN6003
BOARD
BT
(2/2)
A-VIDEO
3.3
2.9
-15
0
0
0
0
0
0
15.1
75
R264
876
5
4
321
NJM4565M(TE2)
IC261
VSS
VDD
JL261
JL262
JL263
JL264
JL265
JL266
JL267
JL268
JL269
JL270
JL271
JL272
JL273
JL274
JL275 JL276
JL277
JL278
JL279
JL280
E
ET261
C261
100
25V
C262
100
25V
1
8
3
4
5
6
7
8P
CN261
MIC LOUT
HP_R
GND
2
NC
MIC ROUT
GND
HP_L
HP_GND
E
ET262
J262
1
3
4
4P
CN263
V3.OPT
D.GND
2
NC
3.3V
1
3
4
5
6
6P
CN264
-15V
+15V
2
NC
V2-RCH
V2-GND
V2-LCH
1
3
4
5
6
7
8
9
CN262
9P
MIC ROUT
GND
2NC
MIC LOUT
GND
AD-GND
H.P
GND
+15V
1
2
3
3P
CN265
V-GND
VIDEO2
V-GND
J261
VCC
OUT
GND
GP1FM313RZ0F
IC262
1
2
3
4
5
MA2J1110GLS0
D261
MA2J1110GLS0
D262
D263
MA2J1110GLS0
D264
MA2J1110GLS0
100
R261
1k
R263
1k
R262
R266
47k
R265
47k
0
R273
0
R270
R268
0
0
R269
0
R267
0.1
C265
0.1
C268
1000p
C264
1000p
C263
100p
C271
220p
C272
C273
220p
0.01
C267
0.01
C266
820p
C270
820p
C269
OPTICAL RECEIVER
IC262
BUFFER
IC261
VIDEO2 BOARD
(CHASSIS)
(CHASSIS)
VIDEO 2 IN
DIGITAL (OPT)
PHONES
L
R
VIDEO
AUDIO
VIDEO 2 IN
4
B
69
D
35
C
F
1
E
8
A
27
w
w
w
.
x
i
a
o
y
u
1
6
3
.
c
o
m
Q
Q
3
7
6
3
1
5
1
5
0
9
9
2
8
9
4
2
9
8
T
E
L
1
3
9
4
2
2
9
6
5
1
3
9
9
2
8
9
4
2
9
8
0
5
1
5
1
3
6
7
3
Q
Q
TEL 13942296513 QQ 376315150 892498299
TEL 13942296513 QQ 376315150 892498299
http://www.xiaoyu163.com
http://www.xiaoyu163.com

Table of Contents

Other manuals for Sony STR-DA5500ES

Related product manuals