EasyManua.ls Logo

Sony STR-DA5500ES - Schematic Diagram - MAIN Board (3;3)

Sony STR-DA5500ES
232 pages
Print Icon
To Next Page IconTo Next Page
To Next Page IconTo Next Page
To Previous Page IconTo Previous Page
To Previous Page IconTo Previous Page
Loading...
W
A-AUDIO
CN606
(2/4)
BOARD
AH
CONTROL
(1/2)
CN2515
BOARD
AN
SPTM
CX4103
BOARD
AP
BOARD
AC
CNP54
43
MAIN
(1/3)
BOARD
AM
BOARD
A-VIDEO
(2/2)
CN6008
CN1401
DC-DC
CN1401
BOARD
ALAK
MAIN POWER
TRANSFORMER
T1
AJ
44
MAIN
(2/3)
BOARD
MAIN
42
(1/3)
BOARD
(2/3)
MAIN
45
BOARD
(1/2)
CN6009
A-VIDEO
CH
BOARD
T1
TRANSFORMER
MAIN POWER
IC B/D
IC B/D
14.9 4.9
1914.9
-20-15
3.8
3.9
2.6
1.3
0.8
0.6
1.4
4.7 -8.8
-4.6
4.4
2.3
8.9
6.8
4.7
0
-8.8
4.8
11.2
0
100V
0.015
C2492
100V
0.015
C2493
100V
0.015
C2511
100V
0.015
C2512
25V
2200
C2513
25V
2200
C2514
0.1
C2499
0.1
C2500
0.1
C2503
0.1
C2508
2.2k
R2492
10k
R2493
10k
R2505
10
R2494
10
R2506
RY1402
FH1401
FH1402
FH1451 FH1452
1SR154-400TE-25D1405
1SR154-400TE-25D1406
1SR154-400TE-25
D1407
1SR154-400TE-25
D1408
12345
SI-3011ZD-TLS
IC2494
VCC
GND
OUT
BA50BC0FP-E2
IC1236
RBV-602LF-A
D1411
2SC2712-YG-TE85L
Q1401
2SC2712-YG-TE85L
Q1402
+
-
RY1401
1
2
3
4
5
6
7
8
9
10
10P
CN1006
STB GND
STB GND
STB+5V
STB+5V
DD(FL)+12V
FL GND
DD(TRIG)+12V
DD(TRIG)+12V
TRIG GND
TRIG GND
TP1409
TP1410
TP1411
TP1412
TP1413
TP1414
TP1415
TP1418
TP1419
TP1420
TP1421
TP1422
TP1423
TP1424
TP1425
TP1426
TP1439
TP1440
TP1441
TP1442
TP1443
TP1444
TP1445
TP1446
TP1447
TP1448
TP1449
TP1456
TP1457
TP1458
250V
F1403
250V
F1404
0.1
C2501
25V
470
C2498
25V
470
C2497
25V
470
C2507
25V
470
C2504
6.3V
1000
C6305
1k
R2503
1k
R2501
470
R2504
C2490
71V
C2491
71V
IO
G
UPC7915AHF
IC2491
12
3
IO
G
IC2490
UPC2415AHF
12
3
1W
470
R2496
1W
470
R2497
0.1
C2495
RBV-602-01
D1401
33
R2507
33
R2490
200V
0.33
C2494
200V
0.33
C2517
MA2J1110GLS0
D1413
MA2J1110GLS0
D1414
MA2J1110GLS0
D1403
1
2
3
4
4P
CN1408
AC17V
NC
GND
AC17V
B1
B3
LRGND
STBGND
B4
GND
B5
B6
B7
C1
STBGND
C2
C3
C4
C5
C6
DGND
C7
C8
C9
C10
C11
C12
C13
C14
C15
JL1495
100
R1498
JL1484
TX232
JL1491
JL1498
16
15
14
13
12
11
10
9
8
7
6
5
4
3
2
1
MAX232DR
IC1499
C1+
V+
C1-
C2+
C2-
V-
T2 OUT
R2 IN
R2 OUT
T2 IN
T1 IN
R1 OUT
R1 IN
T1 OUT
GND
VCC
RX232
JL1487
JL1494
FB1499
2.2C1495
100p
C1498
1
C1492
JL1483
JL1480
JL1490
JL1497
JL1481
JL1486
JL1493
12
3
4
5
6789
JL1482
1
C1491
JL1489
JL1496
100
R1499
JL1485
0.1C1496
JL1492
JL1499
1
C1493
JL1488
1
C1494
1
2
3
4
5
6
7
7P
CN1400
GND+5.5V
NC
DCDC+5.5V
GND+12V
DCDC+12V
GND-5V
DCDC-5V
1
2
3
4
5
6
7
8
9
10
11
12
13
14
15
15P
CN1402
+24V
NC
GND_+24V
GND
DCDC-5V
GND-5V
DCDC+12V
GND+12V
DCDC+5.5V
GND+5.5V
DCDC4V
GND4V
DCDC3.3V
GND3.3V
D-POW
1
2
3
4
5
6
6P
CN1403
GND
NC
H-B
H-A
L-B
L-A
1
2
3
4
5
6
7
8
9
10
10P
CN1407
+12V
NC
GND
ST+5V
STOP
P. R Y
RY+24V
RY GND
REAR-RY
SB-RY
1
2
3
4
4P
CN1410
HP_L
NC
HP_GND
HP_R
GND
ADJ
OUT
IN
ON/OFF
+2.5V
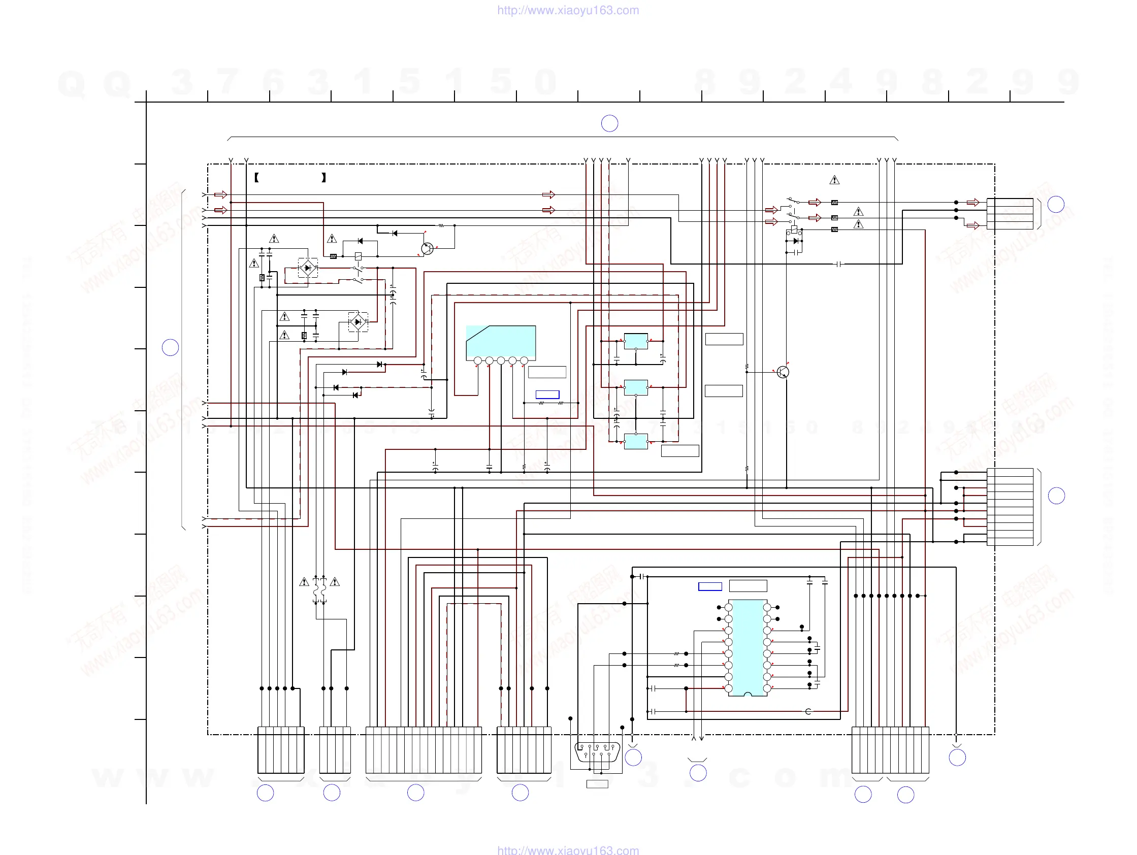
IC2494
RS-232C DRIVE
IC1499
IC1236
IC2491
IC2490
MAIN BOARD
(3/3)
C
4
H
76 15138
I
1213
E
J
2
B
G
A
F
K
11 14
D
5109
-2
-1
8200
8200
RELAY DRIVE
REGULATOR
REGULATOR
+5V
REGULATOR
+15V
REGULATOR
-15V
RELAY DRIVE
RS232C
J1499
CN1491
CN1492
T4ALT4AL
-1
-2
21
3
w
w
w
.
x
i
a
o
y
u
1
6
3
.
c
o
m
Q
Q
3
7
6
3
1
5
1
5
0
9
9
2
8
9
4
2
9
8
T
E
L
1
3
9
4
2
2
9
6
5
1
3
9
9
2
8
9
4
2
9
8
0
5
1
5
1
3
6
7
3
Q
Q
TEL 13942296513 QQ 376315150 892498299
TEL 13942296513 QQ 376315150 892498299
http://www.xiaoyu163.com
http://www.xiaoyu163.com

Table of Contents

Other manuals for Sony STR-DA5500ES

Related product manuals