EasyManua.ls Logo

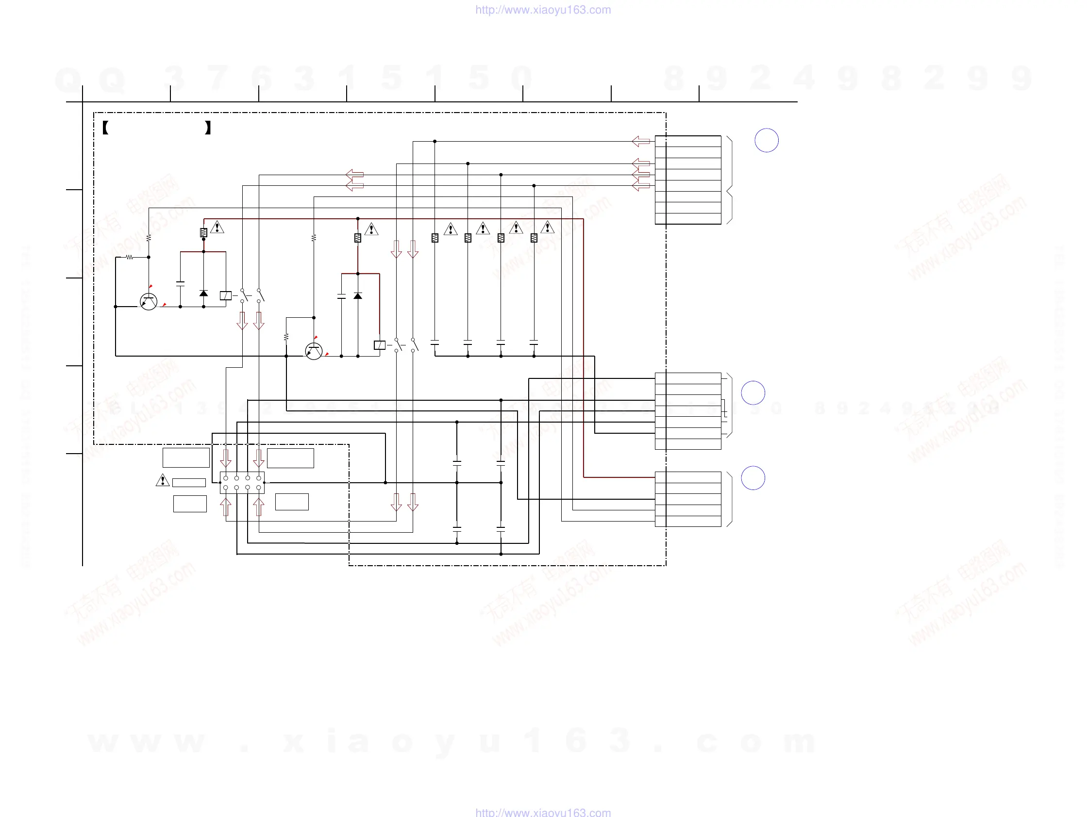
Sony STR-DA5500ES - Schematic Diagram - SPTM Board

Sony STR-DA5500ES
232 pages
Print Icon
To Next Page IconTo Next Page
To Next Page IconTo Next Page
To Previous Page IconTo Previous Page
To Previous Page IconTo Previous Page
Loading...
POWER AMPLIFIER
BOARD
BP
CN1702, CN1752
AG
CN1404
BOARD
MAIN
(2/3)
AN
CN1407
BOARD
MAIN
(3/3)
CN1802, CN1852
0.1
0.1
0.7
0.7
100V
0.022
C4104
100V
0.022
C4103
100V
0.022
C4102
100V
0.022
C4101
10
R4110
10
R4108
10
R4109
10
R4105
10
R4107
10
R4103
RY4102
-1
-1
-2
-2
RY4101
TM4101
1
3
4
5
5P
CX4103
RY+24V
RY GND
2NC
REAR-RY
SB-RY
1
3
4
5
6
7
7P
CX4102
SL GND
2NC
SBL GND
SR GND
SBR GND
PHGND
NC
1
8
3
4
5
6
7
8P
CX4101
SR_L
2NC
FRONT_R
SR_R
SRB_L
SRB_R
C
FRONT_L (NC)
2SC2712-YG-TE85L
Q4102
2SC2712-YG-TE85L
Q4101
MA2J1110GLS0
MA2J1110GLS0
D4102
D4101
10k
R4104
10k
R4106
2.2k
R4102
2.2k
R4101
RELAY DRIVE
RELAY DRIVE
100p
C4108
100p
C4107
100p
C4106
100p
C4105
SPTM BOARD
SURROUND
BACK(ZONE 2)
L
SURROUND
BACK(ZONE 2)
SURROUND
R
SURROUND
R
L
SPEAKERS
A
12
B
C
78643
D
5
E
--++
+--+
0.1
C4110
0.1
C4109
w
w
w
.
x
i
a
o
y
u
1
6
3
.
c
o
m
Q
Q
3
7
6
3
1
5
1
5
0
9
9
2
8
9
4
2
9
8
T
E
L
1
3
9
4
2
2
9
6
5
1
3
9
9
2
8
9
4
2
9
8
0
5
1
5
1
3
6
7
3
Q
Q
TEL 13942296513 QQ 376315150 892498299
TEL 13942296513 QQ 376315150 892498299
http://www.xiaoyu163.com
http://www.xiaoyu163.com

Table of Contents

Other manuals for Sony STR-DA5500ES

Related product manuals