EasyManua.ls Logo

Sony STR-DA5500ES - Schematic Diagram - D-AUDIO Board (1;3)

Sony STR-DA5500ES
232 pages
Print Icon
To Next Page IconTo Next Page
To Next Page IconTo Next Page
To Previous Page IconTo Previous Page
To Previous Page IconTo Previous Page
Loading...
D CONNECT
CN2403
BOARD
A
2
D-AUDIO
(2/3)
BOARD
(2/3)
D-AUDIO
3
BOARD
B
D-VIDEO
CN3571
(6/7)
BOARD
IC B/D
IC B/D
IC B/D
IC B/D
IC B/D
IC B/D
IC B/D
1
(3/3)
D-AUDIO
BOARD
41
IC B/D
IC B/D
CJ
D-VIDEO
CN3525
(6/7)
BOARD
3.3
0
0.1
2.9
0
0.1
0.1
0
0
0.1
0.1
3.3
0.1
0.1
3.3
0.1
3.3
0.1
3.3
0.1
3.3
0
3.3
03.3
0
-0.1
0.2
-0.1
-0.1
3.3
0
0
0
0
3.3 0
00
1.6 3.3
1.6
1.6
1.6
1.6
3.20
0
1.6
1.6
0
1.6
3.30
0
0
0
0
1.2
0
1.2
0
0
0 3.3
0
0
0
3.3
0
3.3
0
0
0
0
3.3
0
0.5
0
0.5
0
0
1.6 3.3
1.6
2.8
1.6
2.8
1.6
2.8
1.6
1.6
1.6
1.6
1.6
0
0
0
-0.1
-0.1
0
2.8
3.3
0
0
1.6
3.3
1.6
3.3
0
3.3
2.8
3.3
3.3
0
0
3.3
1.5
1.6
1.6
3.3
2.8
3.3
2.8
0
0
3.3
0
0
0
0
3.3
0.1
C2204
0.1
C2201
0.1
C2202
0.1
C2205
0.1
C2203
0.1
C2206
0.1
C2211
0.1
C2213
0.1
C2209
0.1
C2216
0.1
C2217
0.1
C2222
C2224 0.1
0.1
C2223
C2227
0.1
C2228
0.1
0.1C2229
C2232
0.1
0.1
C2233
0.1
C2236
0.1
C2247
0.1
C2250
0.1
C2248
0.1C2249
0.1
C2215
100p
C2237
0.01C2208
0.01
C2238
0.022
C2235
75
R2205
75R2203
75
R2204
220
R2243
470
R2214
470R2215
470
R2216
R2259
47
R2261
47
R2262
47
R2260
47
47R2285
100R2206
100R2207
100R2208
100
R2209
100R2210
100R2211
100
R2212
100
R2220
100
R2224
100
R2230
100
R2234
100
R2227
100R2252
100
R2258
100
R2257
R2256
100
100
R2267
100
R2282
100R2286
100R2228
R2235
220
1k
R2201
1k
R2248
1k
R2249
10k
R2202
10k
R2213
R2225
10k
R2226
10k
R2229
10k
R2231 10k
10kR2250
10k
R2263
R2233 1M
FB2203
FB2201
FB2202
FB2205
FB2207
24.576MHz
X2201
VCC
IN
GND
TOTX147L(RED)
IC2205
1
2
3
VCC
OUT
GND
TORX147L
IC2202
1
2
3
VCC
OUT
GND
TORX147L
IC2203
1
2
3
VCC
OUT
GND
TORX147L
IC2204
1
2
3
14
13
12
11
10
9
87
6
5
4
3
2
1
TC74VHC393FT(EL)
IC2211
CKA
RDA
Q1A
Q2A
Q3A
Q4A
GND
Q4B
Q3B
Q2B
Q1B
RDB
CKB
VCC
VCC
OUT
GND
TORX147L
IC2201
1
2
3
47
R2240
10
R2275
10R2279
0.01
C2245
0.01
C2244
0.01
C2246
R2241 100
R2242
47
100R2284
25V
47
C2210
C2212
C2214
VCC
OUT
GND
TORX147L
IC2225
1
2
3
100
R2378
0.1
C2331
50V
10
C2230
10V
470
C2207
10V
470
C2231
10V
470
C2221
16
15
14
13
12
11
10
98
7
6
5
4
3
2
1
TC74VHC157FT(EKJ)IC2212
SELECT
A0
B0
Y0
A1
B1
Y1
GND Y2
B2
A2
Y3
B3
A3
STOROBE
VCC
16
15
14
13
12
11
10
98
7
6
5
4
3
2
1
TC74VHC157FT(EKJ)IC2213
SELECT
A0
B0
Y0
A1
B1
Y1
GND Y2
B2
A2
Y3
B3
A3
STOROBE
VCC
16
15
14
13
12
11
10
9
8
7
6
5
4
3
2
1
TC74VHC157FT(EKJ)
IC2214
SELECT
A0
B0
Y0
A1
B1
Y1
GND Y2
B2
A2
Y3
B3
A3
STOROBE
VCC
R2238
330
10k
R2386
100
R2387
R2392
10k
10k
R2221
10k
R2222
10k
R2223
C2226
12p
C2225
12p
220k
R2217
220k
R2219
220k
R2218
47
R2270
47R2271
47R2272
47R2273
47R2274
100R2269
100R2276
100R2280
100R2281
100R2283
100R2268
C2234
C2251
10V470
*C2338
16
15
14
13
12
11
10
98
7
6
5
4
3
2
1
TC74VHC595FT(EL)
IC2210
B:ANA/DIGI
DSD/HDMI_SEL
9850FS
E:DSEL0
F:DSEL1
G:DSEL2
H:REQ
GND
S-OUT
RST
CLK
LAT
OE
S-IN
A:DSP_SEL
VCC
14
13
12
11
10
9
87
6
5
4
3
2
1
TC74VHCU04FT(EL)
IC2209
GND
VCC
16
15
14
13
12
11
10
98
7
6
5
4
3
2
1
TC74VHC157FT(EKJ)
IC2228
SELECT
A0
B0
Y0
A1
B1
Y1
GND Y2
B2
A2
Y3
B3
A3
STOROBE
VCC
R2300
330
R2306
10k
0.1
C2277
R2310 10k
HATS_MUTE
HATS_MIDDLE
HATS_RST
16 15 14 13 12 11 10 9
87654321
TC74VHC153FT(EL)
IC2207
1STROBE
B
1C3
1C2
1C1
1C0
1Y
GND
2Y
2C0
2C1
2C2
2C3
A
2STROBE
VCC
123456789101112
13
14
15
16
17
18
19
20
21
22
23
24
252627282930313233343536
37
38
39
40
41
42
43
44
45
46
47
48
LC89057W-VF4A-E
IC2208
RXOUT
RX0
RX1
RX2
RX3
DGND
DVDD
RX4
RX5/VI
RX6/UI
DVDD
DGND
LPF
AVDD
AGND
RMCK
RBCK
DGND
DVDD
RLRCK
RDATA
SBCK
SLRCK
SDIN
DGND
DVDD
XMCK
XOUT
XIN
DVDD
DGND
EMPHA /UO
AUDIO /VO
CKST
INT
RERR
DO
DI
CE
CL
XMODE
DGND
DVDD
TMCK/PIO0
TBCK/PIO1
LRCK/PIO2
TDATA/PIO3
TXO/PIOEN
1
2
3
4
5
6
7
8
9
10
11
12
13
14
15
16
17
18
18P
CN2202
COM1_DATA
COM1_CLK
D595_LAT
D595_OE
DUCOM_SCL
DUCOM_SDA
HATS_RST
DUCOM_RESET
DIR_CKST
DIR_ERROR
DIR_DO
DIR_CE
DIR_XMODE
MUTE
SPDIF/DSD_SEL
DAC_ZERODATA
HATS_MUTE
HATS_MIDDLE
JL2281
JL2282
JL2283
JL2284
JL2285
JL2286
JL2287
JL2288
JL2289
JL2290
JL2291
JL2292
JL2293
JL2294
JL2295
JL2296
JL2297
JL2298
JL2315
JL2316
JL2317
JL2318
JL2319
JL2320
JL2321
JL2322
JL2323
JL2324
JL2325
JL2327
JL2328
JL2329
JL2330
JL2331
JL2332
JL2333
JL2334
JL2335
JL2336
54
321
TC7SH08FU(T5RSOYJF)
IC2206
GND
VCC
1
3
4
5
6
7
8
9
10
11
12
13
14
14P
CN2203
MCK
D-VIDEO_GND
2
NC
LRCK
BCK
SD0
SD1
SD2
SD3
NON_LPCM
SPDIF
ERROR
R_SPDIF
9850_FS
JL233847R2419
47
R2277
A1
A2
A3
A4
DGND 1
A5
A6
A7
A8
A9
A10
A11
A12
A13
A14
A15
A16
A17
D3.3V
DGND 2
A18
A19
A20
A22
A23
A24
A25
A26
47
R2266
A27
A28
100
R2278
J2201
3P
IC2210
IC2225
OPTICAL
IC2201
IC2202
IC2203
IC2204
IC2205
DIGITAL OUT
IC2206
INPUT
IC2207
IC2212
BUFFER
IC2211
IC2214
IC2213
DATA SELECTOR
IC2228
DIGITAL AUDIO
IC2208
WAVE SHAPER
IC2209
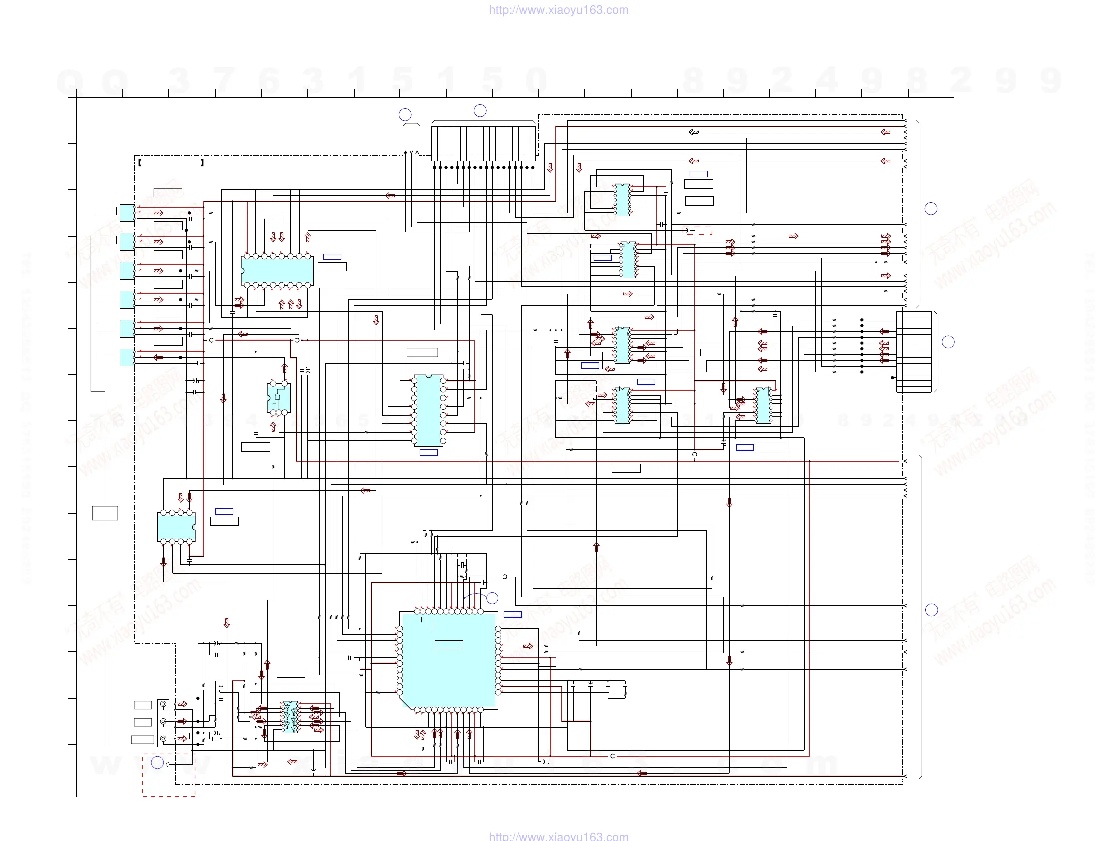
D-AUDIO BOARD
(1/3)
L
C
4 17
H
76 15 18138
I
161213
E
J
2
B
N
G
A
F
K
11
M
14
D
5109
O
RECEIVER
RECEIVEROPTICAL
RECEIVEROPTICAL
RECEIVEROPTICAL
RECEIVEROPTICAL
TRANSCEIVEROPTICAL
TV
OPTICAL IN
OPTICAL
VIDEO 1 IN
OPTICAL
SAT IN
OPTICAL
TAPE IN
OPTICAL
MD IN
OPTICAL
MD OUT
COAXIAL
BD IN
COAXIAL
DVD IN
COAXIAL
SA-CD/CD IN
DIGITAL
ASSIGNABLE
(INPUT ONLY)
INTERFACE RECEIVER
470 10V (AEP ,UK)
C2234
100 16V (US, CND)
C2251
470 10V (AEP ,UK)
47 25V (US, CND)
DATA SELECTOR
DATA SELECTOR
DATA SELECTOR
DATA DECODER
SELECTOR
SWITCH
19
(AEP, UK)
8765
4321
TC7WH157FK(TE85R)
IC2230
A
B
Y
GND
Y
SELECT
STROBE
VCC
C2360
0.1
INPUT
IC2230
SELECTOR
100
R2251
CN2208
(AEP, UK)
C2212, 2214
47 25V (US, CND)
47 63V (AEP, UK)
w
w
w
.
x
i
a
o
y
u
1
6
3
.
c
o
m
Q
Q
3
7
6
3
1
5
1
5
0
9
9
2
8
9
4
2
9
8
T
E
L
1
3
9
4
2
2
9
6
5
1
3
9
9
2
8
9
4
2
9
8
0
5
1
5
1
3
6
7
3
Q
Q
TEL 13942296513 QQ 376315150 892498299
TEL 13942296513 QQ 376315150 892498299
http://www.xiaoyu163.com
http://www.xiaoyu163.com

Table of Contents

Other manuals for Sony STR-DA5500ES

Related product manuals