EasyManua.ls Logo

Sony STR-DA5500ES - Schematic Diagram - E-VOL Board (2;2)

Sony STR-DA5500ES
232 pages
Print Icon
To Next Page IconTo Next Page
To Next Page IconTo Next Page
To Previous Page IconTo Previous Page
To Previous Page IconTo Previous Page
Loading...
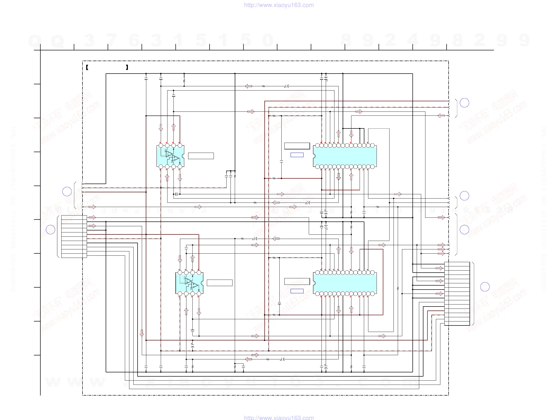
E-VOL
BOARD
54
(1/2)
E-VOL
BOARD
52
(1/2)
E-VOL
BOARD
53
(1/2)
E-VOL
BOARD
51
(1/2)
MAIN
BOARD
AB
(1/3)
CN1204
AR
BOARD
CONNECTOR2
CN1205
IC B/D
IC B/D
0
0
0
15
-15
0
0
0
0
0
0
15
-15
0
0
0
-15
0
0
0
0
0
0
15
0
0
0
0
0
15
0
0
-15
0
0
0
0
0
15
0
15
0
0
0
0
0
15
0
0
16V
100
C1213
16V
100
C1233
16V
100
C1283
C1212
C1232
C1262
C1282
0.01
C1216
0.01
C1218
0.01
C1219
0.01
C1236
0.47
C1238
0.47
C1239
1000p
C1217
1000p
C1237
2200p
C1215
2200p
C1235
2200p
C1285
33
R1215
33
R1216
33
R1235
33
R1236
100
R1214
100
R1234
1k
R1212
1k
R1232
1k
R1262
1k
R1282
100k
R1213
100k
R1217
100k
R1233
100k
R1237
100k
R1263
100k
R1283
100k
R1287
8765
4321
NJM4565M(TE2)
IC1212
VSS
VDD
8765
4321
NJM4565M(TE2)
IC1232
VSS
VDD
35V
47
C1243
1
2
3
4
5
6
7
8
9
10
10P
CN1204
PROTECT
4/8
TEMP (4/8)
GND
-15V
+15V
AGND
SBL
AGND
SBR
10p
C1280
10pC1230
10p
C1286
10pC1244
CXD9725M-HFL
IC1233
NC
VSS
TRIM
TRIM
TRIM
OUT
VRGND
NC
VRIN
NC
CS1
GND
CLK
NCNC
DATA
LAT
CS2
NC
VRIN
NC
VRGND
OUT
TRIM
TRIM
TRIM
VDD
NC
CXD9725M-HFL
IC1213
NC
VSS
TRIM
TRIM
TRIM
OUT
VRGND
NC
VRIN
NC
CS1
GND
CLK
NCNC
DATA
LAT
CS2
NC
VRIN
NC
VRGND
OUT
TRIM
TRIM
TRIM
VDD
NC
1
2
3
4
5
6
7
8
9
10
11
12
13
14
15
15P
CN1202
GND
C
GND
GND
SBR
GND
GND
SBL
GND
4/8
GND
+15V
-15V
PROTECT
TEMP4/8
22p
C1264
22pC1214
22p
C1284
22p
C1234
2200p
C1265
100
16V
C1263
1
6
2
4
5
3
11
12
15
10
13
9
14
8
(2/2)E-VOL BOARD
IC1213
ELECTRICAL VOLUME
IC1233
ELECTRICAL VOLUME
IC1232
LINE AMP
IC1212
LINE AMP
A
1012
J
H
B
1311
C
78
I
F
9643
G
D
5
E
12
28 27 26 25 24 23 22 21 20 19 18 17 16 15
1413121110987654321
28 27 26 25 24 23 22 21 20 19 18 17 16 15
1413121110987654321
C1212, 1232, 1262, 1282
22 50V (US, CND)
22 63V (AEP, UK)
w
w
w
.
x
i
a
o
y
u
1
6
3
.
c
o
m
Q
Q
3
7
6
3
1
5
1
5
0
9
9
2
8
9
4
2
9
8
T
E
L
1
3
9
4
2
2
9
6
5
1
3
9
9
2
8
9
4
2
9
8
0
5
1
5
1
3
6
7
3
Q
Q
TEL 13942296513 QQ 376315150 892498299
TEL 13942296513 QQ 376315150 892498299
http://www.xiaoyu163.com
http://www.xiaoyu163.com

Table of Contents

Other manuals for Sony STR-DA5500ES

Related product manuals