EasyManua.ls Logo

Sony STR-DA777ES - Page 44

Sony STR-DA777ES
80 pages
Print Icon
To Next Page IconTo Next Page
To Next Page IconTo Next Page
To Previous Page IconTo Previous Page
To Previous Page IconTo Previous Page
Loading...
44
1
2
3
4
5
16
15
14
13
12
6
7
8
11
10
9
CK
GND
CS1
DATA
STB
CS2
A-GND
NC
IN
OUT
VSS
A-GND
NC
IN
OUT
VDD
L-CH
DATA
LATCH
CIRCUIT
LEVEL
SHIFT
CIRCUIT
SHIFT
REGISTER
(13bit)
STROBE
GENERATOR
CIRCUIT
LEVEL
SHIFT
CIRCUIT
R-CH
DATA
LATCH
CIRCUIT
R-ch
L-ch
1
2 3
4
5 6 7 8
91016 15 14 13 12 11
SHIFT REGISTER
LATCH
PARALLEL DATA
OUTPUT
GND
VCC
LATCH
CLOCK
PARALLEL DATA
OUTPUT
SERIAL DATA
INPUT
OUTPUT
ENABLE
SHIFT
CLOCK
SERIAL DATA
OUTPUT
RESET
QB
QC
QD
QE
QF
QG
QH
SQH
A
QA
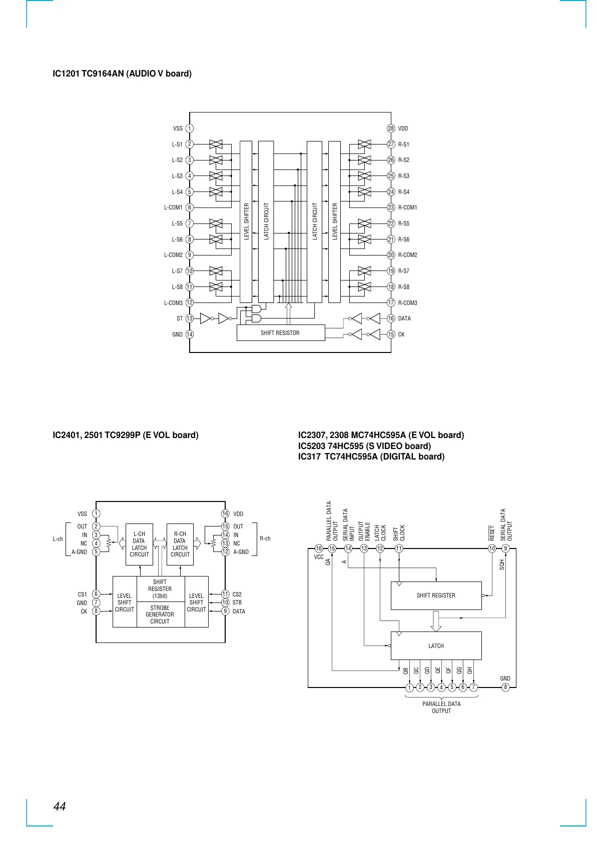
IC2307, 2308 MC74HC595A (E VOL board)
IC317 TC74HC595A (DIGITAL board)
IC5203 74HC595 (S VIDEO board)
IC1201 TC9164AN (AUDIO V board)
1
2
3
4
5
6
7
8
9
10
11
12
13
14
28
27
26
25
24
23
22
21
20
19
18
17
16
15
SHIFT RESISTOR
LEVEL SHIFTER
LEVEL SHIFTER
LATCH CIRCUIT
LATCH CIRCUIT
ST
L-COM3
L-COM2
L-COM1
L-S8
L-S7
L-S6
L-S5
L-S4
L-S3
L-S2
L-S1
VSS
GND
DATA
R-COM3
R-COM2
R-COM1
R-S8
R-S7
R-S6
R-S5
R-S4
R-S3
R-S2
R-S1
VDD
CK
IC2401, 2501 TC9299P (E VOL board)
All manuals and user guides at all-guides.com

Table of Contents

Related product manuals