EasyManua.ls Logo

Sony STR-DA777ES - Page 45

Sony STR-DA777ES
80 pages
Print Icon
To Next Page IconTo Next Page
To Next Page IconTo Next Page
To Previous Page IconTo Previous Page
To Previous Page IconTo Previous Page
Loading...
45
9
S5
S6
S7
S4
S1
S2
S3
Vout1
Vout2 Vout3
V-
GND
SW3
SW2SW1
SW5 SW4
Vin1 Vin2
Vin3Vin4Vin5
V+
10111213141516
1 52 3 4 6 7 8
PROTECTOR
DRIVE
1
2
3 4
5
6 7 8 9 10 11 12 13 14 15
PRE
DRIVE
PRE
DRIVE
BIAS CIRCUIT
REG
MUTE
+VOUT1
VOUT1
COMP1
NF1
IN1
GND
IN2
NF2
COMP2
VOUT2
+VOUT2
VCC1
VCC2
VEE
DRIVE
1
5
2
7
3
6
4
POWER
AMP.
POWER
AMP.
CONTROL
INPUT
AMP.
INPUT
AMP.
REG
8
VCC VCC
REFERENCE
OUT2
OUT1
IN1
IN2
GND
14 13 12 11 10 9 8
1 2 3 4 5 6 7
QA QB QC QD
A
CLEAR
VCC
QA QB QC QD
A
CLEAR
GND
1
2
3
4
5
6
7
8
9
10
11
12
13
14
15
16
17
18
19
20
21
22
23
24
25
26
27
28
INRP
INRM
REFI
AVDD
AVSS
APD
NU
NU
TEST1
LRCK1
BCK1
ADDT
V35A
VSS1 (LF)
MCKI
DPD
VSS2(LF)
INIT
MODE
SHIFT
LATCH
256CK
V35D
VSS2
512CK
BCK2
DADT
LRCK2
56
55
54
53
52
51
50
49
48
47
46
45
44
43
42
41
40
39
38
37
36
35
34
33
32
31
30
29
INLP
INLM
REFO
LVSS
LVDD
AVSS(LF)
NU
NU
VSS1(LF)
TEST3
TEST2
VSS1
VDD1
VDD1
VDD2
L1
AVDDL
L2
AVSSL
XVSS
XIN
XOUT
XVDD
AVSSR
R2
AVDDR
R1
VDD2
MODULATOR MODULATOR
DECIMATION
FILTER
DECIMATION
FILTER
LOW CUT
FILTER
LOW CUT
FILTER
VOLTAGE
REFERENCE
I/O
I/O
ATT PLM
OVER
SAMP
FILTER
NOISE
SHAPER
CPU
INTERFACE
+
+
ATT PLM
OVER
SAMP
FILTER
NOISE
SHAPER
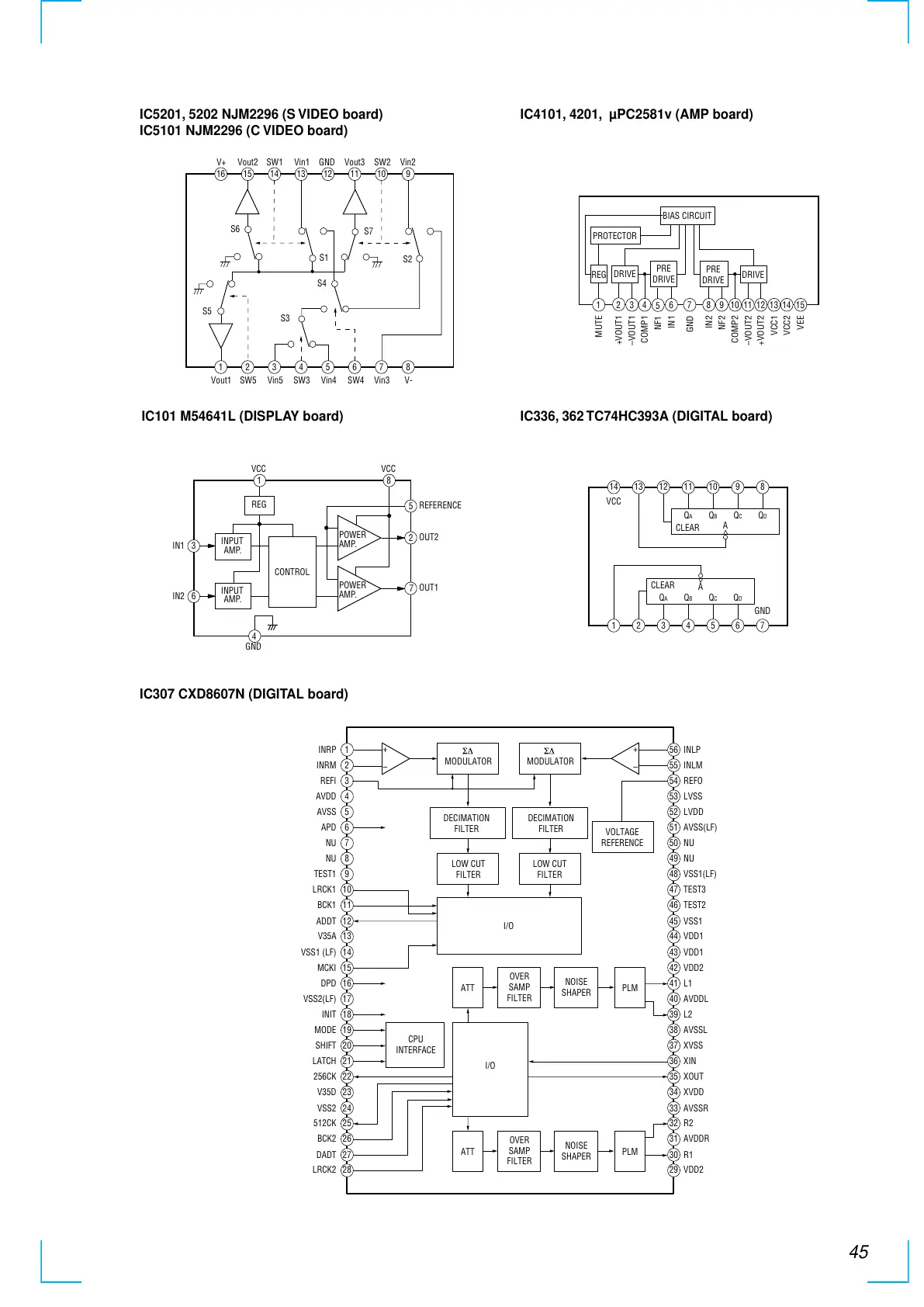
IC5201, 5202 NJM2296 (S VIDEO board)
IC5101 NJM2296 (C VIDEO board)
IC4101, 4201, µPC2581v (AMP board)
IC101 M54641L (DISPLAY board) IC336, 362 TC74HC393A (DIGITAL board)
IC307 CXD8607N (DIGITAL board)
All manuals and user guides at all-guides.com

Table of Contents

Related product manuals