EasyManua.ls Logo

Soredex CRANEX Novus e - Page 47

Soredex CRANEX Novus e
122 pages
Print Icon
To Next Page IconTo Next Page
To Next Page IconTo Next Page
To Previous Page IconTo Previous Page
To Previous Page IconTo Previous Page
Loading...
38 Service manual
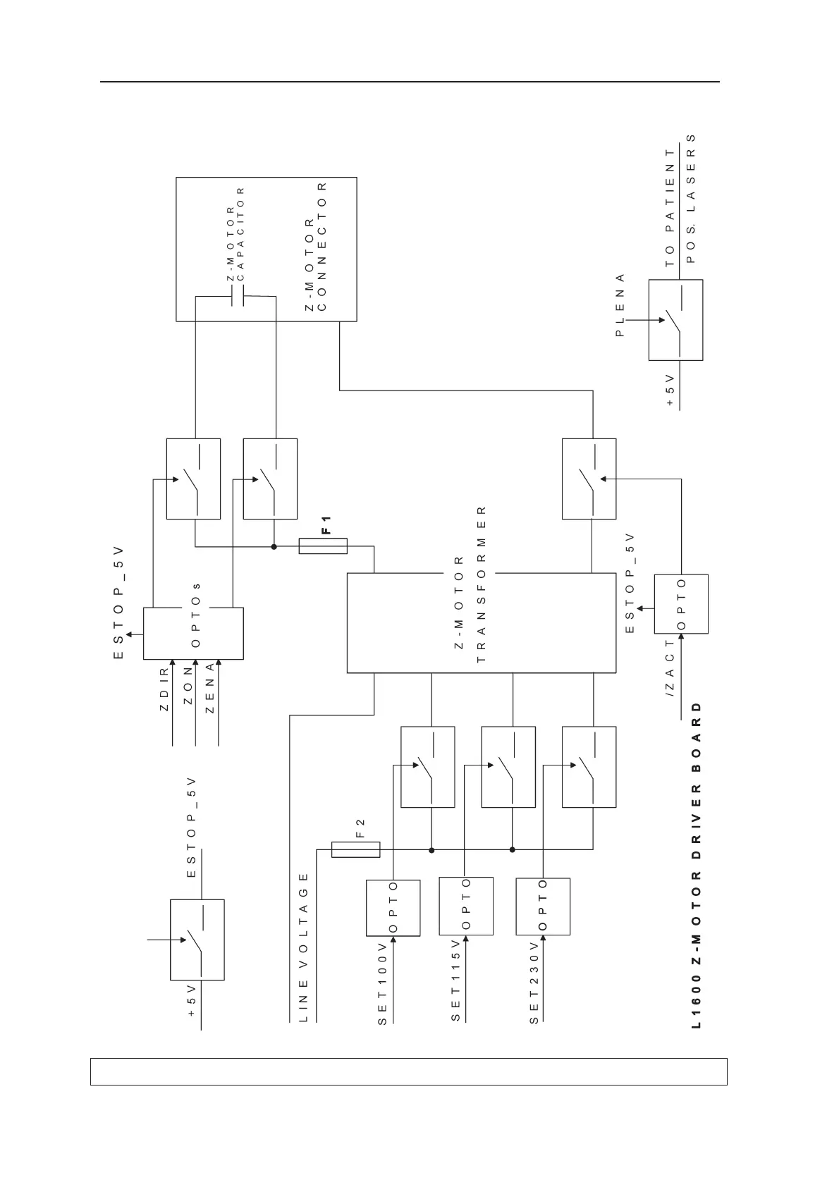
3. Circuit Board - L1600, Z-Motor Driver CRANEX
®
Novus e
L1600 - Block diagram

Table of Contents

Other manuals for Soredex CRANEX Novus e

Related product manuals