EasyManua.ls Logo

Splendide WD2100 - Wiring Diagrams; WD2100; WD2000 S Wiring

Splendide WD2100
72 pages
Print Icon
To Next Page IconTo Next Page
To Next Page IconTo Next Page
To Previous Page IconTo Previous Page
To Previous Page IconTo Previous Page
Loading...
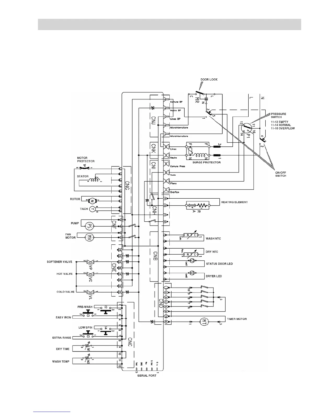
Wiring Diagrams

WD

/ WD
s
Wiring Diagrams
Splendide 2100 / Splendide 2000S Front-Loading Automatic Washer-Dryer with Vented Drying System

Table of Contents

Other manuals for Splendide WD2100

Related product manuals