EasyManua.ls Logo

Sri PXS-710D - Page 73

Sri PXS-710D
73 pages
Print Icon
To Previous Page IconTo Previous Page
To Previous Page IconTo Previous Page
Loading...
PXS-710D Section 5
71
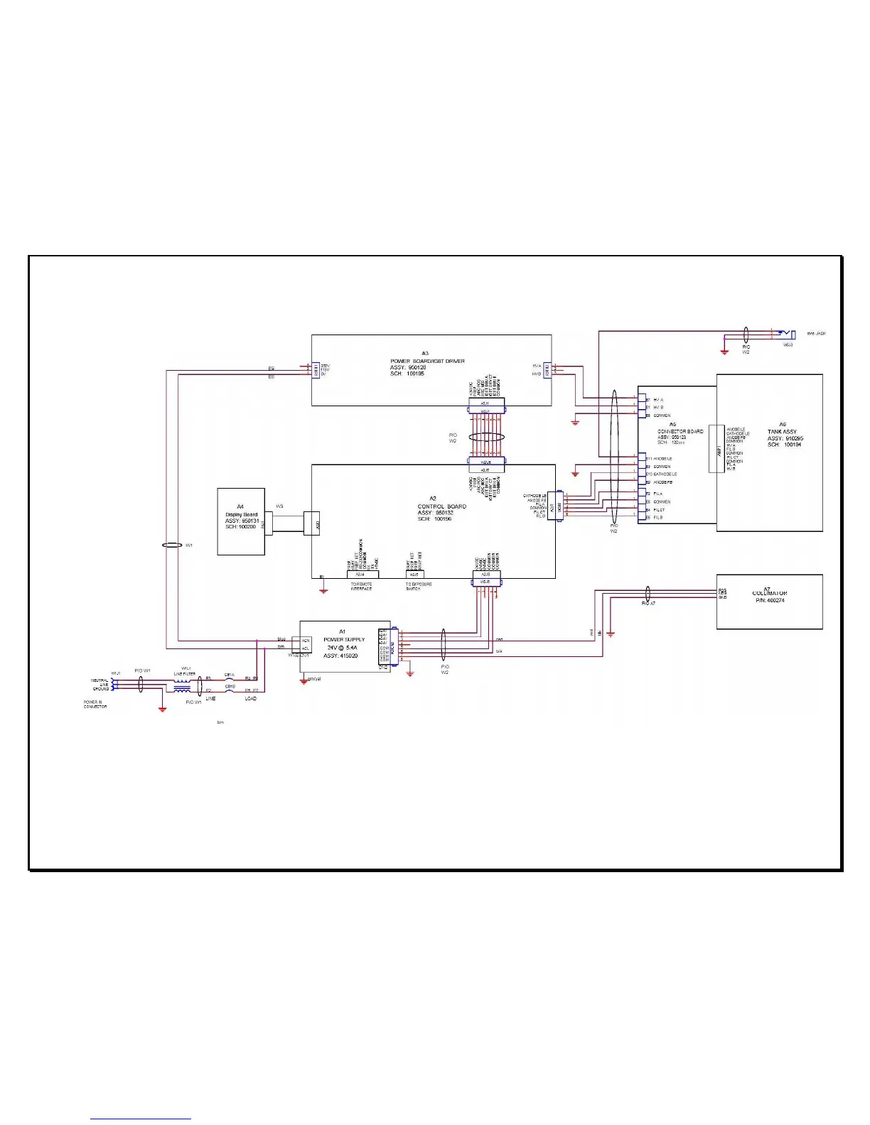
SCHEMATIC 5.2
GENERATOR WIRING DIAGRAM (100206_1)

Table of Contents