EasyManua.ls Logo

Stack ST700 - Page 81

Stack ST700
88 pages
Print Icon
To Next Page IconTo Next Page
To Next Page IconTo Next Page
To Previous Page IconTo Previous Page
To Previous Page IconTo Previous Page
Loading...
ST700 Dash Display System Maintenance
© Stack
77
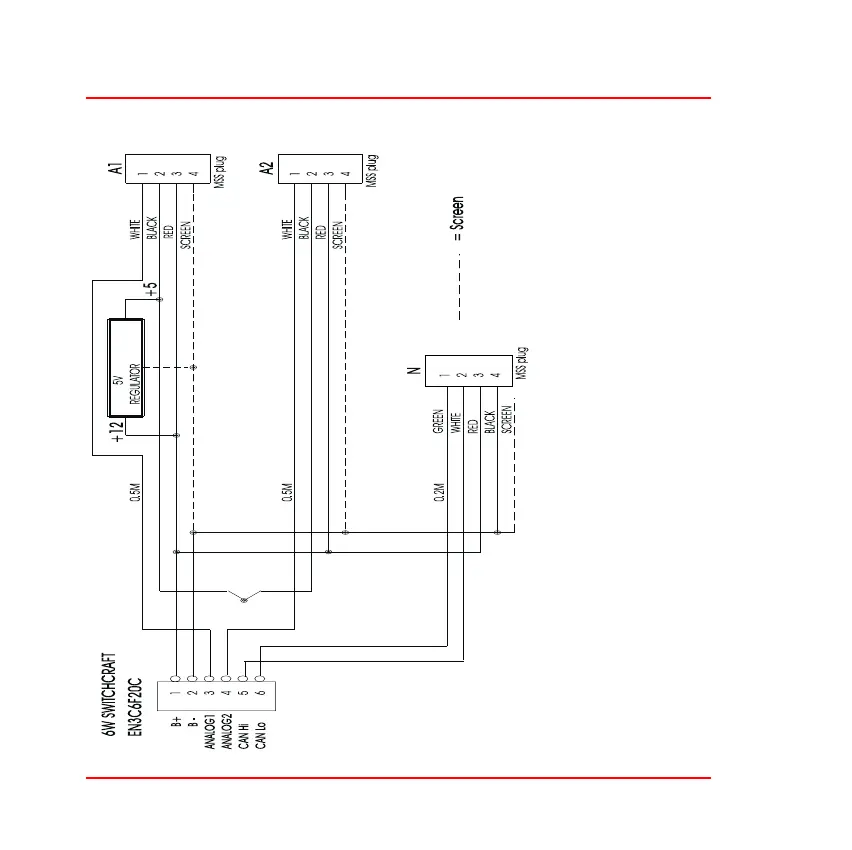
Figure 17: Wiring diagram6–way harness