EasyManua.ls Logo

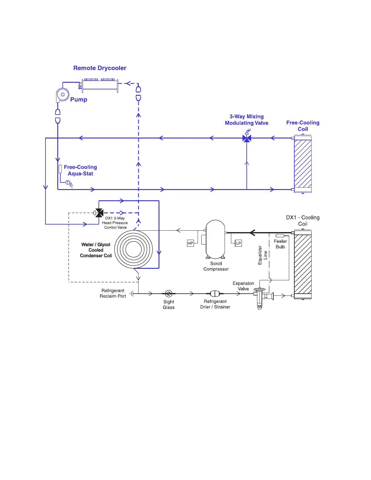
Stulz CeilAir CW - Figure 4. Free Cooling Diagram

Stulz CeilAir CW
84 pages
Print Icon
To Next Page IconTo Next Page
To Next Page IconTo Next Page
To Previous Page IconTo Previous Page
To Previous Page IconTo Previous Page
Loading...
18 OCH0006F08/13/2024
CEILAIR
®
CW & DX IOM
1.6.5 CONDENSATE PUMP
Figure 4. Free Cooling Diagram

Table of Contents

Related product manuals