EasyManua.ls Logo

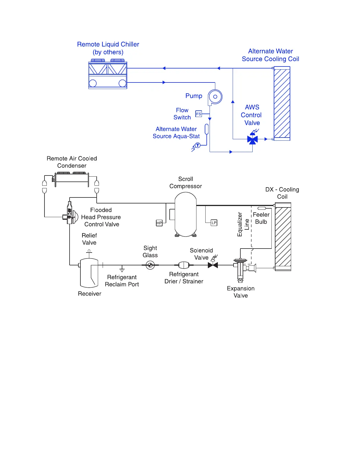
Stulz CeilAir CW - Figure 5. Alternate Water Source Diagram

Stulz CeilAir CW
84 pages
Print Icon
To Next Page IconTo Next Page
To Next Page IconTo Next Page
To Previous Page IconTo Previous Page
To Previous Page IconTo Previous Page
Loading...
20 OCH0006F08/13/2024
CEILAIR
®
CW & DX IOM
1.8 AWS OPERATION
If the return air temperature rises to the compressor cut-in setpoint or if the AWS control valve reaches 100%
open for 240 seconds (default compressor-on time delay), the compressor turns on and operates in parallel
with AWS cooling. The compressor runs until the normal compressor cut-out setpoint temperature is reached
provided the minimum run time expires.
If the chilled water inlet temperature rises above 55 °F, AWS cooling turns off (the control valve closes). When
the DX cooling stage-enabled temperature setpoint is reached, the compressor turns on and becomes the
primary source of cooling.
If water stops flowing during AWS operation, then the AWS control valve is closed and the compressor system
handles most of the cooling load. It activates if the return air temperature increases above the setpoint.
Figure 5. Alternate Water Source Diagram

Table of Contents

Related product manuals