EasyManua.ls Logo

Sym X'PRO RV125 - Light; Bulb

Sym X'PRO RV125
275 pages
Print Icon
To Next Page IconTo Next Page
To Next Page IconTo Next Page
To Previous Page IconTo Previous Page
To Previous Page IconTo Previous Page
Loading...
18. Electrical System
18-13
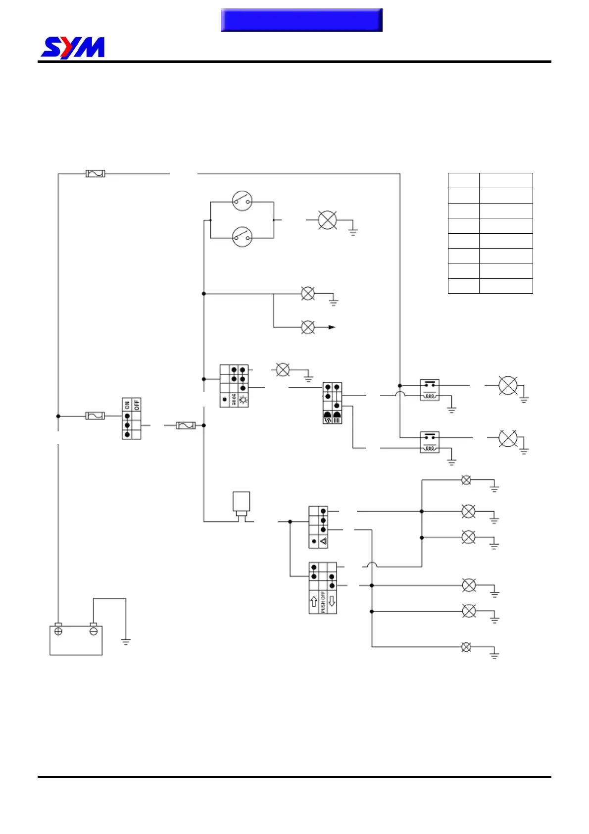
Light / Bulb
Light system circuit
Left winker indicator
Headlight relay
(low beam)
R
Main switch
Fuse 20A
Light switch
B
(Headlight)
Fuse 15A
Battery
Winker relay
Winker switch
O
SB
O
SB
Right winker indicator
Right winker
R Red
B Black
G Green
O Orange
W White
L Blue
Y Yellow
SB Sky blue
Meter illuminant
R/W
W
G/R
Headlight
(low beam)
Hazard switch
Left winker
W/G
Taillight / license light
EFi check lamp
ECU
G/Y
W
BR
Brake switch
Brake light
Headlight relay
(high beam)
L/W
Headlight
(high beam)
L
L
To this chapter contents

Table of Contents

Related product manuals