EasyManua.ls Logo

Telect ELF-9716-1900 - Figure 16 - Model ELF-1008-1800 Reference Schematic

Default Icon
48 pages
Print Icon
To Next Page IconTo Next Page
To Next Page IconTo Next Page
To Previous Page IconTo Previous Page
To Previous Page IconTo Previous Page
Loading...
© Telect, Inc., All Rights Reserved, 124317-10 A0
1.509.926.6000 :: telect.com
22
ELF System
Copper / Fiber :: ELF Family
R1
R2
8
7
6
5
4
3
2
1
T
R
R
T
R
T
OUT
S. GND.
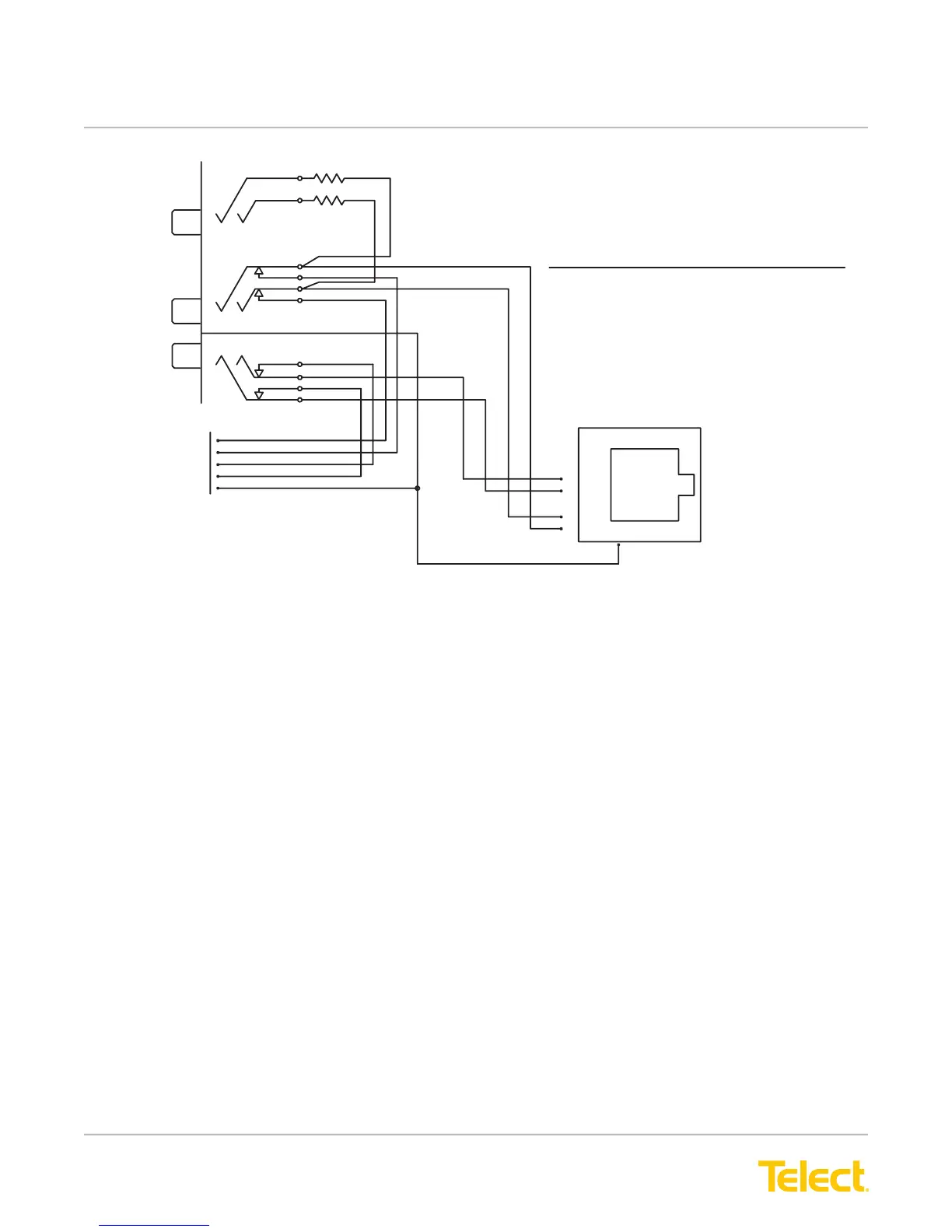
REFERENCE SCHEMATIC
(TYPICAL FOR ALL CIRCUITS)
X-CON
S. GND.
OUT
IN
IN
OUT
MON
IN
T
R
I/O
RESISTOR VALUE = 475 ohm
Figure 16 - Model ELF-1008-1800 Reference Schematic

Table of Contents

Other manuals for Telect ELF-9716-1900

Related product manuals