EasyManua.ls Logo

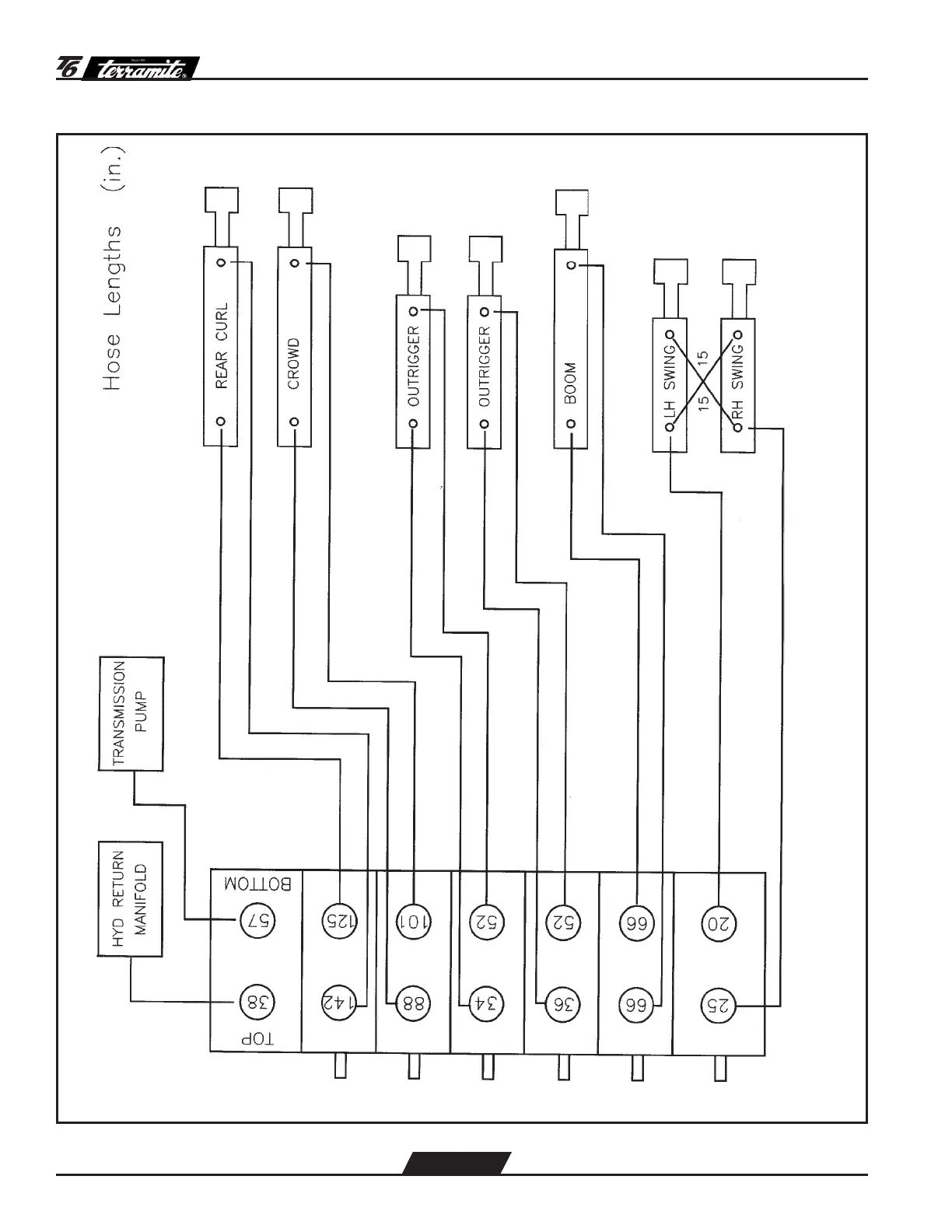
Terramite T6 - T6 Backhoe Hydraulic Circuit Wobblestick Hose Diagram 4 WD

Default Icon
112 pages
Print Icon
To Next Page IconTo Next Page
To Next Page IconTo Next Page
To Previous Page IconTo Previous Page
To Previous Page IconTo Previous Page
Loading...
Copyright © 1999 Terramite Corporation
3.16
T6 Backhoe Hydraulic Circuit Wobblestick Hose Diagram 4WD
CONTROL VALVE

Table of Contents