EasyManua.ls Logo

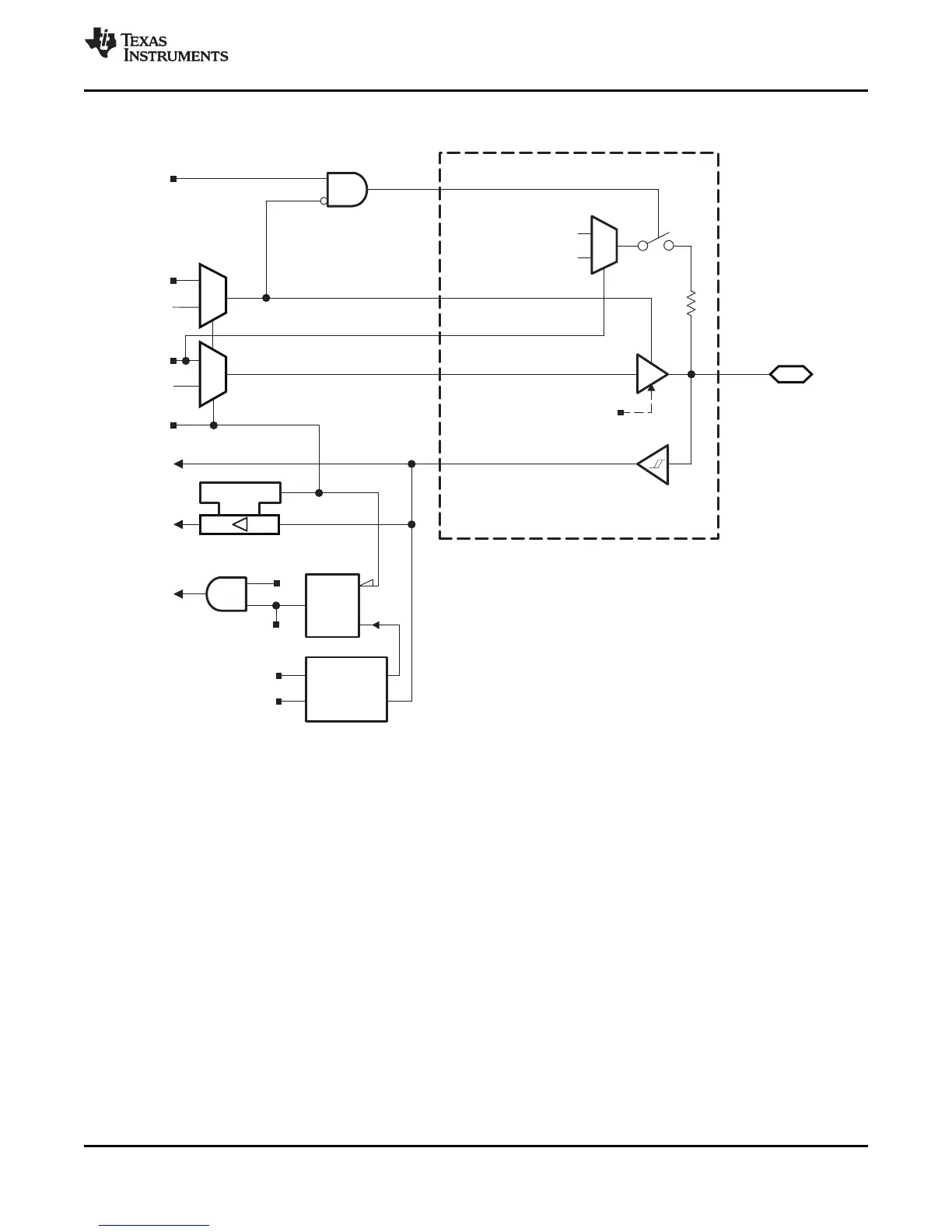
Texas Instruments MSP430F5529 - 6.10.2 Port P2, P2.0 to P2.7, Input;Output With Schmitt Trigger

Texas Instruments MSP430F5529
128 pages
Print Icon
To Next Page IconTo Next Page
To Next Page IconTo Next Page
To Previous Page IconTo Previous Page
To Previous Page IconTo Previous Page
Loading...
P2.0/TA1.1
P2.1/TA1.2
P2.2/TA2CLK/SMCLK
P2.3/TA2.0
P2.4/TA2.1
P2.5/TA2.2
P2.6/RTCCLK/DMAE0
P2.7/UB0STE/UCA0CLK
Direction
0:Input
1:Output
P2SEL.x
1
0
P2DIR.x
P2IN.x
Tomodule
EN
Tomodule
1
0
Frommodule
P2OUT.x
Interrupt
Edge
Select
Q
EN
Set
P2SEL.x
P2IES.x
P2IFG.x
P2IE.x
1
0
DV
SS
DV
CC
P2REN.x
PadLogic
1
P2DS.x
0:Lowdrive
1:Highdrive
D
Frommodule
MSP430F5529
,
MSP430F5528
,
MSP430F5527
,
MSP430F5526
MSP430F5525
,
MSP430F5524
,
MSP430F5522
,
MSP430F5521
MSP430F5519, MSP430F5517, MSP430F5515, MSP430F5514, MSP430F5513
www.ti.com
SLAS590M MARCH 2009REVISED NOVEMBER 2015
6.10.2 Port P2, P2.0 to P2.7, Input/Output With Schmitt Trigger
Copyright © 2009–2015, Texas Instruments Incorporated Detailed Description 83
Submit Documentation Feedback
Product Folder Links: MSP430F5529 MSP430F5528 MSP430F5527 MSP430F5526 MSP430F5525 MSP430F5524
MSP430F5522 MSP430F5521 MSP430F5519 MSP430F5517 MSP430F5515 MSP430F5514 MSP430F5513

Table of Contents

Related product manuals