EasyManua.ls Logo

Texas Instruments MSP430F5529 - 6.10.5 Port P5, P5.0 and P5.1, Input;Output With Schmitt Trigger

Texas Instruments MSP430F5529
128 pages
Print Icon
To Next Page IconTo Next Page
To Next Page IconTo Next Page
To Previous Page IconTo Previous Page
To Previous Page IconTo Previous Page
Loading...
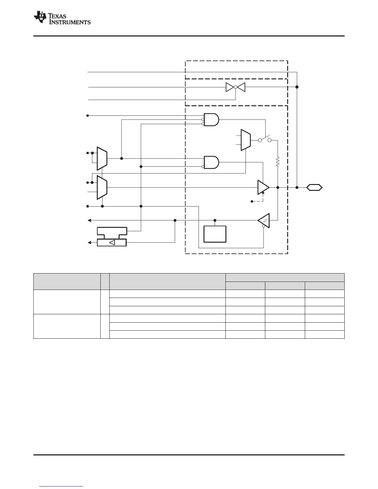
P5.0/(A8/VREF+/VeREF+)
P5.1/(A9/VREF–/VeREF–)
P5SEL.x
1
0
P5DIR.x
P5IN.x
EN
Tomodule
1
0
Frommodule
P5OUT.x
1
0
DV
SS
DV
CC
P5REN.x
PadLogic
1
P5DS.x
0:Lowdrive
1:Highdrive
D
Bus
Keeper
to/fromReference
(n/aMSP430F551x)
to ADC12
INCHx=x
(n/aMSPF430F551x)
(n/aMSPF430F551x)
MSP430F5529
,
MSP430F5528
,
MSP430F5527
,
MSP430F5526
MSP430F5525
,
MSP430F5524
,
MSP430F5522
,
MSP430F5521
MSP430F5519, MSP430F5517, MSP430F5515, MSP430F5514, MSP430F5513
www.ti.com
SLAS590M MARCH 2009REVISED NOVEMBER 2015
6.10.5 Port P5, P5.0 and P5.1, Input/Output With Schmitt Trigger
Table 6-50. Port P5 (P5.0 and P5.1) Pin Functions
CONTROL BITS OR SIGNALS
(1)
PIN NAME (P5.x) x FUNCTION
P5DIR.x P5SEL.x REFOUT
P5.0/A8/VREF+/VeREF+
(2)
0 P5.0 (I/O)
(3)
I: 0; O: 1 0 X
A8/VeREF+
(4)
X 1 0
A8/VREF+
(5)
X 1 1
P5.1/A9/VREF-/VeREF-
(6)
1 P5.1 (I/O)
(3)
I: 0; O: 1 0 X
A9/VeREF–
(7)
X 1 0
A9/VREF–
(8)
X 1 1
(1) X = Don't care
(2) VREF+/VeREF+ available on MSP430F552x devices only.
(3) Default condition
(4) Setting the P5SEL.0 bit disables the output driver and the input Schmitt trigger to prevent parasitic cross currents when applying analog
signals. An external voltage can be applied to VeREF+ and used as the reference for the ADC12_A when available. Channel A8, when
selected with the INCHx bits, is connected to the VREF+/VeREF+ pin.
(5) Setting the P5SEL.0 bit disables the output driver and the input Schmitt trigger to prevent parasitic cross currents when applying analog
signals. The VREF+ reference is available at the pin. Channel A8, when selected with the INCHx bits, is connected to the
VREF+/VeREF+ pin.
(6) VREF-/VeREF- available on MSP430F552x devices only.
(7) Setting the P5SEL.1 bit disables the output driver and the input Schmitt trigger to prevent parasitic cross currents when applying analog
signals. An external voltage can be applied to VeREF- and used as the reference for the ADC12_A when available. Channel A9, when
selected with the INCHx bits, is connected to the VREF-/VeREF- pin.
(8) Setting the P5SEL.1 bit disables the output driver and the input Schmitt trigger to prevent parasitic cross currents when applying analog
signals. The VREF– reference is available at the pin. Channel A9, when selected with the INCHx bits, is connected to the VREF-
/VeREF- pin.
Copyright © 2009–2015, Texas Instruments Incorporated Detailed Description 87
Submit Documentation Feedback
Product Folder Links: MSP430F5529 MSP430F5528 MSP430F5527 MSP430F5526 MSP430F5525 MSP430F5524
MSP430F5522 MSP430F5521 MSP430F5519 MSP430F5517 MSP430F5515 MSP430F5514 MSP430F5513

Table of Contents

Related product manuals