EasyManua.ls Logo

Thermal Dynamics Pak Master 50 - Sequence of Operation Flowchart

Thermal Dynamics Pak Master 50
90 pages
Print Icon
To Next Page IconTo Next Page
To Next Page IconTo Next Page
To Previous Page IconTo Previous Page
To Previous Page IconTo Previous Page
Loading...
OPERATION 30 Manual 0-2470
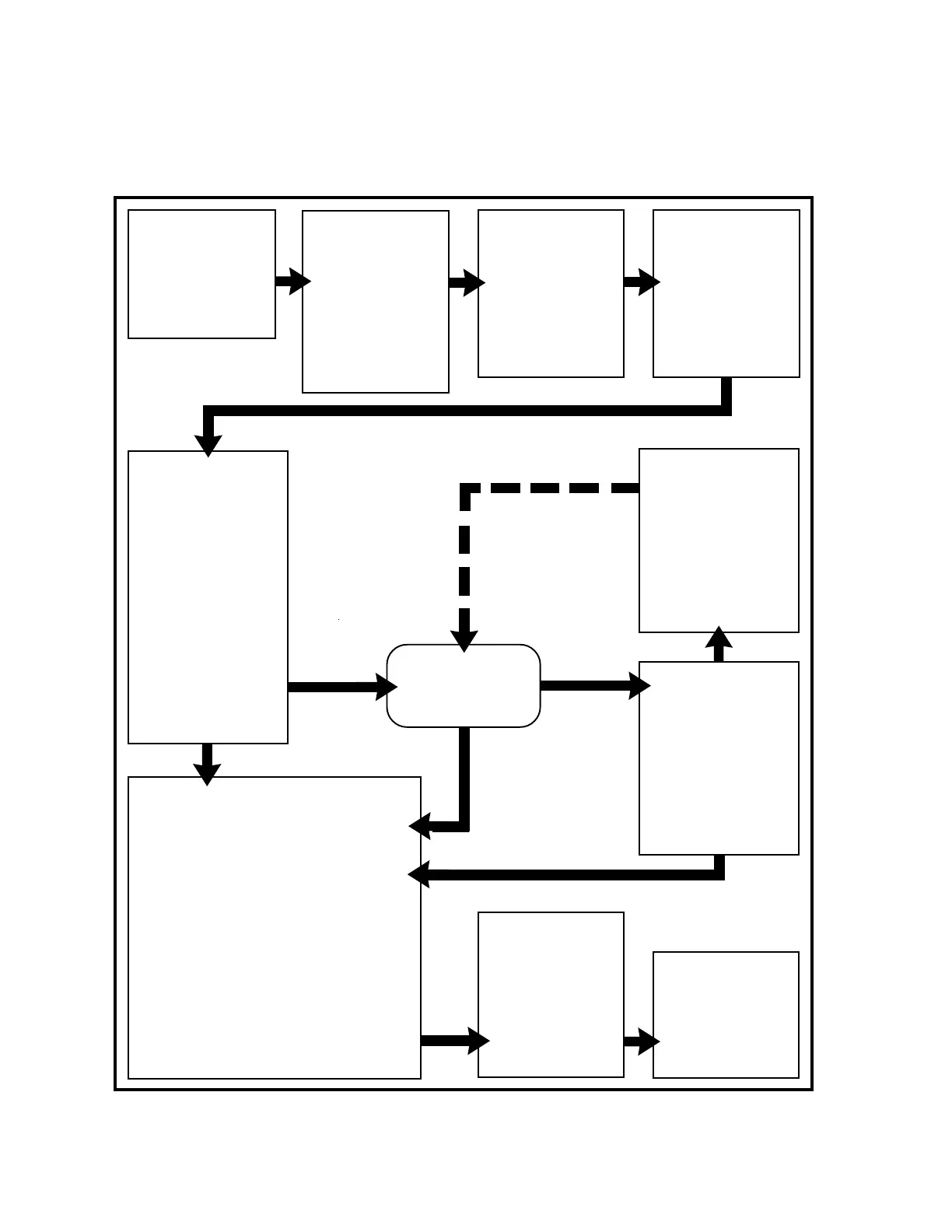
4.03 SEQUENCE OF OPERATION
PILOT ARC
ACTION
RUN/SET switch
to RUN.
RESULT
Gas flow stops.
GAS indicator off.
Power circuit ready.
ACTION
Close external
disconnect switch.
RESULT
Power to system.
ACTION
ON/OFF switch
to ON.
RESULT
AC, TEMP, PIP
indicators on.
Fan on.
Pilot disabled during
20 second pre-flow.
ACTION
RUN/SET switch
to SET.
RESULT
Gas solenoid open,
gas flows to set
pressure.
GAS indicator on.
ACTION
Torch moved away
from work (while
still activated).
RESULT
Main arc stops.
Pilot arc auto-
matically restarts.
PILOT indicator on.
ACTION
Open external
disconnect.
RESULT
No power to system.
ACTION
ON/OFF switch
to OFF.
RESULT
All indicators off.
Power supply
fan off.
Figure 4-B Sequence of Operation
ACTION
Torch moved within
transfer distance of
workpiece.
RESULT
Main arc transfer.
Pilot arc off.
PILOT indicator off.
DC indicator still on.
ACTION
Protect eyes and
activate torch.
RESULT
Gas flows.
GAS indicator on.
After gas pre-flow:
DC indicator on.
Power supply enabled.
HF relay closes.
Pilot arc established.
PILOT indicator on.
ACTION
Torch deactivated (by torch switch
release or by remote device).
RESULT
Main arc stops. Pilot stops.
(Power supply enable signal removed.)
DC indicator off.
PILOT indicator off.
NOTE - If torch is activated during
post-flow, pilot arc will immediately restart.
If torch is within transfer distance (3/8 in) of
workpiece, main arc will transfer.
After post-flow:
Gas solenoid closes, gas flow stops.
GAS indicator off.

Related product manuals