EasyManua.ls Logo

Thermal Dynamics Pak Master 50 - Page 89

Thermal Dynamics Pak Master 50
90 pages
Print Icon
To Next Page IconTo Next Page
To Next Page IconTo Next Page
To Previous Page IconTo Previous Page
To Previous Page IconTo Previous Page
Loading...
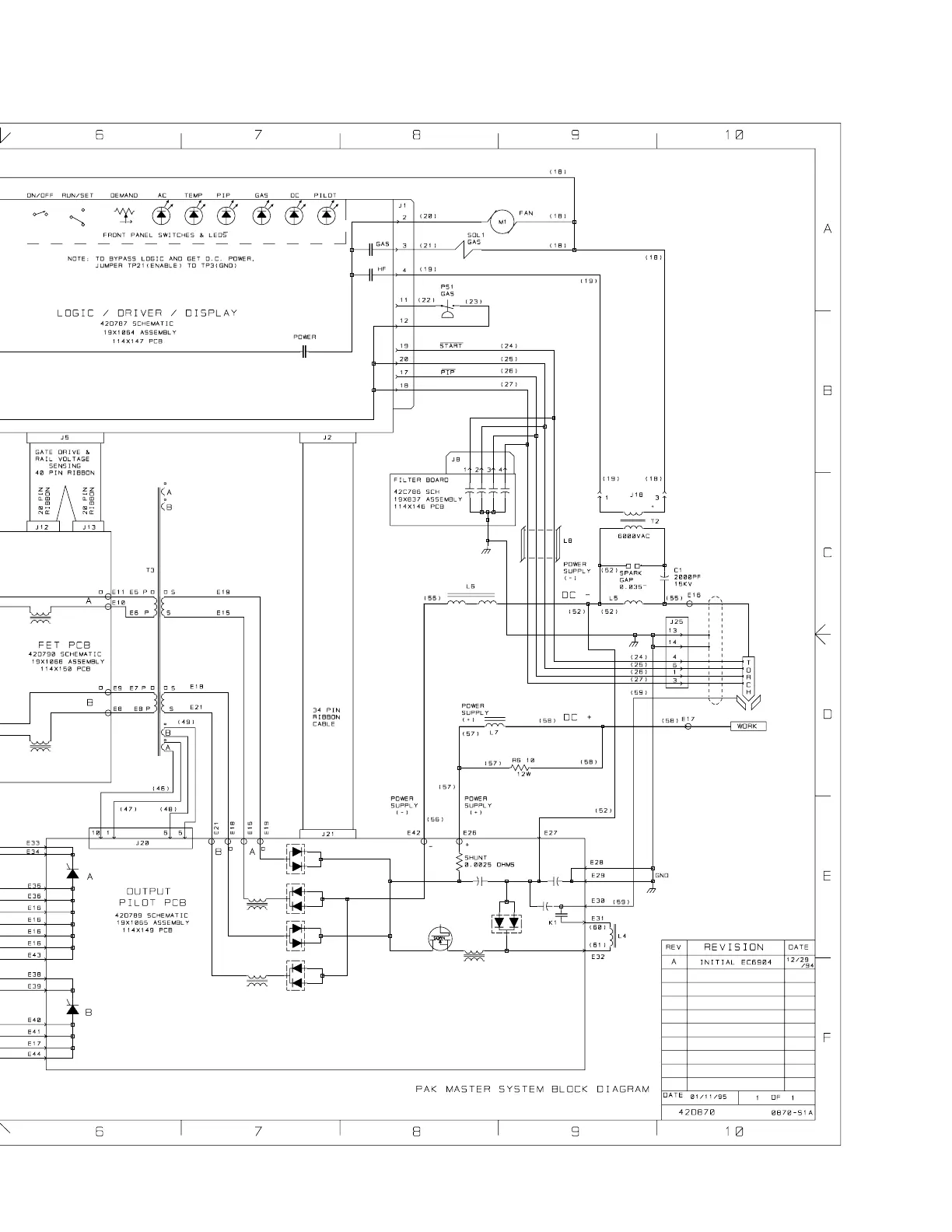
Manual 0-2470 85 APPENDIX
A-00804

Related product manuals