EasyManua.ls Logo

TKE TW45 - Machine base frame

TKE TW45
132 pages
Print Icon
To Next Page IconTo Next Page
To Next Page IconTo Next Page
To Previous Page IconTo Previous Page
To Previous Page IconTo Previous Page
Loading...
42
Technology
Dimensions
TK Elevator
BA, TW45 | 6231003860 | 03/2023
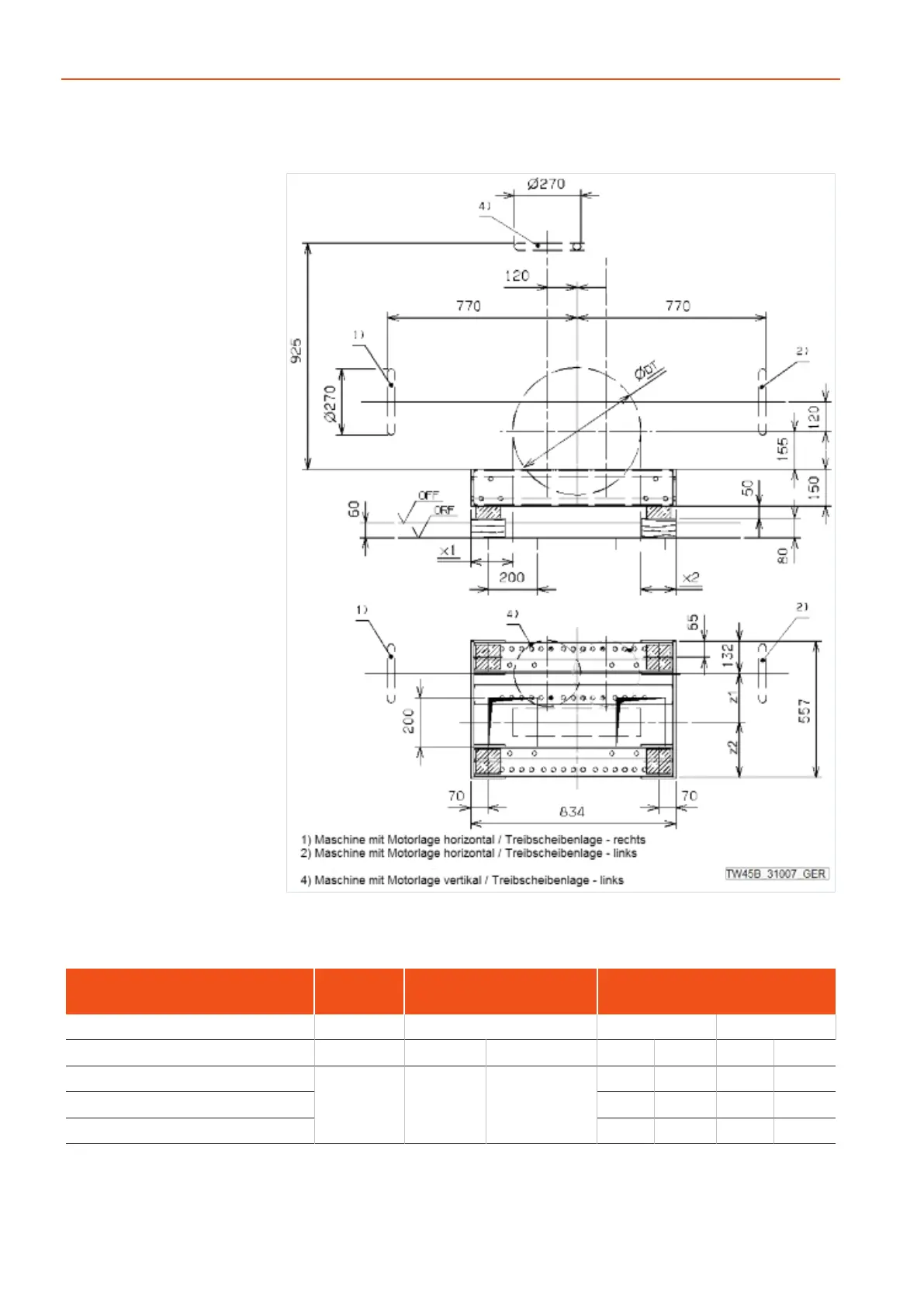
4.2.2 Machine base frame
Machine base frame without rope pulley
Fig.19 ATR_2_21_0041_0
Project planning dimensions:
Traction sheave version Unit
Project planning dimen-
sion
Machine arrangement
DT left right
(mm) z1 z2 x1
min
x1
max
x2
min
x2
max
440
(mm) 200 225
52 332 52 332
520 52 252 52 252
590 57 177 57 177
Tab.15 ATR_1_21_0019_0
Intermediate values for x1 and x2 in the modular dimension of 40 mm possible

Table of Contents