EasyManua.ls Logo

Toa A-9060DH - 23 Block Diagram

Toa A-9060DH
136 pages
Print Icon
To Next Page IconTo Next Page
To Next Page IconTo Next Page
To Previous Page IconTo Previous Page
To Previous Page IconTo Previous Page
Loading...
117
INPUT SELECT
INPUT VOLUME
Vacuum Fluorescent Display
1
2
3
4
5
6
7
8
OUTPUT SEL
OUTPUT VOLUME PARAMETER ESC/BACK
UTILITY
ENTER
MEMORY
ON/OFFON/OFF
POWER
DIN
#1
#2
ADC
#1
#8
ADC
#2
#7
DIN
#3
#4
ADC
#3
#6
ADC
#4
#5
DIN
#5
#6
DIN
#7
#8
SLOT#1
MIXOUT
DAC
1
DSP
R–>V
CONVERT
REMT-VOL1
REMT-VOL2
RS232
MODE SW
MATRIX/MIXER
CONTROL
INPUT
CONTROL
OUTPUT
1
2
3
4
5
6
7
8
9
10
11
12
13
14
H
E
H
E
CI1
CI2
CI3
CI4
E
CO1
CO2
CO3
CO4
E
DI1
DIS1
ANALOG
DIGITAL
DI2
DIS2
DI3
DIS3
DI4
DIS4
EEPROM
I2C
CPU
DI1
DI2
DI3
DI4
DI1
DI2
DI3
DI4
DI1
DI2
DI3
DI4
TXDM8
RXDM8
I2C
DOUT
1
2
3
4
5
6
7
8
2
SLOT#2
MIXOUT
SLOT#3
MIXOUT
SLOT#4
MIXOUT
SLOT#5
MIXOUT
Dout 1
Dout 2
Dout 3
Dout 4
Dout 1
Dout 2
Dout 3
Dout 4
Dout 1
Dout 2
Dout 3
Dout 4
SLOT#6
MIXOUT
AIN
AIN
AIN
AIN
AIN
AIN
AIN
AIN
SLOT#7
MIXOUT
SLOT#8
MIXOUT
TXD
RXD
LPF
LPF
VOLUME
CONTROL
TXD
I2C
RXD
CONTROL I/O
INPUT SELECT SIGNALS
KEY&DISPLAY CONTROL
RXD
TXD
MODE
232RXD
232TXD
A-9060DH/9120DH/9120DL
POWER SUPPLY
AC IN
MAIN_TRANS
+VCC
–VCC
POWER AMP
SUB_TRANS (EXCEPT M-9000)
+24 V
–24 V
ANALOG
+6 V DSP/AD/DA
+3.3 VBU CPU
–30 V
AC5 V VFD
AC5 V
PRE
AMP
OUT 1
H
C
E
H: Hot
C: Cold
E: Earth
PRE
AMP
OUT 2
H
C
E
H: Hot
C: Cold
E: Earth
PRE
AMP
OUT 2
H
C
E
NE5532
NE5532
M-9000
NE5532
PRE AMP
OUT 1
PWR AMP
IN 1
PRE AMP
OUT 2
PWR AMP
IN 2
POWER
AMP
POWER
AMP
SPEAKERS
OUT 1
+
+
FAN
FAN CONTROL
RELAY
NE5532
RELAY
+–
VOLUME
OUT 2
A-9060S/9120S/9240SH
NE5532
PRE AMP
OUT 1
PWR AMP
IN
POWER
AMP
SPEAKERS
A-9240SH CU
70 V
+
+
FAN
FAN CONTROL
RELAY
NE5532
+
SPEAKERS
70 V
25 V
8 Ω
COM
70 V
25 V
8 Ω
COM
TRANS IN
DIRECT
E
ANALOG
DIGITAL
ANALOG
DIGITAL
ANALOG
DIGITAL
I2C
I2C
I2C
I2C
I2C
I2C
I2C
I2C
I2C
1
8
1
2
1
2
2
7
3
6
4
5
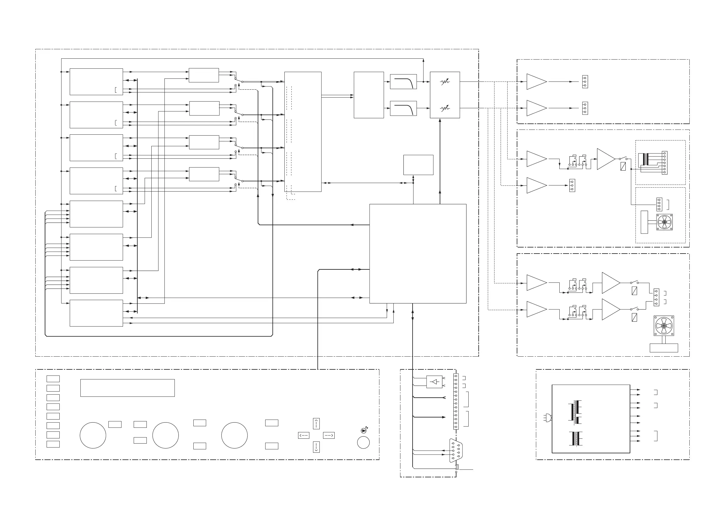
at ANALOG INPUT
at DIGITAL INPUT
INTERNAL ADC / MODULE I2S
SIGNAL SELECTORS
Remarks
Each pair of Inputs 1 and 8, 2 and 7, 3
and 6, and 4 and 5 is the analog inputs
of ADC (Analog-Digital Converter).
So, when a digital input module such as
the D-001T is inserted into Slot 1, for
example, the digital input selector DIS1
is switched over to the DIGITAL position,
thereby disabling the use of analog
Inputs 1 and 8.
Consequently, Slot 8's analog input
(AIN) cannot be used.
Likewise, when Slot 2 is occupied by the
D-001T, Slot 7's analog input cannot be
used; and when Slot 3 is occupied, Slot
6's analog input cannot be used.
A-9060S CU, A-9120S CU
70 V Hi-Z BTL POWER AMP
Output Transformer-less model
70 V Hi-Z BTL POWER AMP: A-9060DH CU, A-9120DH CU
Low-Z Single-END POWER AMP: A-9120DL CU
Single-END POWER AMP
with Output Transformer model
23. BLOCK DIAGRAM

Table of Contents

Other manuals for Toa A-9060DH

Related product manuals